Foram encontradas 50 questões.
Considerando o circuito regulador de tensão, conforme figura abaixo, com Vin=12VDC marque a alternativa que apresenta o valor aproximado de Vout.

Provas
Considerando os conceitos associados aos dispositivos eletrônicos de dois terminais, analise as assertivas abaixo, assinalando V, se verdadeiro, ou F, se falso.
( ) Os diodos schottky apresentam respostas rápidas, apropriadas para uso em altas frequências, mas com elevado nível de ruído.
( ) Os diodos varactor são semicondutores que se comportam como capacitores que variam com a tensão.
( ) Os diodos túnel possuem uma região de resistência negativa, onde o aumento de tensão nos terminais do componente aumentam a corrente circulante.
( ) O fotodiodo é um dispositivo semicondutor de junção p-n cuja região de operação é limitada à condição reversa.
A ordem correta de preenchimento dos parênteses, de cima para baixo, é:
Provas
Considerando a utilização de um CI 555 como oscilador astável, conforme a figura abaixo, com R1= 12k!$ Ω !$, R2=33k!$ Ω !$, C=130μF, marque a alternativa que apresenta os valores aproximados de Ta (tempo com saída alta) e Tb (tempo com saída baixa) em segundos.

Provas
Considerando um circuito de chaveamento digital, conforme a figura abaixo, utilizando um TJB como chave, com Icsat=5 mA, hFE=200, Vi=5Vcc, marque a alternativa que apresenta os melhores valores de R2 e R3 para estas condições.

Provas
Considerando a figura abaixo, marque a alternativa que apresenta o valor aproximado da corrente de saturação do TJB alimentado em 12 Vcc, e com Rc=3,3k!$ Ω !$.

Provas
Considerando um transistor NPN de silício de uso geral, alimentado em corrente contínua, com IB = 14μA e IC = 2,0 mA, marque a alternativa que apresenta o valor aproximado de !$ β !$cc para este transistor nestas condições.
Provas
Marque a alternativa que apresenta o valor aproximado de VDC produzida por um retificador de meia onda, considerando alimentação senoidal de 38 VCA de pico.
Provas
Considerando as leis básicas da eletricidade, analise as assertivas abaixo, assinalando V, se verdadeiro, ou F, se falso.
( ) Primeira Lei de Kirchhoff – a soma das correntes que chegam a um nó é igual à soma das correntes que dele saem.
( ) Segunda Lei de Kirchhoff – a soma das elevações de potencial ao longo de qualquer circuito fechado é igual à soma das quedas de potencial nesse mesmo circuito.
( ) Teorema de Thévenin – qualquer circuito linear visto de um ponto pode ser substituído por uma única fonte de tensão em série com uma impedância.
( ) Teorema de Norton – qualquer circuito linear visto de um ponto pode ser substituído por uma única fonte de tensão em paralelo com uma impedância.
A ordem correta de preenchimento dos parênteses, de cima para baixo, é:
Provas
Baseado no diagrama abaixo, marque a alternativa que apresenta o nome correto do filtro apresentado.

Provas
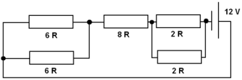
Baseado no diagrama abaixo, marque a alternativa que apresenta o valor mais aproximado da tensão no resistor de 8!$ Ω !$

Provas
Caderno Container