Magna Concursos

Foram encontradas 1.100 questões.

509763 Ano: 2018
Disciplina: Engenharia Elétrica
Banca: UFMT
Orgão: Pref. Várzea Grande-MT
Provas:

Com o intuito de utilizar o circuito equivalente do transformador da figura a seguir, necessita-se dos valores dos diferentes parâmetros. Essas especificações são geralmente fornecidas pelos fabricantes dos transformadores de potência. Tais dados podem também ser obtidos utilizando os ensaios de circuito aberto e curto-circuito.

Figura - Circuito equivalente do transformador incluindo as impedâncias de dispersão e as perdas no núcleo Fonte: MOHAN, Ned. 2016.

enunciado 509763-1

Considerando os conceitos sobre ensaios de transformadores, assinale a assertiva correta.

 

Provas

Questão presente nas seguintes provas
509762 Ano: 2018
Disciplina: Engenharia Elétrica
Banca: UFMT
Orgão: Pref. Várzea Grande-MT
Provas:

Uma instalação industrial é composta das seguintes cargas:

• 3 motores trifásicos de 60 cv/220 V com fator de potência 0,70;

• 8 motores trifásicos de 7,5 cv/220 V com fator de potência 0,56;

• 10 motores trifásicos de 3 cv/220 V com fator de potência 0,70;

• 50 lâmpadas fluorescentes de 20 W/220 V, com reator a baixo fator de potência, ou seja, 0,55 em atraso, com perda de 1 W.

A tabela a seguir apresenta as potências ativa e reativa para cada conjunto de carga.

enunciado 509762-1

Com base nas informações, qual é o fator de potência na demanda máxima prevista?

 

Provas

Questão presente nas seguintes provas
509761 Ano: 2018
Disciplina: Engenharia Elétrica
Banca: UFMT
Orgão: Pref. Várzea Grande-MT
Provas:

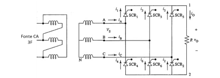
O circuito da figura (a), conhecido como retificador trifásico controlado de onda completa em ponte (retificador de seis-pulsos), é o conversor CA/CC de alta potência mais utilizado em eletrônica de potência.

enunciado 509761-1

Figura (a) - Circuito retificador controlado de seis-pulsos Fonte: Ashfaq Ahmed 2000

A figura (b) apresenta a forma de onda de tensão na carga (vo) para ângulo de atraso α = 0º.

enunciado 509761-2

Figura (b) – Forma de onda de tensão para um circuito em ponte para α = 0º Fonte: Ashfaq Ahmed 2000

Tendo por base as figuras (a) e (b) e a correta operação do circuito, marque a afirmativa correta.

 

Provas

Questão presente nas seguintes provas
509760 Ano: 2018
Disciplina: Engenharia Civil
Banca: UFMT
Orgão: Pref. Várzea Grande-MT
Provas:

Sobre o levantamento planialtimétrico apresentado, analise as afirmativas.

enunciado 509760-1

I - O ângulo interno 1-2-3 é 80º 00’.

II - O rumo do alinhamento 2-3 é 30º SE.

III - A área situa-se em uma depressão.

Está correto o que se afirma em

 

Provas

Questão presente nas seguintes provas
509759 Ano: 2018
Disciplina: Engenharia Civil
Banca: UFMT
Orgão: Pref. Várzea Grande-MT
Provas:
A treliça seguinte está simplesmente apoiada e sujeita a forças nodais P = 10 kN.
enunciado 509759-1
Assinale a alternativa que apresenta valores aproximados das solicitações nas barras f-c, g-c, g-f e g-h em quilonewtons. O sinal positivo indica força de tração e o negativo, compressão.
Adote: sen(30º ) = 0,5 e cos(30º ) = 0,87.
 

Provas

Questão presente nas seguintes provas
509758 Ano: 2018
Disciplina: Engenharia Civil
Banca: UFMT
Orgão: Pref. Várzea Grande-MT
Provas:

Considere a viga simplesmente apoiada com seção transversal constante e feita de material perfeitamente elástico com rigidez à flexão E I, submetida à carga momento M.

Enunciado 509758-1

Assinale a alternativa que apresenta a flecha máxima e a posição xmax onde ela ocorre, medida da extremidade esquerda.

 

Provas

Questão presente nas seguintes provas
509757 Ano: 2018
Disciplina: Engenharia Civil
Banca: UFMT
Orgão: Pref. Várzea Grande-MT
Provas:

Considere o modelo de projeto das armaduras de uma sapata rígida com planta retangular, sendo a dimensão “A” o lado que contém o plano de flexão. A sapata está sujeita à carga excêntrica apresentada na figura seguinte.

Enunciado 509757-1

A força de tração no tirante mais solicitado, que passa pelo nó onde atua R1, é dada por:

 

Provas

Questão presente nas seguintes provas
509756 Ano: 2018
Disciplina: Engenharia Civil
Banca: UFMT
Orgão: Pref. Várzea Grande-MT
Provas:
Na coluna da esquerda, estão imagens de defeitos de secagem em peças de madeira serrada decorrentes da forma em que se deu o desdobramento da tora. Na coluna da direita, estão as designações de cada defeito. Numere a coluna da direita de acordo com a da esquerda.
enunciado 509756-1
Assinale a sequência correta.
 

Provas

Questão presente nas seguintes provas
509755 Ano: 2018
Disciplina: Engenharia Civil
Banca: UFMT
Orgão: Pref. Várzea Grande-MT
Provas:

INSTRUÇÃO: Analise a figura abaixo para responder à questão.


enunciado 509755-1

enunciado 509755-2

As paredes do banheiro serão revestidas de azulejos com dimensões em centímetros de 20 × 30 até a altura de 1,80 m. Desconsiderando todas as aberturas e recortes, assinale a alternativa que apresenta a quantidade de azulejos necessária.
 

Provas

Questão presente nas seguintes provas
509754 Ano: 2018
Disciplina: Engenharia Civil
Banca: UFMT
Orgão: Pref. Várzea Grande-MT
Provas:

INSTRUÇÃO: Analise a figura abaixo para responder à questão.


enunciado 509754-1

enunciado 509754-2

Assinale a alternativa que apresenta a área de emboço paulista a ser executada nas paredes e tetos dos quartos 1 e 2.

Regras de desconto de aberturas: - Se a abertura for menor ou igual a 2,0 m², não descontar; - Se a abertura for maior que 2,0 m², descontar o excedente a 2,0 m².
 

Provas

Questão presente nas seguintes provas