Foram encontradas 40 questões.
Um engenheiro eletricista foi contratado para fazer a inspeção de um sistema de SPDA de um edifício residencial. Para a inspeção do sistema, qual equipamento deve ser utilizado para medir a resistência da malha de aterramento do edifício?
Provas
Pedro é engenheiro de uma grande indústria e foi incumbido de dimensionar um banco de capacitores para um motor antigo que opera com um baixo fator de potência. O motor opera em 220 V, 60 Hz, possui potência de 6 kW e está operando com fator de potência de 0,75. A concessionária local estabelece que o fator de potência deve ser de 0,95. Com base nos dados apresentados, qual deverá ser a capacitância aproximada do banco de capacitores que o engenheiro deverá utilizar?
Dados:
acos(0,75) = 41,40°.
acos(0,95) = 18,19°.
asen(0,87) = 61,04°.
tg(41,40) = 0,8816.
tg(18,19) = 0,3285.
tg(61,04°) = 1,8.
Provas
Em relação ao diagrama unifilar, é correto afirmar que
Provas
O fator de escorregamento de um motor trifásico de indução, com rotor gaiola de esquilo, que possui velocidade de 1100 rpm, 6 polos e que está conectado a uma rede cuja frequência é de 60 Hz é
Provas
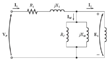
A figura a seguir ilustra o circuito equivalente simplificado por fase de um motor de indução trifásico do tipo gaiola de esquilo.

Considerando a tensão VP = 200 V, R1 = 25 \( Ω \), X1 = 1 \( Ω \), XM = 24 \( Ω \) e RC desprezível, qual será a tensão nos terminais E1 do motor?
Provas
Um engenheiro precisa calcular a componente CC presente na saída de um retificador de meia-onda. Sabe-se que o sinal de entrada possui amplitude de 127 V RMS e que o diodo empregado possui tensão de joelho de 0,7 V. Com base nos dados apresentados, a componente CC na saída do retificador de meia-onda será aproximadamente
Provas
Analise as assertivas e assinale a alternativa que aponta as corretas.
I. A partida direta faz o acionamento do motor com a ligação dos seus terminais diretamente à rede.
II. A partida soft starter faz o uso de tiristores em paralelo para o ajuste da tensão de saída do equipamento.
III. O inversor de frequência faz o uso de técnicas de PWM (Pulse Width Modulation) para controle de tensão e frequência de saída.
Provas
O SPDA é um sistema essencial para a proteção de estruturas contra descargas atmosféricas. De acordo com a NBR 5419, em sua versão de 2015, qual deve ser a máxima resistência de aterramento de uma malha?
Provas
São formas comuns de eletrodo de aterramento, EXCETO
Provas
Qual é a corrente aproximada de partida de um motor de indução trifásico, rotor gaiola de esquilo, cujas características são: 14,7 kW, 220 V e letra código NEMA H?
Considere o código H como 7,1 kVA/HP e 1 HP aproximadamente 735 W.
Provas
Caderno Container