Foram encontradas 40 questões.
Disciplina: Segurança e Saúde no Trabalho (SST)
Banca: FUNDATEC
Orgão: Pref. Tramandaí-RS
Para a realização dos serviços de manutenção elétrica, a NR 10 estabelece uma série de procedimentos que devem ser seguidos para garantir que o sistema está desenergizado e liberado para o trabalho. Para os procedimentos a seguir, assinale a alternativa que apresenta a ordem correta a ser executada.
1. Seccionamento.
2. Constatação de ausência de tensão.
3. Impedimento de reenergização.
4. Instalação de aterramento temporário com equipotencialização.
5. Instalação de sinalização para impedimento de reenergização.
6. Proteção dos elementos energizados existentes na zona controlada.
Provas
Determine o número mínimo de lâmpadas necessárias para um ambiente classe B, conforme imagem abaixo, que requer 750 lux pelo método dos lumens. Para o projeto, será adotada uma lâmpada LED de 11W que possui 810 lm, considerando que o fator de utilização em função da reflexão é de 0,76 e que o ambiente é limpo e será feita manutenção em até 2.500 horas.

Provas
Disciplina: Engenharia Eletrônica
Banca: FUNDATEC
Orgão: Pref. Tramandaí-RS
Considerando que os amplificadores operacionais estão devidamente ligados na alimentação, determine o módulo do ganho de tensão em decibéis para o circuito a seguir.

Provas
Disciplina: Engenharia Eletrônica
Banca: FUNDATEC
Orgão: Pref. Tramandaí-RS
Para o circuito a seguir, determine a potência aproximada no transistor, sabendo que o zener é de 2,7V, a queda de tensão Vbe do transistor 2N2222 é de 0,6V e o Hfe = 20.

Provas
Disciplina: Engenharia Eletrônica
Banca: FUNDATEC
Orgão: Pref. Tramandaí-RS
Um sistema digital apresenta as saídas de S1 a S4 (S1 a saída menos significativa) para as entradas DCBA (Sendo A a entrada menos significativa). Se na entrada do circuito digital for aplicado o valor 0Bh, teremos na saída o seguinte valor hexadecimal:

Provas
Disciplina: Engenharia Eletrônica
Banca: FUNDATEC
Orgão: Pref. Tramandaí-RS
Um engenheiro detectou que havia no circuito abaixo um ruído de 120 π radianos. Para resolver, será necessário projetar um filtro passa baixa de primeira ordem no dobro desta frequência. Sabendo que ele possui para o projeto um capacitor de 100 μF, determine o valor do resistor mais próximo para esta frequência corte sem casas decimais. Considere valor de π = 3,14.

Provas
Um consumidor industrial possui uma carga conectada a uma rede elétrica com tensão de 100V que tem potência aparente de 5000VA e fator de potência de √3/2. A empresa de fornecimento de energia está obrigando os consumidores industriais a adotar um fator de potência unitário. Selecione o valor do banco de capacitores mais próximo para atender a este requisito, considerando a frequência da rede elétrica em 50Hz e o valor de π = 3,14.
Provas
Disciplina: Engenharia Eletrônica
Banca: FUNDATEC
Orgão: Pref. Tramandaí-RS
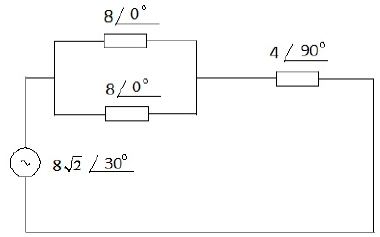
Determine a corrente fornecida pela fonte para o circuito a seguir:

Provas
Considerando que todos os resistores do circuito abaixo têm o mesmo valor, calcule o valor das resistências para que a potência fornecida pela fonte de tensão seja de 9W.

Provas
Determine o valor de Io para o circuito a seguir:

Provas
Caderno Container