Foram encontradas 60 questões.
Disciplina: Desenho Técnico e Industrial
Banca: FCC
Orgão: Pref. Teresina-PI
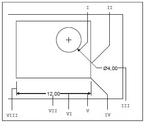
Considere o desenho abaixo.

No AutoCad 2015, os elementos de cotagem identificados por I e IV, são denominados, respectivamente, de
Provas
Disciplina: Segurança e Saúde no Trabalho (SST)
Banca: FCC
Orgão: Pref. Teresina-PI
A NR-18, em seu capítulo que aborda armação de aço, especifica que
Provas
As estacas pré-moldadas cravadas de concreto armado ou protendido, apresentam, entre outros, o inconveniente de que
Provas
Um material plástico muito utilizado na construção civil, aplicado às coberturas, é o policarbonato que tem como propriedades mais importantes:
Provas
Em um sistema de pintura, o produto destinado à selar o revestimento de paredes internas e externas de edificações como argamassa e gesso, promovendo a coesão de partículas soltas, funcionando como um fundo base para nova pintura com tinta ou textura, é denominado
Provas
Madeiras como angelim-pedra, itaúba e sapucaia, são utilizadas em obras de construção civil
Provas
A camada metalizada de óxido de titânio aplicada à superfície do vidro tem como função principal torná-lo
Provas
No detalhamento estrutural de uma construção em aço, cuidados como evitar peças semi-enterradas ou semi-submersas, prever furos de drenagem em quantidade e tamanho suficiente, têm como objetivo fundamental
Provas
De acordo com a norma vigente, no processo completo de transporte do concreto, o tempo para início da descarga e o tempo de aplicação (lançar + adensar), são correta e respectivamente, de
Provas
Na classificação dos aditivos para concreto e argamassa de ação física, a codificação utilizada para aditivos impermeabilizantes é
Provas
Caderno Container