Foram encontradas 50 questões.
Temos um movimento uniformemente variado definido pela equação de espaço s em função do tempo:
s = t2 + t + 20
A expressão de velocidade v, em função do tempo, será dada por
Provas
Questão presente nas seguintes provas
A seção nominal de um condutor cilíndrico de alumínio com o mesmo comprimento e resistência de condutor de cobre, em CC, com comprimento de 10 m e seção de 2,5 mm2, é
Dados:
Temperatura ambiente = 20 ºC
Resistividade do cobre = 1.7×10−8 Ω.m a 20 ºC
Resistividade do alumínio = 2.8×10−8 Ω.m a 20 ºC
Temperatura ambiente = 20 ºC
Resistividade do cobre = 1.7×10−8 Ω.m a 20 ºC
Resistividade do alumínio = 2.8×10−8 Ω.m a 20 ºC
Provas
Questão presente nas seguintes provas
Assinale a alternativa correta em relação ao MS Excel 2010, em sua configuração padrão.
Provas
Questão presente nas seguintes provas
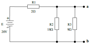
A impedância e a tensão Thevenin entre os pontos a e b do circuito mostrado na figura serão de

Provas
Questão presente nas seguintes provas
A potência ativa P, que flui entre dois pontos de uma rede em regime permanente senoidal com tensões 1,1/30º e 1/0º p.u. interconectadas por uma reatância indutiva 0,5j, é dada em valores p.u. por
Provas
Questão presente nas seguintes provas
Dois corpos têm as seguintes expressões que descrevem seus movimentos no espaço em função do tempo:
s1 = 32 + 3t + 2t2;
s2 = 30 + 4t + 3t2.
s2 = 30 + 4t + 3t2.
O instante de tempo em que esses dois corpos vão se encontrar será de
Provas
Questão presente nas seguintes provas
O diretor de uma firma presenteou seus funcionários com um ingresso para assistir a uma peça de teatro ou para assistir a um show musical. Cada funcionário ganhou apenas um ingresso. O gráfico a seguir indica as escolhas dos 200 funcionários, discriminados por sexo.

A respeito dos dados desse gráfico, analise as afirmações:
I. 40% do total de funcionários optaram por teatro;
II. 55% do total de funcionários são homens;
III. 25% dos que escolheram teatro são homens.
II. 55% do total de funcionários são homens;
III. 25% dos que escolheram teatro são homens.
Está correto o contido em
Provas
Questão presente nas seguintes provas
Determine a velocidade do jato de água na saída do reservatório de grandes dimensões mostrado na figura.
Dados: ρ água = 1000kg/m³ e g = 10m/s².

Lembrar que a equação de Bernoulli garante que:
!$ { \Large { P_1 \over \gamma}} + { \Large { v_1^{2} \over 2 -g}} + Z_1 = { \Large { P_2 \over \gamma}} + { \Large { v_2^{2} \over 2 \cdot g}} + Z_2 !$
onde:
P – pressão
γ – massa específica do fluido
v – velocidade
g –aceleração da gravidade
z – altura
γ – massa específica do fluido
v – velocidade
g –aceleração da gravidade
z – altura
Provas
Questão presente nas seguintes provas
A força que aparece em um fio de 1m conduzido por uma corrente elétrica de 10 A, sujeito a um campo magnético criado por uma corrente de 20 A, que passa em um fio paralelo que está a uma distância de 5 cm, será de
Dados: μo = 4π 10-7 H/m
Provas
Questão presente nas seguintes provas
Para responder às questão, observe a(s) tabela(s) apresentada(s) em cada questão.
Tabela I – Capacidade de Corrente (A)
– Cabo Cu e cobertura de PVC a 30 ºC
– Cabo Cu e cobertura de PVC a 30 ºC
|
Seção (mm2) |
||
|
Modo de Instalação (B) eletroduto embutido em alvenaria |
||
| 2 condutores | 3 condutores | |
| 1,5 | 17,5 | 15,5 |
| 2,5 | 24 | 21 |
| 4 | 32 | 28 |
| 6 | 41 | 36 |
| 10 | 57 | 50 |
| 16 | 76 | 68 |
| 25 | 101 | 89 |
Tabela II – Fator de Agrupamento
|
Disposição dos Cabos |
Número de Circuitos Agrupados |
|||
|
Eletroduto Embutido em Alvenaria |
1 | 2 | 3 | 4 |
| 1 | 0,8 | 0,7 | 0,6 | |
Pelo critério de corrente, a seção do condutor elétrico de baixa tensão de cobre com cobertura de PVC, que alimenta uma carga de 1500 VA, através de um circuito residencial monofásico de 110 V (considerar 3 circuitos por eletroduto embutidos em alvenaria e temperatura ambiente é de 30 ºC), será de
Queda de Tensão Unitária (V / A km)
de um cabo de Cu cobertura de PVC
de um cabo de Cu cobertura de PVC
|
Seção (mm2) |
Queda de Tensão Unitária (V / A km) | |
| Monofásico em eletroduto | ||
|
Fator de potência 0,95 |
Fator de potência 0,8 |
|
| 1,5 | 27,6 | 23,3 |
| 2,5 | 16,9 | 14,3 |
| 4 | 10,6 | 8,96 |
| 6 | 7,07 | 6,03 |
| 10 | 4,23 | 3,63 |
| 16 | 2,68 | 2,32 |
| 25 | 1,71 | 1,51 |
Capacidade de Corrente (A)
– Cabo Cu e cobertura de PVC a 30 ºC
– Cabo Cu e cobertura de PVC a 30 ºC
|
Seção (mm2) |
||
|
Modo de Instalação (B) – eletroduto embutido em alvenaria |
||
| 2 condutores | 3 condutores | |
| 1,5 | 17,5 | 15,5 |
| 2,5 | 24 | 21 |
| 4 | 32 | 28 |
| 6 | 41 | 36 |
| 10 | 57 | 50 |
| 16 | 76 | 68 |
| 25 | 101 | 89 |
O valor nominal da corrente do disjuntor, pelos critérios de sobrecarga, que protege um circuito monofásico de 110 V que utiliza condutor de bitola 2,5 mm2 (Condutor Cu e cobertura de PVC a 30 ºC embutido em alvenaria) e que alimenta uma carga de 1 800 VA, é de
Provas
Questão presente nas seguintes provas
Cadernos
Caderno Container