Foram encontradas 620 questões.
2690275
Ano: 2023
Disciplina: Arquitetura
Banca: CESPE / CEBRASPE
Orgão: Pref. São Cristóvão-SE
Disciplina: Arquitetura
Banca: CESPE / CEBRASPE
Orgão: Pref. São Cristóvão-SE
Provas:
A condução de todo o processo de contratação de obra gira em
torno da avaliação dos custos de sua execução, que podem ser
estimados por diversos métodos, cada qual com nível de precisão
próprio. A avaliação de menor custo que permite que o gestor
analise inicialmente a conveniência do investimento ou a
inviabilidade da obra denomina-se
Provas
Questão presente nas seguintes provas
2690274
Ano: 2023
Disciplina: Arquitetura
Banca: CESPE / CEBRASPE
Orgão: Pref. São Cristóvão-SE
Disciplina: Arquitetura
Banca: CESPE / CEBRASPE
Orgão: Pref. São Cristóvão-SE
Provas:
Assinale a opção que corresponde à parcela do custo de serviço
que não pode ser associada de forma proporcional às quantidades
produzidas.
Provas
Questão presente nas seguintes provas
2690273
Ano: 2023
Disciplina: Arquitetura
Banca: CESPE / CEBRASPE
Orgão: Pref. São Cristóvão-SE
Disciplina: Arquitetura
Banca: CESPE / CEBRASPE
Orgão: Pref. São Cristóvão-SE
Provas:
No banheiro de um canteiro de obras, o número mínimo de
chuveiros, para um grupo de 10 trabalhadores, é igual a
Provas
Questão presente nas seguintes provas
2690272
Ano: 2023
Disciplina: Arquitetura
Banca: CESPE / CEBRASPE
Orgão: Pref. São Cristóvão-SE
Disciplina: Arquitetura
Banca: CESPE / CEBRASPE
Orgão: Pref. São Cristóvão-SE
Provas:
Em uma obra de instalação de estradas de ferro, o tipo de
canteiro de obra mais indicado é o
Provas
Questão presente nas seguintes provas
2690271
Ano: 2023
Disciplina: Arquitetura
Banca: CESPE / CEBRASPE
Orgão: Pref. São Cristóvão-SE
Disciplina: Arquitetura
Banca: CESPE / CEBRASPE
Orgão: Pref. São Cristóvão-SE
Provas:
De acordo com a Resolução CAU n.º 21/2012, o estudo que
contempla os efeitos positivos e negativos de um
empreendimento ou atividade no que se refere à qualidade de
vida da população residente em certa área denomina-se
Provas
Questão presente nas seguintes provas
2690270
Ano: 2023
Disciplina: Arquitetura
Banca: CESPE / CEBRASPE
Orgão: Pref. São Cristóvão-SE
Disciplina: Arquitetura
Banca: CESPE / CEBRASPE
Orgão: Pref. São Cristóvão-SE
Provas:
Segundo a Resolução CAU n.º 21/2012, o projeto de conforto
ambiental que abrange o conjunto de regras e procedimentos
relacionados à organização do ambiente de trabalho e suas
interações entre ser humano, máquinas e equipamentos é o
Provas
Questão presente nas seguintes provas
2690269
Ano: 2023
Disciplina: Arquitetura
Banca: CESPE / CEBRASPE
Orgão: Pref. São Cristóvão-SE
Disciplina: Arquitetura
Banca: CESPE / CEBRASPE
Orgão: Pref. São Cristóvão-SE
Provas:
Assinale a opção em que são apresentadas sansões disciplinares
previstas na Lei n.º 12.378/2010.
Provas
Questão presente nas seguintes provas
2690268
Ano: 2023
Disciplina: Arquitetura
Banca: CESPE / CEBRASPE
Orgão: Pref. São Cristóvão-SE
Disciplina: Arquitetura
Banca: CESPE / CEBRASPE
Orgão: Pref. São Cristóvão-SE
Provas:
Assinale a opção correspondente a atividade do campo de
atuação de arquitetos e urbanistas relacionada às patologias.
Provas
Questão presente nas seguintes provas
2690267
Ano: 2023
Disciplina: Arquitetura
Banca: CESPE / CEBRASPE
Orgão: Pref. São Cristóvão-SE
Disciplina: Arquitetura
Banca: CESPE / CEBRASPE
Orgão: Pref. São Cristóvão-SE
Provas:
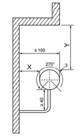
A figura a seguir expressa a empunhadura de objetos
como corrimãos e barras de apoio, que devem manter um
afastamento mínimo da parede ou de outro obstáculo, indicado
na figura por X e, quando estiverem em nichos, devem também
prever uma distância mínima livre, indicado na figura por Y.

De acordo com a NBR n.º 9.050:2015, os valores mínimos de X e Y correspondem, respectivamente, a

De acordo com a NBR n.º 9.050:2015, os valores mínimos de X e Y correspondem, respectivamente, a
Provas
Questão presente nas seguintes provas
2690266
Ano: 2023
Disciplina: Arquitetura
Banca: CESPE / CEBRASPE
Orgão: Pref. São Cristóvão-SE
Disciplina: Arquitetura
Banca: CESPE / CEBRASPE
Orgão: Pref. São Cristóvão-SE
Provas:
Com respeito ao projeto, dimensionamento e execução de
corrimãos em edifícios públicos, assinale a opção correta.
Provas
Questão presente nas seguintes provas
Cadernos
Caderno Container