Foram encontradas 342 questões.
Em uma instalação elétrica, o esquema de aterramento é o TN-S.
A fase de um circuito entra em contato com a carcaça de um
equipamento que estava sendo manipulado por uma pessoa,
fazendo com que ela receba um choque elétrico. O tempo
máximo que essa pessoa pode ficar submetida a esse choque é
de 2 segundos. A curva do disjuntor de proteção desse circuito,
de valor 30 A, é apresentada na figura a seguir.

O menor valor dessa corrente de falta, para que o usuário fique protegido, é aproximadamente igual a

O menor valor dessa corrente de falta, para que o usuário fique protegido, é aproximadamente igual a
Provas
Questão presente nas seguintes provas
A figura a seguir apresenta um sistema trifásico desequilibrado na
configuração estrela-estrela a três fios. As impedâncias
monofásicas que compõem a carga trifásica possuem o mesmo
módulo, porém com ângulos diferentes.

A respeito desse sistema, assinale a afirmativa correta.

A respeito desse sistema, assinale a afirmativa correta.
Provas
Questão presente nas seguintes provas
Uma carga monofásica solicita da fonte de tensão de 50
- 40º V uma potência elétrica igual a 200
160º VA.
A impedância dessa carga é
- 40º V uma potência elétrica igual a 200
160º VA. A impedância dessa carga é
Provas
Questão presente nas seguintes provas
No circuito da figura a seguir, verifica-se a presença de um
resistor de 5Ω, de um indutor de 100 mH e de um capacitor
de1000 µF.

Trata-se de um circuito

Trata-se de um circuito
Provas
Questão presente nas seguintes provas
A figura a seguir apresenta um circuito composto de uma fonte
CC de 90,6 V que alimenta, por meio de uma chave que
inicialmente está aberta, um circuito RC série.
Sabe que o capacitor encontra-se descarregado e o valor do resistor é 10 kΩ. Ao fechar a chave, o valor da corrente elétrica no circuito no instante t igual à constante de tempo do circuito, é
Sabe que o capacitor encontra-se descarregado e o valor do resistor é 10 kΩ. Ao fechar a chave, o valor da corrente elétrica no circuito no instante t igual à constante de tempo do circuito, é
Provas
Questão presente nas seguintes provas
A fonte CC de 33 V do circuito da figura a seguir fornece 132 Wh
de energia elétrica em duas horas.

A energia dissipada pelo resistor R é igual a

A energia dissipada pelo resistor R é igual a
Provas
Questão presente nas seguintes provas
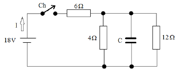
A figura a seguir apresenta um circuito de corrente contínua
inicialmente com a chave Ch aberta.

As intensidades da corrente elétrica I, imediatamente após o fechamento da chave Ch e em regime permanente, são, respectivamente, iguais a

As intensidades da corrente elétrica I, imediatamente após o fechamento da chave Ch e em regime permanente, são, respectivamente, iguais a
Provas
Questão presente nas seguintes provas
Uma fonte de corrente contínua de 12 V alimenta um resistor de
40 Ω. O número mínimo de resistores necessários, desse mesmo
valor, para que a relação das potências da situação final pela
inicial seja igual a 4 é
Provas
Questão presente nas seguintes provas
Uma carga industrial solicita 120 kVA de potência aparente.
Sabendo-se que a relação de reatância indutiva pela resistência -
X/R é igual a 30,5, a potência ativa solicitada por esse circuito é
igual a
Provas
Questão presente nas seguintes provas
Uma fonte senoidal monofásica possui tensão igual a 25 V de
valor médio. O valor da tensão eficaz dessa fonte é igual a
Provas
Questão presente nas seguintes provas
Cadernos
Caderno Container