Foram encontradas 40 questões.
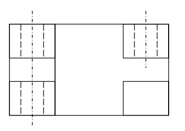
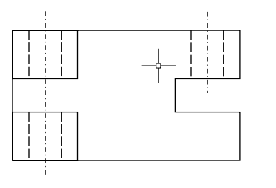
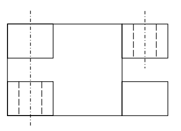
Considere a peça representada em perspectiva isométrica mostrada na figura a seguir.

A vista em planta que representa essa peça é:
Provas
Um motor de indução trifásico aciona uma bomba centrífuga por meio de um acoplamento elástico, operando desse modo por um período superior a 10 anos sem apresentar falhas. Nota-se que após a realização de uma parada e desmontagem para manutenção preventiva ocorreu um desgaste precoce do elemento flexível do acoplamento em curto período. A causa provável desse desgaste é:
Provas
Um motor de indução trifásico possui 9 terminais que permitem configurar a tensão de alimentação de dois modos: Menor Tensão e Maior Tensão. Se a tensão nominal de operação para a conexão de Maior Tensão é de 440 V, a tensão nominal para conexão em Menor Tensão é:
Provas
Um transformador monofásico tem potência aparente nominal de 22 kVA, tensão primária de 440 V e tensão secundária de 88 V. Considere que esse transformador seja alimentado com 380 V. Admitindo que não houve modificação construtiva e que o transformador opera sem perdas, a tensão presente no secundário e seu limite de potência aparente serão, respectivamente:
Provas
A grandeza elétrica que mede a quantidade de trabalho realizado por um fluxo de elétrons em um determinado intervalo de tempo é a definição de:
Provas
Foi solicitado ao eletricista que elaborasse um orçamento para a instalação elétrica de uma unidade de saúde, na qual fosse possível a inserção de valores unitários de itens de material e mão de obra, assim como seu quantitativo, e que calculasse automaticamente os valores totais da obra. A ferramenta computacional que mais se adequa a essa função é:
Provas
O dispositivo de proteção adotado em instalações elétricas de baixa tensão, com o objetivo de proteger o usuário da instalação contra choques elétricos, é o
Provas
Um equipamento elétrico alimentado por um circuito monofásico de 127 V (RMS) apresenta falha em sua isolação, de forma que a resistência entre o terminal de alimentação e a carcaça do equipamento é de 30 kΩ. O usuário, que possui resistência corporal de 5.920 Ω entre sua mão e o ponto de contato à terra, toca inadvertidamente a carcaça do equipamento, que não está aterrada. O valor da corrente de pico que circulará pelo corpo do usuário, provocando um choque elétrico, é:
Provas
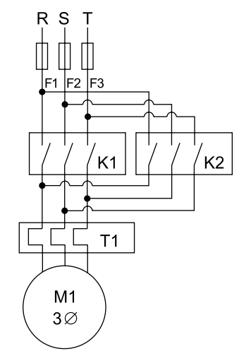
Observe o diagrama de força de um sistema de acionamento semiautomático para um motor elétrico mostrado na figura a seguir:

Trata-se do diagrama de força de uma chave:
Provas
Um motor de indução trifásico é acionado por meio de uma chave de partida estrela-triângulo. Para inverter o sentido de giro desse motor, deve-se:
Provas
Caderno Container