Foram encontradas 40 questões.
Assinale a opção que apresente corretamente o tipo de sistema construtivo para lajes que utiliza formas metálicas colaborantes e que dispensa a colocação de armaduras de tração.
Provas
“O projeto arquitetônico considera soluções diversas e complementares para permitir o uso simples e intuitivo de ambientes e edificações e o atendimento às premissas do Desenho Universal, como a padronização dos espaços e a ausência de obstáculos nas áreas de circulação, minimizando os riscos e as consequências adversas de ações involuntárias e imprevistas.”
(Fonte: ABNT NBR 16537:2016)

Segundo a NBR-16537, na figura mostrada acima, o valor de A+B, bem como o valor de C+D, deve ser
Provas
Diz o Código de Obras do Município de Ouro Branco, no seu artigo 61:
“Os edifícios construídos sobre linhas divisórias e/ou no alinhamento do logradouro público deverão ser providos dos artifícios necessários para não deitarem água sobre o terreno adjacente ou sobre o logradouro.”
Segundo o artigo acima, analise as afirmativas a seguir:
I. Os condutores das fachadas serão embutidos nas paredes.
II. Fica proibida a ligação direta dos condutores à rede de esgoto sanitário.
III. As águas pluviais serão canalizadas por baixo dos passeios, até as sarjetas, não sendo permitidas aberturas nos muros.
IV. Somente será permitido o escoamento de águas pluviais em edificação em linhas divisórias laterais se não contiver abertura nas paredes confinantes, a não ser as que permitam o Código Civil.
Assinale
Provas
LEI DE USO, OCUPAÇÃO E PARCELAMENTO DO SOLO DO MUNICÍPIO DE OURO BRANCO
Art. 39. As áreas de estacionamento são aquelas consideradas destinadas a absorver os veículos das vias de trânsito.
Parágrafo único. O número mínimo exigido de vagas por edificações obedecerá às seguintes proporções:
| Tipo de Empreendimento | Mínimo de Vagas |
| Residências unifamiliares de até 50m2 de área construída | Isento |
| Residências unifamiliares acima de 50m2 de área construída | 1 (uma) vaga |
| Residências multifamiliares | 1 (uma) vaga por unidade |
| Uso não-residencial de até 50m2 de área construída | Isento |
| Uso não-residencial acima de 50m2 de área construída | 1 (uma) vaga para cada 50m2 |
| Centros comerciais | 1 (uma) vaga para cada 35m2 |
| Hotéis | 1 (uma) vaga para cada 5 unidades |
| Indústrias | 1 (uma) vaga para cada 200m2 |
(Fonte: Lei de uso, ocupação e parcelamento do solo do Município de Ouro Branco)
Com base no quadro acima, uma vila com 10 residências unifamiliares de 70m² deverá dispor ao todo de
Provas
Assinale a opção que apresente corretamente uma ferramenta do geoprocessamento, responsável em armazenar, recuperar e editar dados.
Provas
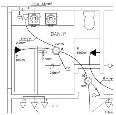
A figura a seguir mostra um trecho da planta de instalação elétrica de uma unidade predial residencial.

Assinale a opção que indique a quantidade de condutores que devem passar no trecho AB de eletroduto da planta apresentada.
Provas
“Conhecida como uma ferramenta para auxiliar nos processos de tomada de decisão, visto que permite uma visão ampla sobre a gestão de uma empresa. Também conhecida como Princípio de Pareto, ou regra 80/20, é uma teoria que prevê que 80% dos efeitos surgem a partir de apenas 20% das causas.”
(Fonte: https://www.mandae.com.br)
O texto acima refere-se
Provas
“A largura das escadas deve ser estabelecida de acordo com o fluxo de pessoas, conforme ABNT NBR 9077.”
(Fonte: ABNT NBR 9050:2015)
Em rotas de acessibilidade, a largura mínima para escadas é de
Provas
“Para inclinação entre 6,25% e 8,33%, é recomendado criar áreas de descanso nos patamares, a cada 50 m de percurso.”
(Fonte: ABNT NBR 9050:2015)

A figura acima mostra um trecho de acesso em rampa provido de dois patamares. Adotando-se uma inclinação de 6.5% para vencer um desnível de 65cm, o comprimento L representado na figura é
Provas
“O percurso entre o estacionamento de veículos e os acessos deve compor uma rota acessível. Quando da impraticabilidade de se executar rota acessível entre o estacionamento e acessos, devem ser previstas, em outro local, vagas de estacionamento para pessoas com deficiência e para pessoas idosas...”
(Fonte: ABNT NBR 9050:2015)
Em referência ao texto acima, a distância máxima da vaga até um acesso acessível deve ser de
Provas
Caderno Container