Foram encontradas 1.857 questões.
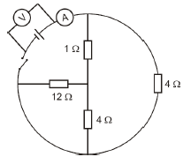
No circuito esquematizado através da figura, o voltímetro ideal indica 12V.

Quando a chave é fechada, o voltímetro continua indicando 12V; nesse caso, o amperímetro, também ideal, indica
Provas
Um negociante comprou 500L de benzeno em Porto Alegre, a 10ºC, para revendê-lo em Maceió. Para facilitar a venda no varejo, decidiu engarrafar o benzeno colocando 0,50L em cada garrafa. Foram necessárias 1030 garrafas para conter todo o benzeno.
O coeficiente de dilatação do benzeno é 12.10–4 ºC-1. O benzeno foi engarrafado em Maceió à temperatura de
Provas
A figura mostra duas partículas A e B que percorrem duas pistas concêntricas em movimento circular uniforme. Verifica-se que, quando se movimentam em mesmo sentido, a partícula mais rápida ultrapassa a mais lenta a cada 36 segundos, e se cruzam a cada 12 segundos, quando se movimentam em sentidos opostos.

Sendo !$ T_A !$, o período de rotação da partícula A e !$ T_B !$, o da partícula B, a razão !$ {\large{T_A \over T_B}} !$ é
Provas
Uma esfera de pequenas dimensões é abandonada na borda de um hemisfério de centro em C, como ilustra a figura.

Se forem desprezíveis todos os atritos, a esfera ficará oscilando no interior do hemisfério entre a borda onde foi abandonada e a borda diametralmente oposta. Nesse caso, sendo g o módulo da aceleração local da gravidade, o módulo do vetor aceleração !$ \vec{a} !$ da esfera enquanto ela oscila entre as bordas é tal que
Provas
A figura mostra uma esfera de raio R e peso P suspensa por uma corda fixa a uma parede sem atrito, a uma distância y acima da esfera.

Sabendo que y = 4.R a razão entre a intensidade do peso da esfera e a força exercida pela parede sobre ela é
Provas
A divisão de controle de qualidade de uma fábrica de termômetros descobriu um termômetro com defeito: ele indica –0,3 para a temperatura de solidificação da água sob pressão normal e +100,2 para a temperatura de ebulição da água sob pressão normal.
A única temperatura na qual a indicação desse termômetro é correta é
Provas
Com relação às ondas, analise as afirmativas a seguir.
I. A cor de um corpo depende da luz incidente e é determinada pela luz que ele reflete.
II. O ultrassom é uma onda eletromagnética utilizada em exames diagnósticos de imagens.
III. A interferência destrutiva perfeita de duas ondas harmônicas exige que elas tenham mesma amplitude.
Está correto o que se afirma em
Provas
Um caminhão se desloca em movimento retilíneo uniforme numa estrada plana, retilínea e horizontal com velocidade !$ \vec{ν_o} !$e suas rodas rolam sem deslizar nessa estrada.
A figura mostra dois pontos A e B de uma das rodas em um determinado instante.

A razão !$ {\large{ \left\vert \vec{ν_A} \right\vert \over \left\vert \vec{ν_B} \right\vert }} !$ é
Provas
Uma partícula é lançada verticalmente para cima a partir do solo, e retorna ao ponto de lançamento após atingir sua altura máxima hmax.
Considerando os atritos desprezíveis, os gráficos que melhor representam como a energia cinética (EC) e a energia potencial gravitacional (EP) da partícula variam em função de sua altura h durante a subida é
Provas
Um elevador está se movendo verticalmente. Sobre seu piso horizontal há um bloco em repouso em relação ao elevador. Com o elevador descendo uniformemente acelerado com uma aceleração !$ \vec{a} !$, o piso exerce sobre o bloco uma força !$ \vec{F_1} !$. Com o elevador descendo em movimento retilíneo uniforme, o piso exerce sobre o bloco uma força !$ \vec{F_2} !$. Com o elevador subindo uniformemente retardado com uma aceleração !$ \vec{a} !$, sendo !$ \left\vert \vec{a} \right\vert = \left\vert \vec{a} \right\vert !$, o piso exerce sobre o bloco uma força !$ \vec{F_3} !$.
!$ \vec{F_1} !$, !$ \vec{F_2} !$ e !$ \vec{F_3} !$, são tais que
Provas
Caderno Container