Foram encontradas 496 questões.
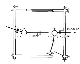
A imagem abaixo refere-se a um diagrama elétrico.

Nesse esquema, está representada a ligação de:
Provas
- EletrotécnicaCircuitos Elétricos em Eletricidade
- EletrotécnicaInstalações Elétricas em Eletricidade
- EletrotécnicaInstalações de Média Tensão
- EletrotécnicaCircuitos de Corrente Contínua e de Corrente Alternada
Provas
Provas
Provas
Farmacovigilância é dada pela com o objetivo de identificar e de avaliar os efeitos do uso agudo ou crônico dos tratamentos farmacológicos no conjunto da população ou em subgrupos de pacientes expostos a determinados tratamentos.
Provas
Provas
A respeito dos riscos à saúde combatidos pela vigilância sanitária, numerar a 2ª coluna de acordo com a 1ª e, após, assinalar a alternativa que apresenta a sequência CORRETA:
(1) Riscos ocupacionais.
(2) Riscos ambientais.
(_) Derivados da comercialização de alimentos produzidos em local insalubre.
(_) Decorrentes de ausência de saneamento básico, promovendo a proliferação de vetores como ratos e baratas.
(_) Observados pela falta ou uso incorreto de EPI (Equipamento de Proteção Individual).
Provas
Provas
Provas
Sobre as diretrizes da Resolução nº 588/2018 — Política Nacional de Vigilância em Saúde, marcar C para a afirmativa Certa, E para a Errada e, após, assinalar a alternativa que apresenta a sequência CORRETA:
(_) Promover a cooperação e o intercâmbio técnico científico no âmbito nacional e internacional.
(_) Inserção da vigilância em saúde no processo de regionalização das ações e serviços de saúde.
Provas
Caderno Container