Foram encontradas 40 questões.
Com relação às técnicas de cotagem de um desenho,
é correto afirmar:
Provas
Questão presente nas seguintes provas
Analise esta peça, representada em vistas ortográficas.

Assinale a alternativa que apresenta essa peça representada em perspectiva isométrica.
Provas
Questão presente nas seguintes provas
932349
Ano: 2019
Disciplina: Engenharia Eletrônica
Banca: FUNDEP
Orgão: Pref. Lagoa Santa-MG
Disciplina: Engenharia Eletrônica
Banca: FUNDEP
Orgão: Pref. Lagoa Santa-MG
Provas:
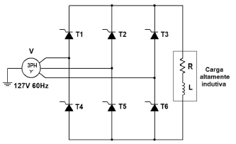
Analise o circuito a seguir.

Após análise, é correto afirmar:
Provas
Questão presente nas seguintes provas
932348
Ano: 2019
Disciplina: Engenharia Eletrônica
Banca: FUNDEP
Orgão: Pref. Lagoa Santa-MG
Disciplina: Engenharia Eletrônica
Banca: FUNDEP
Orgão: Pref. Lagoa Santa-MG
Provas:
Analise o circuito a seguir.

Após análise desse circuito, a função implementada é de um
Provas
Questão presente nas seguintes provas
932347
Ano: 2019
Disciplina: Engenharia Eletrônica
Banca: FUNDEP
Orgão: Pref. Lagoa Santa-MG
Disciplina: Engenharia Eletrônica
Banca: FUNDEP
Orgão: Pref. Lagoa Santa-MG
Provas:
Analise o mapa de Karnaugh a seguir.
A equação simplificada a partir desse mapa é:
Provas
Questão presente nas seguintes provas
Analise o quadro a seguir, em que se relacionam as
vantagens de um dispositivo de proteção.
Ampla faixa de ajuste com vários degraus. Apresenta segurança operacional. Diagnóstico de falha por meio de armazenamento de dados de falha. Elevada confiabilidade devido à autossupervisão. Elevada precisão devido à tecnologia utilizada. Pequeno consumo de energia. Permite ajustes à distância. Possibilidade de comunicação com sistema supervisório.
Após análise, é correto afirmar que essas vantagens se referem aos relés
Ampla faixa de ajuste com vários degraus. Apresenta segurança operacional. Diagnóstico de falha por meio de armazenamento de dados de falha. Elevada confiabilidade devido à autossupervisão. Elevada precisão devido à tecnologia utilizada. Pequeno consumo de energia. Permite ajustes à distância. Possibilidade de comunicação com sistema supervisório.
Após análise, é correto afirmar que essas vantagens se referem aos relés
Provas
Questão presente nas seguintes provas
Analise a lista a seguir.
Determinação da capacidade de ruptura dos
disjuntores.
Determinação das capacidades térmicas e
dinâmicas dos equipamentos elétricos.
Dimensionamento das proteções.
Dimensionamento da seção dos condutores do
circuito elétrico.
Dimensionamento da seção dos condutores de
malha de terra.
Nessa lista, encontram-se aplicações práticas para as
Nessa lista, encontram-se aplicações práticas para as
Provas
Questão presente nas seguintes provas
- Instalações ElétricasEquipamentos em Média Tensão
- Sistemas Elétricos de PotênciaDistribuição de Energia Elétrica
Analise as seguintes afirmativas referentes ao projeto de
instalações elétricas, assinalando com V as verdadeiras
e com F as falsas.
( ) Na cozinha, atribui-se no mínimo 600 VA por ponto de tomada, até três tomadas, e 100 VA por ponto de tomada excedente. ( ) A iluminação em áreas externas segue os mesmos critérios para o cálculo da iluminação de cômodos ou dependências da residência. ( ) Os pontos das tomadas de uso específico são localizados no máximo a 1,5 metros do ponto previsto para a localização do equipamento. ( ) No quadro de distribuição, encontram-se instalados: DTM, DR, DPS, e os barramentos: de neutro, de terra e de interligações das fases.
Assinale a sequência correta.
( ) Na cozinha, atribui-se no mínimo 600 VA por ponto de tomada, até três tomadas, e 100 VA por ponto de tomada excedente. ( ) A iluminação em áreas externas segue os mesmos critérios para o cálculo da iluminação de cômodos ou dependências da residência. ( ) Os pontos das tomadas de uso específico são localizados no máximo a 1,5 metros do ponto previsto para a localização do equipamento. ( ) No quadro de distribuição, encontram-se instalados: DTM, DR, DPS, e os barramentos: de neutro, de terra e de interligações das fases.
Assinale a sequência correta.
Provas
Questão presente nas seguintes provas
Analise o circuito a seguir em que três pontas de prova (PB) foram inseridas para medidas de tensão e corrente.

Após análise desse circuito, é correto afirmar:

Após análise desse circuito, é correto afirmar:
Provas
Questão presente nas seguintes provas
Analise a seguir a placa de identificação de um motor.

Após analise dessa placa de identificação, é correto afirmar:

Após analise dessa placa de identificação, é correto afirmar:
Provas
Questão presente nas seguintes provas
Cadernos
Caderno Container