Foram encontradas 30 questões.
Em instalações elétricas são utilizados dispositivos
capazes de ligar ou desligar circuitos, de unir equipamentos elétricos com o fornecimento de energia e de
proteger as instalações contra sobrecargas e curtos-circuitos.
Dentre os dispositivos utilizados em instalações elétricas de baixa tensão empregado para proteção contra curtos-circuitos tem-se
Dentre os dispositivos utilizados em instalações elétricas de baixa tensão empregado para proteção contra curtos-circuitos tem-se
Provas
Questão presente nas seguintes provas
A qualidade da energia elétrica é de suma importância
para que equipamentos e dispositivos operem de maneira correta. Assuntos como harmônicos, variação
de curta duração e flutuação de tensão (flicker) são
pertinentes à qualidade da energia elétrica. Na Figura
1 são apresentadas classificações, denominações,
durações e relações de amplitude de tensão, dadas
em p.u (por unidade), das Variações de Tensão de
Curta Duração (VTCD).
Na Figura 2 é mostrado um gráfico com valores eficazes da tensão devido a um distúrbio em um barramento de alimentação ao longo do tempo. Sabe-se nos primeiros instantes a tensão eficaz está em regime, operando com valor de 1 p.u (por unidade), em seguida ocorre um distúrbio e posteriormente a tensão retorna à condição de regime. O distúrbio está incluso no grupo de Variações de Tensão de Curta Duração (VTCD). Ainda, o barramento de alimentação possui frequência nominal de 60 Hz.
Baseado no exposto, a Variação de Tensão de Curta Duração apresentada possui classificação e denominação, respectivamente, de
Na Figura 2 é mostrado um gráfico com valores eficazes da tensão devido a um distúrbio em um barramento de alimentação ao longo do tempo. Sabe-se nos primeiros instantes a tensão eficaz está em regime, operando com valor de 1 p.u (por unidade), em seguida ocorre um distúrbio e posteriormente a tensão retorna à condição de regime. O distúrbio está incluso no grupo de Variações de Tensão de Curta Duração (VTCD). Ainda, o barramento de alimentação possui frequência nominal de 60 Hz.
Baseado no exposto, a Variação de Tensão de Curta Duração apresentada possui classificação e denominação, respectivamente, de
Provas
Questão presente nas seguintes provas
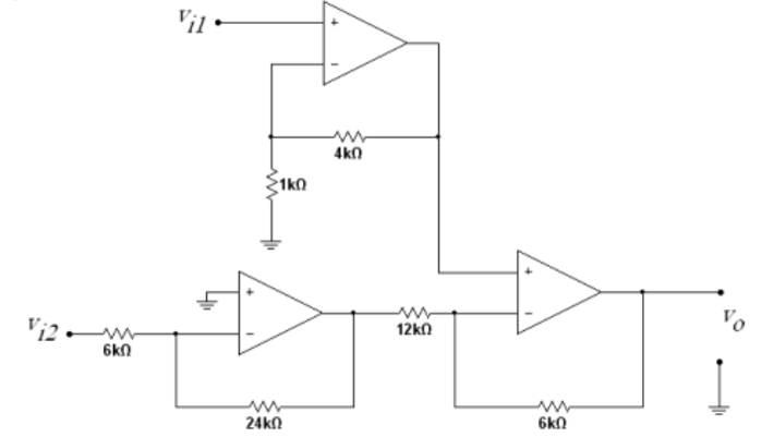
Os amplificadores operacionais (Amp-op) podem ser
empregados, como exemplos, no aumento de um sinal, bem como, na soma ou na subtração entre sinais.
Seja o circuito, mostrado na Figura a seguir, o qual
possui três amplificadores operacionais. Os sinais de
entrada no circuito são vi1 e vi2 e o sinal de saída é
representado por vo.
Acerca do circuito apresentado, avalie as afirmativas a seguir.
I. Caso os valores das tensões vi1 e vi2 forem, respectivamente, de -1,5 e +1,5 volts, o valor do sinal de saída vo será de -9,5 volts.
II. Caso os valores das tensões vi1 e vi2 forem, respectivamente, de +0,5 e +1 volts, o valor do sinal de saída vo será de +4,15 volts.
III. Caso os valores das tensões vi1 e vi2 forem, respectivamente, de +1 e +1 volts, o valor do sinal de saída vo será de +9,5 volts.
É correto apenas o que se afirma em
Acerca do circuito apresentado, avalie as afirmativas a seguir.
I. Caso os valores das tensões vi1 e vi2 forem, respectivamente, de -1,5 e +1,5 volts, o valor do sinal de saída vo será de -9,5 volts.
II. Caso os valores das tensões vi1 e vi2 forem, respectivamente, de +0,5 e +1 volts, o valor do sinal de saída vo será de +4,15 volts.
III. Caso os valores das tensões vi1 e vi2 forem, respectivamente, de +1 e +1 volts, o valor do sinal de saída vo será de +9,5 volts.
É correto apenas o que se afirma em
Provas
Questão presente nas seguintes provas
- Conceitos BásicosMateriais Elétricos
- Circuitos Elétricos
- Eletromagnetismo
- Sistemas Elétricos de PotênciaAnálise de SEPFluxo de Potência, Estabilidade e Regulação
Na engenharia, os filtros ativos e/ou passivos são empregados para eliminar ou atenuar frequências indesejadas presentes, como exemplos, em formas de
onda ou de corrente em circuitos elétricos ou eletrônicos. A função de transferência de um filtro, dada em
função da frequência complexa angular jω, que relaciona o sinal de tensão de saída pelo sinal de tensão de
entrada em um filtro, é dada por
H(jω) = (100. jω)/(( jω)2 +100. jω + 10000)
Acerca da função de transferência, bem como, do filtro em questão, avalie as afirmativas a seguir.
I. O filtro possui atenuação de -20 dB/década após a sua frequência de corte superior.
II. O módulo da atenuação do filtro para frequência angular de 100 radianos por segundo é igual a 0,707.
III. A frequência de corte inferior do filtro é de aproximadamente 10 radianos por segundo.
É correto apenas o que se afirma em
H(jω) = (100. jω)/(( jω)2 +100. jω + 10000)
Acerca da função de transferência, bem como, do filtro em questão, avalie as afirmativas a seguir.
I. O filtro possui atenuação de -20 dB/década após a sua frequência de corte superior.
II. O módulo da atenuação do filtro para frequência angular de 100 radianos por segundo é igual a 0,707.
III. A frequência de corte inferior do filtro é de aproximadamente 10 radianos por segundo.
É correto apenas o que se afirma em
Provas
Questão presente nas seguintes provas
Seja um circuito RC série (resistor mais capacitor ligado em série), o qual é alimentado por uma fonte de
tensão em corrente alternada. A fonte de tensão é
ideal e alimenta exclusivamente o circuito em questão
tem frequência de 60 Hz. Na Figura (a), mostrada seguir são apresentadas as formas de onda de tensão e
de corrente obtidas na fonte de tensão que alimenta o
circuito em questão. Na Figura (b) são ilustrados em
detalhe (zoom) das formas de onda de tensão e de corrente apresentadas na Figura (a).
O valor do módulo da defasagem angular entre a corrente a tensão é de
O valor do módulo da defasagem angular entre a corrente a tensão é de
Provas
Questão presente nas seguintes provas
Os controladores lógicos programáveis (CLPs) podem ser programados por meio da linguagem LADDER. Na programação em LADDER podem ser feitas
lógicas do tipo E e OU, bem como, a lógica de retenção, a qual é aplicada geralmente em acionamentos de
motores.
Na Figura a seguir é apresentado parte de um programa em linguagem LADDER.
Acerca do funcionamento e da lógica do referido programa que está apresentado na Figura, avalie as afirmativas.
I. A lógica do tipo OU ocorre entre as entradas digitais que possuem os endereços I8.5 e I8.7.
II. A lógica do tipo E é empregada no programa por meio das entradas digitais que possuem os endereços I8.5 e I8.6.
III. A lógica de retenção é empregada no programa.
É correto apenas o que se afirma em
Na Figura a seguir é apresentado parte de um programa em linguagem LADDER.
Acerca do funcionamento e da lógica do referido programa que está apresentado na Figura, avalie as afirmativas.
I. A lógica do tipo OU ocorre entre as entradas digitais que possuem os endereços I8.5 e I8.7.
II. A lógica do tipo E é empregada no programa por meio das entradas digitais que possuem os endereços I8.5 e I8.6.
III. A lógica de retenção é empregada no programa.
É correto apenas o que se afirma em
Provas
Questão presente nas seguintes provas
A medição de temperatura em uma estufa é feita por
meio de um sensor analógico. Sabe-se que se a temperatura for de 0 ºC ou de 100 ºC, os valores de corrente elétrica no sensor serão, respectivamente, de 4
mA ou de 20 mA. Essa caraterística de temperatura
versus corrente elétrica é linear no sensor.
Se a temperatura que medida pelo sensor for de 60 ºC, o valor da corrente elétrica no sensor será de
Se a temperatura que medida pelo sensor for de 60 ºC, o valor da corrente elétrica no sensor será de
Provas
Questão presente nas seguintes provas
Os motores de indução trifásicos estão presentes comerciais e industriais. A especificação correta dos
motores de indução trifásico evitam que estas máquinas sofram danos e que realizem corretamente a sua
função, a qual é de realizar trabalho.
Sobre a especificação de motores elétricos de indução trifásicos, avalie as afirmativas a seguir.
I. Conforme as suas características de conjugado em relação à velocidade e corrente de partida, os motores de indução trifásicos com rotor de gaiola são classificados em categorias. As três principais categorias de conjugados em relação à velocidade de motores de indução trifásicos comercializados no Brasil são K, W e Z.
II. Para verificar se o motor consegue acionar uma determinada carga é necessário saber o tempo de aceleração. Pode-se dizer que o tempo de aceleração é o tempo medido desde o instante em que o conjunto, motor mais carga, é acionado até que seja atingida a rotação em regime.
III. O momento de inércia da carga acionada é uma das características fundamentais para verificar, através do tempo de aceleração, se o motor consegue acionar a carga dentro das condições exigidas pelo ambiente ou pela estabilidade térmica do material isolante.
É correto apenas o que se afirma em
Sobre a especificação de motores elétricos de indução trifásicos, avalie as afirmativas a seguir.
I. Conforme as suas características de conjugado em relação à velocidade e corrente de partida, os motores de indução trifásicos com rotor de gaiola são classificados em categorias. As três principais categorias de conjugados em relação à velocidade de motores de indução trifásicos comercializados no Brasil são K, W e Z.
II. Para verificar se o motor consegue acionar uma determinada carga é necessário saber o tempo de aceleração. Pode-se dizer que o tempo de aceleração é o tempo medido desde o instante em que o conjunto, motor mais carga, é acionado até que seja atingida a rotação em regime.
III. O momento de inércia da carga acionada é uma das características fundamentais para verificar, através do tempo de aceleração, se o motor consegue acionar a carga dentro das condições exigidas pelo ambiente ou pela estabilidade térmica do material isolante.
É correto apenas o que se afirma em
Provas
Questão presente nas seguintes provas
Suponha que o motor de indução trifásico em questão
será acionado por um conversor de frequência. A
curva, V/f, que relaciona a porcentagem da tensão de
linha nominal versus frequência que foi fornecido pelo
conversor de frequência para alimentar o motor em
questão está mostrada na Figura a seguir. A frequência nominal do motor é de 60 Hz.
I. Na região de enfraquecimento de campo, a relação V/f possui valor constante com a variação da frequência.
PORQUE
II. Na região de operação para frequências abaixo da nominal do motor, a tensão de alimentação é menor que a tensão nominal com o intuito de evitar o aumento da corrente drenada pelo motor.
A respeito dessas asserções, assinale a opção correta.
I. Na região de enfraquecimento de campo, a relação V/f possui valor constante com a variação da frequência.
PORQUE
II. Na região de operação para frequências abaixo da nominal do motor, a tensão de alimentação é menor que a tensão nominal com o intuito de evitar o aumento da corrente drenada pelo motor.
A respeito dessas asserções, assinale a opção correta.
Provas
Questão presente nas seguintes provas
- Medidas Elétricas
- Eletromagnetismo
- Transformadores e Máquinas Elétricas
- Sistemas Elétricos de PotênciaAnálise de SEP
Em uma empresa está instalado um motor com potência nominal de 50 kW. O motor está trabalhando com
70% da carga nominal. O rendimento do motor para a
condição de carga apresentadas é de 85%. O valor
pago pela empresa para a energia no horário de ponta
é de 0,6 R$(kW.h), sessenta centavos de reais por quilowatt-hora. O valor pago pela empresa para a energia
no horário fora de ponta é de 0,4 R$(kW.h), quarenta
centavos de reais por quilowatt-hora.
O valor das perdas do motor para as condições apresentadas é de aproximadamente
O valor das perdas do motor para as condições apresentadas é de aproximadamente
Provas
Questão presente nas seguintes provas
Cadernos
Caderno Container