Foram encontradas 691 questões.
O fornecimento de energia elétrica do município de
Joaçaba é realizado pela concessionária de energia
Celesc. De acordo com as normativas da
concessionária, será atendida em tensão secundária
de distribuição a unidade consumidora com carga
instalada igual ou inferior a 75 kW, sendo
classificadas, de acordo com a carga instalada em:
tipo monofásica a 2 fios, tipo monofásica a 3 fios, tipo
bifásico a 3 fios e tipo trifásico a 4 fios. Um eletricista, utilizando os equipamentos e EPIs
adequados, realizou a medição em um quadro de
distribuição de energia cuja alimentação é realizada
por um fornecimento do tipo trifásico a 4 fios. Ele
realizou duas medições de tensão, sendo a primeira
entre a fase e o neutro e, a segunda medição, entre
duas fases. Considerando o contexto exposto, assinale a
alternativa que corresponde aos valores esperados
para essas duas medições de tensão elétrica.
Provas
Questão presente nas seguintes provas
Considere a fonte de alimentação representada a seguir.

Os blocos 1 e 2 representam, respectivamente:
Provas
Questão presente nas seguintes provas
Os sistemas de aterramento e equipotencialização
são parte integrante das instalações elétricas.
Considere a instalação de um poste metálico em aço
galvanizado, engastado no solo, utilizado para
iluminação em uma praça pública. Considerando a instalação elétrica descrita, analise as
afirmativas a seguir e assinale a alternativa correta.
Provas
Questão presente nas seguintes provas
A norma NBR 5410 dispõe sobre instalações elétricas
em baixa tensão. A respeito dessa norma e de
aspectos práticos de sua aplicação, avalie as
asserções a seguir e a relação proposta entre elas.
I. É possível utilizar um mesmo disjuntor para lâmpadas e tomadas em uma instalação, desde que a capacidade do disjuntor seja adequada para a carga total desses circuitos.
PORQUE
II. A existência de equipamentos de segurança em instalações elétricas é opcional e não obrigatória, pois têm apenas a função de proteger os trabalhadores inexperientes de possíveis riscos elétricos, como choques e curtos-circuitos.
Analisando a relação proposta entre as asserções, assinale a opção correta.
I. É possível utilizar um mesmo disjuntor para lâmpadas e tomadas em uma instalação, desde que a capacidade do disjuntor seja adequada para a carga total desses circuitos.
PORQUE
II. A existência de equipamentos de segurança em instalações elétricas é opcional e não obrigatória, pois têm apenas a função de proteger os trabalhadores inexperientes de possíveis riscos elétricos, como choques e curtos-circuitos.
Analisando a relação proposta entre as asserções, assinale a opção correta.
Provas
Questão presente nas seguintes provas
De acordo com as normas técnicas da ABNT e da
concessionária de energia Celesc, em instalações
elétricas de baixa tensão, a cor indicada para o
isolamento do condutor de neutro é
Provas
Questão presente nas seguintes provas
Analise os diagramas esquemáticos apresentado na Figura a seguir.

Assinale a alternativa que indica o tipo de partida apresentado no diagrama.
Provas
Questão presente nas seguintes provas
A norma técnica de instalações elétricas de baixa
tensão (ABNT NBR 5410) especifica seções mínimas
de condutores elétricos para diferentes aplicações. De
acordo com essa norma, a seção mínima de
condutores de cobre isolados para utilização em
circuitos de iluminação, é
Provas
Questão presente nas seguintes provas
Um transformador é um equipamento elétrico com a
capacidade de converter um nível de tensão CA em
outro nível de tensão CA. Considere o sistema elétrico
apresentado na Figura a seguir, em que uma rede
elétrica com tensão de 3000 V alimenta, por meio de
um transformador ideal, uma carga de 10 Ω que
funciona com tensão de 300 V.
Analisando-se o circuito elétrico apresentado, assinale a alternativa que indica corretamente quais são, respectivamente, a potência aparente e a corrente elétrica no primário do transformador.
Analisando-se o circuito elétrico apresentado, assinale a alternativa que indica corretamente quais são, respectivamente, a potência aparente e a corrente elétrica no primário do transformador.
Provas
Questão presente nas seguintes provas
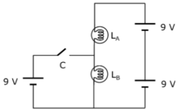
No circuito elétrico representado na sequência, as lâmpadas LA e LB são idênticas e as fontes e fios de conexão são ideais.

Quando a chave C é fechada, é correto afirmar que
Provas
Questão presente nas seguintes provas
No circuito de alimentação do motor de um portão
automático, a corrente de projeto vale 12 A e a
capacidade de condução de corrente do condutor é 24
A.
Nesse caso, para uma adequada coordenação entre os condutores e o dispositivo de proteção, é necessário que o disjuntor deva ter corrente nominal igual a
Nesse caso, para uma adequada coordenação entre os condutores e o dispositivo de proteção, é necessário que o disjuntor deva ter corrente nominal igual a
Provas
Questão presente nas seguintes provas
Cadernos
Caderno Container