Foram encontradas 30 questões.
Avalie as afirmações seguintes sobre o comportamento de
um indutor:
I – um indutor armazena energia na forma de campo magnético.
II – um indutor se opõe a variações de corrente.
III – um indutor sempre facilita a variação de corrente em um circuito elétrico.
IV – num indutor a corrente está na mesma fase que a tensão.
É correto o que se afirma em:
I – um indutor armazena energia na forma de campo magnético.
II – um indutor se opõe a variações de corrente.
III – um indutor sempre facilita a variação de corrente em um circuito elétrico.
IV – num indutor a corrente está na mesma fase que a tensão.
É correto o que se afirma em:
Provas
Questão presente nas seguintes provas
A eletrônica analógica usa sinais elétricos para representar
grandezas físicas como calor ou pressão, refletindo
mudanças proporcionais nesses fenômenos. Em
contraste, o sinal digital é simples, representado por zeros
e uns. Assim, qual é a representação binária para o
número 76?
Provas
Questão presente nas seguintes provas
A NBR 5410:2004 estabelece que, para os condutores de
fase com seção de 70 mm2, a seção do condutor neutro
poderá ser de:
Provas
Questão presente nas seguintes provas
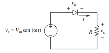
Determine a corrente média e a potência média absorvida
pela carga em um retificador de meia onda, cuja fonte é
uma onda senoidal de 120 V rms a 60 Hz. A resistência na
carga é de 10 Ω e a tensão no resistor é uma onda senoidal
retificada em meia onda e valor de pico.


Provas
Questão presente nas seguintes provas
Interprete as seguintes afirmações sobre distorções
harmônicas de tensão e corrente:
I – são distorções, em regime permanente, ou semipermanente, da forma de onda de tensão ou de corrente, geralmente causadas por dispositivos (cargas) não lineares existentes no sistema.
II – as correntes harmônicas no sistema de distribuição causam mais perdas de energia, reduzem a capacidade de transportar demanda e podem levar a ressonâncias em certos pontos, resultando em danos às instalações devido a sobretensões harmônicas.
III – causam sobreaquecimento de transformadores e motores, falhas e operações inadequadas de disjuntores e relés de proteção, mas não podem causar queima de componentes como capacitores e fusíveis.
IV – geram fenômenos de longa duração, assim como as variações de tensão de longa duração, e ocorrem em sistemas trifásicos devido a diversos fatores, como o modo de ligação de cargas e a assimetria existente nas redes elétricas.
É incorreto o que se afirma em:
I – são distorções, em regime permanente, ou semipermanente, da forma de onda de tensão ou de corrente, geralmente causadas por dispositivos (cargas) não lineares existentes no sistema.
II – as correntes harmônicas no sistema de distribuição causam mais perdas de energia, reduzem a capacidade de transportar demanda e podem levar a ressonâncias em certos pontos, resultando em danos às instalações devido a sobretensões harmônicas.
III – causam sobreaquecimento de transformadores e motores, falhas e operações inadequadas de disjuntores e relés de proteção, mas não podem causar queima de componentes como capacitores e fusíveis.
IV – geram fenômenos de longa duração, assim como as variações de tensão de longa duração, e ocorrem em sistemas trifásicos devido a diversos fatores, como o modo de ligação de cargas e a assimetria existente nas redes elétricas.
É incorreto o que se afirma em:
Provas
Questão presente nas seguintes provas
Qual componente é utilizado como chave de potência no
conversor CC-CC, também conhecido como Chopper
Control, para obter um controle linear na tensão de
alimentação?
Avalie as opções correspondentes e assinale (V) para verdadeiro e (F) para falso:
( ) Transistores de efeito de campo (FETs)
( ) Retificadores de onda completa
( ) Diodos de junção PN
( ) Retificadores controlados de silício (SCRs)
Avalie as opções correspondentes e assinale (V) para verdadeiro e (F) para falso:
( ) Transistores de efeito de campo (FETs)
( ) Retificadores de onda completa
( ) Diodos de junção PN
( ) Retificadores controlados de silício (SCRs)
Provas
Questão presente nas seguintes provas
O que é uma Tarifa Convencional Monômia?
Provas
Questão presente nas seguintes provas
O fator de demanda individual dos três
transformadores representados pela Figura a seguir, são:


Provas
Questão presente nas seguintes provas
De acordo com a NBR 5410:2004, qual é a seção mínima
dos condutores nus utilizados em circuitos de sinalização
e circuitos de controle para instalações fixas em geral?
Provas
Questão presente nas seguintes provas
Interprete as seguintes afirmações quanto ao processo de
desenergização do indutor em corrente contínua:
I – A abrir a chave, a fonte de alimentação é desligada do circuito e a corrente decresce exponencialmente à constante de tempo τ. Isso ocorre porque a energia armazenada no indutor é gradualmente dissipada.
II – Após abrir a chave, o indutor gera uma corrente e uma tensão opostas às anteriores, conforme a Lei de Faraday. Essas correntes e tensões surgem para tentar evitar a queda abrupta da corrente, mantendo a continuidade do fluxo de corrente.
III – Após uma constante de tempo, o indutor age como fonte de corrente, reduzindo a tensão inicial. Após três constantes a tensão se anula, indicando que o indutor perdeu toda a energia armazenada.
É correto o que se afirma em:
I – A abrir a chave, a fonte de alimentação é desligada do circuito e a corrente decresce exponencialmente à constante de tempo τ. Isso ocorre porque a energia armazenada no indutor é gradualmente dissipada.
II – Após abrir a chave, o indutor gera uma corrente e uma tensão opostas às anteriores, conforme a Lei de Faraday. Essas correntes e tensões surgem para tentar evitar a queda abrupta da corrente, mantendo a continuidade do fluxo de corrente.
III – Após uma constante de tempo, o indutor age como fonte de corrente, reduzindo a tensão inicial. Após três constantes a tensão se anula, indicando que o indutor perdeu toda a energia armazenada.
É correto o que se afirma em:
Provas
Questão presente nas seguintes provas
Cadernos
Caderno Container