Magna Concursos

Foram encontradas 40 questões.

939374 Ano: 2019
Disciplina: Engenharia Elétrica
Banca: UFPR
Orgão: Pref. Curitiba-PR
Provas:

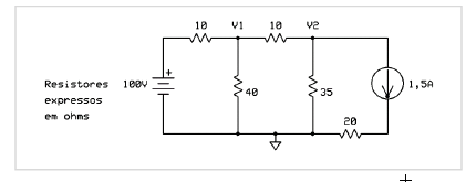
O valor da SOMA das tensões nodais V1 e V2 é de:

enunciado 939374-1

 

Provas

Questão presente nas seguintes provas
939373 Ano: 2019
Disciplina: Engenharia Elétrica
Banca: UFPR
Orgão: Pref. Curitiba-PR
Provas:

A soma das correntes de malha I1, I2 e I3 resulta em:

enunciado 939373-1

 

Provas

Questão presente nas seguintes provas
939372 Ano: 2019
Disciplina: Engenharia Elétrica
Banca: UFPR
Orgão: Pref. Curitiba-PR
Provas:

Com os capacitores C1 e C2 completamente descarregados, a chave S1 é fechada em t = 0 s e a chave S2 é fechada em t = 20 s. Qual é o valor instantâneo da tensão de saída vO em t = 21 s?

enunciado 939372-1

 

Provas

Questão presente nas seguintes provas
939371 Ano: 2019
Disciplina: Engenharia Elétrica
Banca: UFPR
Orgão: Pref. Curitiba-PR
Provas:

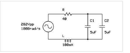
O gerador do circuito ao lado fornece uma tensão de forma de onda senoidal sem distorção. Qual é a potência RMS fornecida por esse gerador?

enunciado 939371-1

 

Provas

Questão presente nas seguintes provas
939370 Ano: 2019
Disciplina: Engenharia Elétrica
Banca: UFPR
Orgão: Pref. Curitiba-PR
Provas:

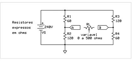
No circuito ao lado, uma carga resistiva variável continuamente de 0 a 500 enunciado 939370-1é conectada aos terminais A e B. Qual é a máxima potência que pode ser desenvolvida sobre essa carga variável?

enunciado 939370-2

 

Provas

Questão presente nas seguintes provas
939369 Ano: 2019
Disciplina: Engenharia Elétrica
Banca: UFPR
Orgão: Pref. Curitiba-PR
Provas:

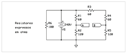
No circuito ao lado, os circuitos equivalentes de Thevenin e de Norton, do ponto de vista dos terminais A e B (considerando A em relação a B), podem ser descritos pelos parâmetros:

enunciado 939369-1

 

Provas

Questão presente nas seguintes provas
Assinale a alternativa escrita corretamente, de acordo com a norma padrão da língua.
 

Provas

Questão presente nas seguintes provas
enunciado 939267-1

Considere os seguintes empregos da partícula “se” no texto:

1. “Esses efeitos se alteram...” (1º parágrafo).

2. “...lembrar de um objeto quando se deparavam com ele enquanto inspiravam” (2º parágrafo).

3. “A descoberta levou os cientistas a se perguntar...” (5º parágrafo).

4. “...descobriram que os participantes do experimento se lembraram melhor quando tinham encarado as imagens...” (7º parágrafo).

A partícula está empregada como pronome reflexivo em:

 

Provas

Questão presente nas seguintes provas
enunciado 939266-1

Com base no texto, considere as seguintes afirmativas:

1. A palavra “encaravam” está empregada no texto em sentido conotativo.

2. Na frase “Outro insight potencial da pesquisa...”, “potencial” significa que se trata de algo ainda a ser comprovado.

3. O estudo visa monitorar as reações no cérebro das pessoas quando elas sentem medo.

Assinale a alternativa correta.

 

Provas

Questão presente nas seguintes provas
enunciado 939265-1

Com base no texto, considere as seguintes afirmativas:

1. Na frase “Quando encaravam as fotos durante a inspiração, os indivíduos as reconheciam como amedrontadas mais rapidamente do que quando faziam o mesmo durante a expiração”, a expressão sublinhada introduz a ideia de proporção.

2. Na frase “Quando a pessoa inspira, em certa medida está sincronizando oscilações cerebrais por meio da rede límbica”, o termo sublinhado introduz uma relação temporal.

3. Na frase “O efeito desaparecia se eles estivessem respirando pela boca”, o termo sublinhado estabelece entre as partes uma relação causal.

Assinale a alternativa correta.

 

Provas

Questão presente nas seguintes provas