Foram encontradas 50 questões.
1. Fontes renováveis não convencionais. 2. Segurança energética. 3. Eficiência energética. 4. Mudanças climáticas. 5. Biocombustíveis.
( ) Busca por fontes de energia limpas e renováveis para reduzir a dependência de combustíveis fósseis e mitigar os efeitos das mudanças climáticas.
( ) Conjunto de medidas que visam reduzir o consumo de energia sem comprometer a qualidade de vida.
( ) Energia solar, eólica e outras fontes que, embora renováveis, ainda não possuem grande participação na matriz energética brasileira.
( ) Preocupação com a garantia do abastecimento energético do país, considerando a variabilidade das fontes renováveis e a necessidade de diversificar a matriz energética.
( ) Combustíveis produzidos a partir de biomassa, como o etanol e o biodiesel, que contribuem para a redução das emissões de gases de efeito estufa.
A sequência está correta em
Provas
Disciplina: Segurança e Saúde no Trabalho (SST)
Banca: Consulplan
Orgão: Pref. Cacoal-RO
1. SEP. 2. ART. 3. PPRA. 4. PCA. 5. LTCAT.
( ) Documento que descreve os riscos à saúde dos trabalhadores, as medidas de controle existentes e as que serão implementadas.
( ) Profissional legalmente habilitado para prestar serviços especializados em segurança e saúde no trabalho.
( ) Documento que registra a responsabilidade técnica pela execução de serviços especializados em segurança e em medicina do trabalho.
( ) Plano que estabelece as ações necessárias para controlar os impactos ambientais de uma atividade.
( ) Documento que apresenta as condições ambientais de trabalho a que o trabalhador está exposto e os resultados dos exames médicos.
A sequência está correta em
Provas
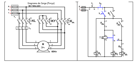
Questão 48 As chaves de partida para motores de indução são dispositivos essenciais para controlar a corrente de partida e proteger o motor contra sobrecargas. Durante a partida, motores de indução tendem a consumir correntes elevadas, que podem danificar componentes e a rede elétrica se não forem devidamente controladas. Para mitigar isso, são utilizadas chaves de partida, como a chave direta, a chave estrela-triângulo e a chave com autotransformador, cada uma adequada a diferentes tipos de aplicação e potência do motor. Elas limitam a corrente inicial ou proporcionam transições suaves entre modos de operação, garantindo maior durabilidade do motor, eficiência energética e segurança no sistema elétrico. Analise o diagrama a seguir:

Marque V para as afirmativas verdadeiras e F para as falsas.
( ) A chave de partida estrela-triângulo reduz a corrente de partida de um motor, conectando inicialmente os enrolamentos em estrela e, após um tempo, em triângulo.
( ) No esquema de chave estrela-triângulo, os contadores são responsáveis por determinar o tempo de transição entre os modos estrela e triângulo.
( ) O uso de contadores na chave estrela-triângulo garante a proteção contra sobrecarga do motor durante a partida.
( ) A conexão triângulo aplica a tensão nominal aos enrolamentos do motor, permitindo que ele atinja sua potência plena.
( ) A chave estrela-triângulo é indicada para motores de baixa potência, uma vez que a corrente de partida em motores pequenos não gera sobrecarga significativa.
A sequência está correta em
Provas
( ) Durante uma falha temporária em uma linha de transmissão, a oscilação eletromecânica entre geradores conectados ao sistema pode levar a oscilações de potência, mas o sistema sempre retorna ao estado de equilíbrio após a eliminação da falha.
( ) O estudo de transitórios eletromecânicos em sistemas elétricos considera a interação entre componentes elétricos e mecânicos, onde a velocidade do rotor dos geradores afeta diretamente a frequência do sistema.
( ) O método de áreas iguais pode ser utilizado para analisar a estabilidade transitória de um sistema de potência após uma grande perturbação, como uma perda súbita de carga ou uma falha em uma linha de transmissão.
( ) Durante o comportamento transitório, a energia cinética acumulada no rotor de um gerador síncrono é completamente dissipada na forma de calor pelas perdas elétricas.
( ) Em sistemas de potência interconectados, transitórios eletromecânicos podem causar oscilações de baixa frequência (0,1 a 2 Hz), conhecidas como oscilações interáreas, que podem comprometer a estabilidade se não forem bem amortecidas.
A sequência está correta em
Provas
1. Relé de sobrecorrente.
2. Disjuntor.
3. Transformador de corrente.
4. Relé diferencial.
5. Proteção contra faltas à terra.
( ) Compara as correntes em dois pontos de um circuito, atuando em caso de desequilíbrio.
( ) Interrompe a passagem de corrente elétrica em um circuito, quando ele é percorrido por uma corrente superior à nominal.
( ) Mede a corrente elétrica e fornece um sinal proporcional a ela para outros dispositivos de proteção.
( ) Destinado a proteger os equipamentos elétricos contra danos causados por correntes de falta à terra.
( ) Dispositivo de manobra que pode interromper a passagem de corrente em condições normais ou de falta.
A sequência está correta em
Provas
- Proteção de Sistemas ElétricosProteção em Média Tensão
- Sistemas Elétricos de PotênciaDistribuição de Energia Elétrica
( ) O disjuntor termomagnético é responsável por proteger contra sobrecargas e curtos-circuitos em circuitos residenciais.
( ) O interruptor diferencial residual (DR) é usado exclusivamente para proteger os equipamentos da residência contra falhas elétricas.
( ) Em instalações elétricas residenciais, o uso de fusíveis é mais comum do que disjuntores para a proteção dos circuitos. ( ) O quadro de distribuição deve conter um barramento de neutro e um barramento de terra, devidamente isolados entre si, para garantir a segurança da instalação.
( ) O disjuntor geral no quadro de distribuição pode ser usado como dispositivo de seccionamento da instalação elétrica em casos de manutenção.
A sequência está correta em
Provas
( ) A potência ativa antes da compensação é de 800 kW e logo após a inserção do banco de capacitores é de 600 kW.
( ) A potência reativa inicial é de 600 kVAr (sem o banco de capacitores) e de, aproximadamente, 269 kVAr após a correção do fator de potência.
( ) A capacitância do banco de capacitores para a correção do fator de potência é de, aproximadamente, 11,38 μF.
( ) A corrente de linha antes da correção era de, aproximadamente, 42 A. Após a correção, o fator de potência caiu para 38 A, aproximadamente.
( ) A potência aparente varia após a correção do fator de potência.
A sequência está correta em
Provas
( ) A densidade de fluxo magnético em um núcleo de transformador pode ser aumentada indefinidamente, desde que a corrente no enrolamento primário seja aumentada proporcionalmente.
( ) O princípio de operação de um motor de indução trifásico se baseia na geração de um campo magnético girante que induz uma corrente elétrica no rotor, criando torque devido à interação com o campo magnético.
( ) A lei de Faraday prevê que a força eletromotriz (f.e.m.) induzida em um circuito é diretamente proporcional à área do circuito e à taxa de variação do campo magnético através dele, desde que a resistência do condutor seja nula.
( ) A propagação de ondas eletromagnéticas em meios condutores, como cabos elétricos, pode ocorrer sem perdas, desde que a frequência seja suficientemente baixa.
( ) O funcionamento das linhas de transmissão de energia elétrica de longa distância depende tanto da capacitância distribuída ao longo da linha quanto da indutância causada pelos campos magnéticos ao redor dos condutores.
A sequência está correta em
Provas
Disciplina: Engenharia Eletrônica
Banca: Consulplan
Orgão: Pref. Cacoal-RO
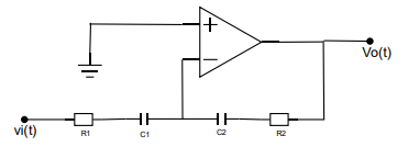
Os amplificadores operacionais são componentes versáteis utilizados em diversas aplicações eletrônicas, como amplificação de sinais, filtros, integradores e diferenciadores. Eles podem operar em circuitos lineares ou não lineares, dependendo de como são configurados; apresentam alta impedância de entrada e baixa impedância de saída. Uma de suas principais aplicações é no ganho de tensão, em que o amplificador pode amplificar um sinal fraco sem distorção significativa. Além disso, são usados em circuitos somadores, subtratores, comparadores de tensão e em conversores analógico-digitais, desempenhando um papel essencial no processamento de sinais em sistemas de controle e medição. Analise o circuito com amplificador operacional a seguir:

A expressão matemática que apresenta corretamente a relação entre tensão de saída e tensão de entrada, no domínio da frequência, é:
Provas
Disciplina: Engenharia Eletrônica
Banca: Consulplan
Orgão: Pref. Cacoal-RO
A álgebra de Boole é uma ferramenta matemática fundamental empregada na simplificação de circuitos lógicos digitais, permitindo expressar e manipular funções lógicas através de operações como AND, OR e NOT. Combinando suas leis e propriedades, é possível reduzir expressões lógicas complexas, resultando em circuitos mais simples e eficientes. Já os Mapas de Karnaugh são métodos gráficos que auxiliam na minimização dessas funções lógicas de forma sistemática. Eles organizam as variáveis em uma tabela bidimensional, facilitando a visualização de agrupamentos de termos que podem ser simplificados, o que reduz o número de portas lógicas necessárias no circuito final. Analise a expressão lógica a seguir:
![]()
Uma expressão lógica simplificada parcialmente é:
Provas
Caderno Container