Foram encontradas 40 questões.
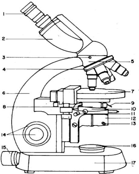
As partes componentes de um microscópio óptico representados pelos números 9 e 14 do desenho abaixo, referem-se respectivamente a:

Provas
Dos tipos de luvas de proteção a serem utilizados em laboratórios, as luvas de borracha butílica, são:
Provas
Dos solventes orgânicos utilizados em laboratório, relacionados abaixo, assinale àquele que tem ação direta no nervo ótico, onde a exposição crônica, especialmente oral, pode causar cegueira:
Provas
Os laboratórios que utilizam reagentes e produtos químicos devem dispor, obrigatoriamente, de um chuveiro lava-olhos , pois acidentes podem ocorrer em que são atingidos o rosto ou o corpo, exigindo retirada rápida do produto em contato com a pele. Para a utilização de ácido, bases ou para aquecer líquidos, deve-se seguir o seguinte procedimento:
Provas
Assinale a alternativa que se refere a um procedimento correto para a conservação de um microscópio óptico:
Provas
Na limpeza de materiais de laboratório, para a eliminação de resíduos de difícil remoção, particularmente em lâminas e lamínulas, é necessária a aplicação de:
Provas
Para realizar uma limpeza correta de vidrarias e materiais de laboratório, é preciso saber quais os tipos de substâncias foram utilizados nos instrumentos. Para que tipos de substâncias é necessário a limpeza sob um exaustor?
Provas
A filtração consiste na separação de sólidos de um líquido e é efetuada passando-se a mistura através de um material poroso que retém as partículas sólidas. A passagem do líquido através do material poroso pode ser efetuada pala ação da gravidade (filtração simples) ou por redução da pressão (filtração por sucção). Nas afirmações abaixo assinale àquela que é verdadeira em relação à técnica de filtração:
Provas
O manejo de qualquer balança de precisão requer cuidados especiais, pois são instrumentos precisos e de grande sensibilidade. Sendo assim, não é correto:
Provas
Quanto à conservação de material biológico, assinale a alternativa incorreta:
Provas
Caderno Container