Foram encontradas 600 questões.
Provas
Sabendo-se que sen 60º= 0,87, cos 60º= 0,50 e tg 60º= 1,73, assumindo que a gravidade vale 10m/s2 e desprezando as perdas por atrito, a cota máxima que o projeto irá atingir é de, aproximadamente,
Provas
A velocidade média desse percurso foi de, aproximadamente,
Provas
Em um sistema CAD, os processos (a) e (b) podem ser simulados por meio de, respectivamente,
Provas
A figura a seguir apresenta a vista isométrica de um sólido.

Assinale a opção que apresenta as vistas ortográficas principais desse sólido, dispostas no primeiro diedro.
Provas
I. O descumprimento dos deveres do ofício é considerado uma infração ética.
II. Mesmo havendo a obrigação legal da divulgação de uma informação, deve ser resguardado o sigilo profissional quando do interesse do cliente ou do empregador do profissional de engenharia.
III. No exercício da profissão de engenheiro mecânico, é dever do profissional harmonizar os interesses pessoais aos coletivos.
Está correto o que se afirma em
Provas
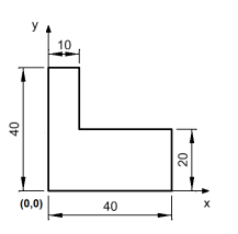
A figura a seguir apresenta uma chapa com as cotas dadas em mm.

As coordenadas (x, y), em mm, da posição do centroide dessa chapa, são
Provas
A figura a seguir ilustra um sistema com um grau de liberdade que oscila sem amortecimento.

Desprezando as massas das molas, a frequência natural angular de vibração desse sistema é de
Provas
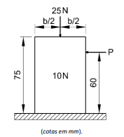
Sabendo que o coeficiente de atrito entre a superfície horizontal e o bloco vale 0,10, a largura máxima b desse bloco, sem que haja tombamento na condição apresentada, é de
Provas
A figura a seguir apresenta uma placa sob a ação de quatro forças e um conjugado.

Tomando como referência o ponto O e considerando √2 = 1,4, a linha de ação da resultante desses esforços intercepta o eixo x a uma distância, em relação ao ponto O, de, aproximadamente,
Provas
Caderno Container