Foram encontradas 40 questões.
No quadro geral de baixa tensão (QGBT) de uma instalação trifásica a 4 fios, o condutor neutro é aterrado utilizando uma malha de aterramento formada por três hastes e uma barra de equipotencialização é disponibilizada no interior do quadro a partir dessa malha. Um eletricista deseja instalar 3 equipamentos trifásicos situados a 50 m de distância do QGBT. Como as máquinas exigem aterramento, para evitar usar um condutor de 50 m partindo das máquinas até a barra de equipotencialização no QGBT, o eletricista optou por aterrar, individualmente, cada máquina no próprio local da instalação.
De acordo com a NBR 5410, esse esquema de aterramento é chamado de:
Provas
Considere as afirmações abaixo a respeito da aplicabilidade da norma NBR 5410.
I- Aplica-se a circuitos elétricos alimentados sob tensão nominal igual ou inferior a 1,5 kV em corrente alternada, com frequências inferiores a 400 Hz, ou a 1 kV em corrente contínua.
II- Aplica-se a circuitos elétricos, que não os internos aos equipamentos, funcionando sob uma tensão superior a 1,5 kV e alimentados através de uma instalação de tensão igual ou inferior a 2 kV em corrente alternada (por exemplo, circuitos de lâmpadas de descarga, precipitadores eletrostáticos etc.).
III- Aplica-se a toda fiação e toda linha elétrica que não sejam cobertas pelas normas relativas aos equipamentos de utilização.
IV- Aplica-se a linhas elétricas fixas de sinal (com exceção dos circuitos internos dos equipamentos).
É CORRETO o que se afirma apenas em:
Provas
Na Figura 4, retirada do catálogo de um fabricante comercial de produtos elétricos, é mostrado um dispositivo de proteção utilizado nas instalações elétricas de baixa tensão, que é conectado entre a fase e o neutro de um quadro de distribuição de circuitos terminais.

Figura 4 - Disponível no catálogo da Schneider Electric no endereço: https://www.se.com/br/pt/product/download-pdf/EZ9L33145?filename=Schneider+Electric_Protetor-de-Surto-DPS-Easy9_EZ9L33145.pdf
O dispositivo pode ser especificado pelos parâmetros Uc, Imax, In e Up, que se referem, respectivamente, a:
Provas
Leia a tira abaixo para responder às questões 14 e 15.

Disponível em: https://www.instagram.com/p/C_K-LDwOF7N/. Acesso em: 31 ago. 2024.
No período composto “Nunca teremos as respostas certas quando fazemos as perguntas erradas”, a oração em destaque se classifica quando fazemos as perguntas erradas CORRETAMENTE como sendo uma:
Provas
- SintaxeFrase, Oração e PeríodoOração CoordenadaOrações Coordenadas Sindéticas
- SintaxeFrase, Oração e PeríodoOração CoordenadaOrações Coordenadas Assindéticas
- SintaxeFrase, Oração e PeríodoOração SubordinadaSubordinadas Adverbial
Leia a reportagem a seguir para responder às questões 10, 11, 12 e 13.
TDAH: O QUE O TIKTOK NÃO CONTA
Por Rafael Battaglia
Atualizado em 19 ago 2024, 09h38 - Publicado em 16 ago 2024, 10h00
O TDAH atinge 5,3% das crianças e adolescentes em todo o mundo, e 2,5% da população adulta. A condição está presente há décadas nos principais manuais de transtornos mentais — mas nunca se falou tanto sobre ela como nos últimos anos.
Nos EUA, vídeos com a hashtag “Hadhd” (sigla em inglês do transtorno) somaram 35 bilhões de visualizações nos últimos três anos no TikTok. A plataforma virou palco para milhares de pessoas com TDAH, que compartilharam ali suas experiências de vida e as técnicas que desenvolveram para vencer as dificuldades impostas pelo transtorno na escola, no trabalho e dentro de casa.
O lado positivo, é claro, é o aumento da conscientização — o que tem levado amais diagnósticos.
Mas a ascensão do TDHA no TikTok e em outras redes tem um lado indigesto: não faltam vídeos que prometem um diagnóstico em poucos minutos, supostas curas ou que apresentam testes sem validade científica. Em 2022, uma pesquisa canadense analisou os 100 vídeos mais populares sobre o transtorno na plataforma e concluiu que metade continha informações falsas.
Por que esses conteúdos viralizam”? Porque é fácil se identificar com as situações e os sintomas descritos. Afinal, quem nunca esqueceu a carteira em casa, perdeu o foco graças ao Instagram ou procrastinou até o último dia para entregar um relatório no trabalho?
Episódios pontuais, porém, não bastam. O TDAH é uma condição séria que se não tratada da maneira adequada pode trazer uma série de problemas. Indivíduos com o transtorno sofrem mais acidentes, demissões no trabalho e reprovações na escola. Também se divorciam mais e são mais propensos a desenvolver ansiedade e depressão. Dentre as pessoas com TDAH, há maior incidência de abuso de álcool e drogas, obesidade e suicídio.
No final dos anos 1980, o DDA [déficit de atenção] foi rebatizado para o nome que usamos hoje, “Transtorno do Déficit de Atenção com Hiperatividade”. E, em 2000, o manual [DSM — Manual de Diagnóstico Estatístico de Transtornos Mentais] definiu que o TDAH poderia se manifestar de três formas possíveis: predominantemente desatenta, predominantemente hiperativa e impulsiva ou de maneira combinada. Essa é a classificação usada pelos profissionais da saúde atuais.
Não faltam ferramentas para controlar o TDAH, e o esforço para que elas cheguem a mais pessoas precisa ser constante. De preferência, sem informações falsas. Viver com o transtorno é um quebra-cabeça complexo. Mas as peças não precisam ficar ainda mais misturadas.
BATTAGLIA, Rafael. TDAH: o que o TikTok não conta. Revista Superinteressante [on-line], 19 ago. 2024. Disponível em: https://super.abril.com.br/saude/tdah-o-que-o-tiktok-nao-conta/. Acesso em: 31 ago. 2024. Adaptado.
Considere o seguinte período composto.
O TDAH é uma condição séria que se não tratada da maneira adequada pode trazer uma série de problemas.
Sobre o período, assinale a alternativa CORRETA.
Provas
A reportagem a seguir se refere às questões 1, 2 e 3.
POR QUE AS VACINAS CONTRA MPOX SÓ ESTÃO CHEGANDO AGORA NA ÁFRICA?
REUTERS
25/08/2024 – 11:03
As primeiras 10 mil vacinas para mpox deverão finalmente chegar na semana que vem na África, onde uma nova e perigosa estirpe do vírus – que afeta as pessoas há décadas – está causando um alarme global.
A lenta chegada das vacinas – que já foram disponibilizadas em mais de 70 países fora de África – mostrou que as lições aprendidas com a pandemia da Covid-19 sobre as desigualdades globais nos cuidados de saúde têm demorado a trazer mudanças, disseram autoridades de saúde pública e cientistas.
Entre os obstáculos está a demora da Organização Mundial da Saúde (OMS) em iniciar oficialmente o processo necessário para dar aos países pobres acesso fácil a grandes quantidades de vacinas através de agências internacionais, o que só aconteceu este mês. Autoridades e cientistas disseram à Reuters que isso poderia ter começado anos atrás.
A mpox é uma infecção potencialmente mortal que causa sintomas semelhantes aos da gripe, além de lesões com pus que se espalham por contato físico. Em 14 de agosto, a OMS declarou a mpox uma emergência de saúde global depois que a nova cepa, conhecida como clado Ib, começou a se proliferar da República Democrática do Congo para os países africanos vizinhos.
Em resposta às perguntas da Reuters sobre os atrasos na distribuição da vacina, a agência de saúde da ONU disse na sexta-feira que iria flexibilizar alguns dos seus procedimentos neste caso, num esforço para acelerar o acesso dos países pobres às vacinas mpox.
A compra direta de vacinas caras é inviável para muitos países de baixa renda. Existem duas injeções principais de mpox, feitas pela Bavarian Nordic, da Dinamarca, e pela KM Biologics, do Japão. A Nordic Bavarian custa US$ 100 a dose e o preço da KM Biologics é desconhecido.
A longa espera pela aprovação da OMS para que as agências internacionais comprem e distribuam a vacina forçou os governos africanos individuais e a agência de saúde pública do continente – os Centros Africanos de Controle e Prevenção de Doenças (CDC) – a solicitarem doações de vacinas aos países ricos. Esse processo complicado pode entrar em colapso, como já aconteceu antes, se os doadores sentirem que devem manter a vacina para proteger o seu próprio povo.
[...]
Fonte: REUTERS. Por que as vacinas contra mpox só estão chegando agora na África? , 25 ago. 2024. Disponível em: https://istoe.com.br/por-que-as-RevistaIstoÉvacinas-contra-mpox-so-estao-chegando-agora-na-africa/. Acesso em: 27 ago. 2024. Adaptado.
É CORRETO afirmar que o principal objetivo da reportagem é:
Provas
Assinale a alternativa que estabelece o princípio que fundamenta as medidas de proteção contra choques elétricos, de acordo com a NBR 5410.
Provas
A NR 10, Norma Regulamentadora do Ministério do Trabalho e Emprego (MTE), estabelece os requisitos e condições mínimas objetivando a implementação de medidas de controle e sistemas preventivos, de forma a garantir a segurança e a saúde dos trabalhadores que, direta ou indiretamente, interajam em instalações elétricas e serviços com eletricidade.
Assinale a alternativa que descreve CORRETAMENTE o conceito que define um trabalhador capacitado para os serviços elétricos de uma determinada empresa, de acordo com a NR 10.
Provas
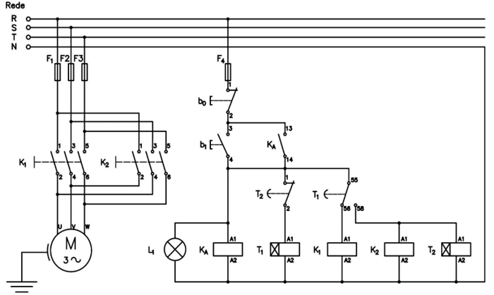
O acionamento de uma máquina elétrica é usualmente dividido em duas partes, a saber: circuito de comando, responsável pela lógica de acionamento da máquina, e o circuito de força, que efetivamente alimenta a máquina, fornecendo energia elétrica. As instalações elétricas de motores monofásicos e trifásicos são representadas esquematicamente pelos diagramas de força e comando. A respeito desses diagramas, responda às questões 35 e 36.
Com base na análise do circuito de comando da Figura 6, assinale a alternativa que indica, CORRETA e respectivamente, o nome dos componentes enumerados de ① a ⑤.

Figura 6 - Elaborada pelo autor.
Provas
O acionamento de uma máquina elétrica é usualmente dividido em duas partes, a saber: circuito de comando, responsável pela lógica de acionamento da máquina, e o circuito de força, que efetivamente alimenta a máquina, fornecendo energia elétrica. As instalações elétricas de motores monofásicos e trifásicos são representadas esquematicamente pelos diagramas de força e comando. A respeito desses diagramas, responda às questões 35 e 36.
O diagrama apresentado na Figura 5 se refere a que tipo de partida de motor trifásico?

Figura 5 - Elaborada pelo autor.
Provas
Caderno Container