Foram encontradas 422 questões.
Um engenheiro eletricista foi contratado para realizar a correção do fator de potência de uma indústria que
opera com fator de potência de 0,8 atrasado e consome 10 kW de potência ativa. Diante desse cenário, o
engenheiro decidiu projetar a correção do fator de potência para o valor unitário (fp = 1).
De acordo com as informações acima, a quantidade de potência reativa que deverá ser adicionada para atingir o fator de potência desejado é:
De acordo com as informações acima, a quantidade de potência reativa que deverá ser adicionada para atingir o fator de potência desejado é:
Provas
Questão presente nas seguintes provas
No que diz respeito aos transformadores de potência empregados nos sistemas elétricos de distribuição no
Brasil, podemos afirmar que:
Provas
Questão presente nas seguintes provas
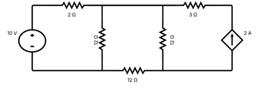
Observe o circuito abaixo:

A potência dissipada pela resistência de 2 Ω corresponde a:
Provas
Questão presente nas seguintes provas
Em relação à NR 10 – Segurança em Instalações e Serviços em Eletricidade, é verdadeira a seguinte
afirmativa:
Provas
Questão presente nas seguintes provas
A alternativa que apresenta os códigos da tabela ANSI (American National Standards Institute)
correspondentes aos relés com a função de sobrecorrente, sequência de fase, religamento e frequência,
respectivamente, é a seguinte:
Provas
Questão presente nas seguintes provas
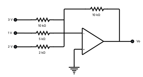
Observe o circuito somador inversor mostrado na figura a seguir.
O valor da tensão de saída Vo é:
O valor da tensão de saída Vo é:
Provas
Questão presente nas seguintes provas
Observe o circuito abaixo:
O valor da resistência equivalente de Thévenin entre os terminais A e B está apresentado na seguinte alternativa:
O valor da resistência equivalente de Thévenin entre os terminais A e B está apresentado na seguinte alternativa:
Provas
Questão presente nas seguintes provas
A alternativa que apresenta as unidades de medida correspondentes a intensidade luminosa, iluminância e
luminância, respectivamente, é:
Provas
Questão presente nas seguintes provas
Com base no enunciado a seguir, bem como na Figura e nas Tabelas 1 e 2, responda à questão.
Considere um ambiente retangular, conforme indicado na Figura abaixo, destinado a uma cozinha, no qual
serão instalados os seguintes equipamentos:
• Forno elétrico monofásico (fase e neutro), 127 V, 2540 VA;
• Micro-ondas monofásico (fase e neutro), 127 V, 1270 VA.
Figura

Tabela 1 - Fatores de correção aplicáveis a condutores agrupados em feixe (em linhas abertas ou
fechadas), adaptada da Tabela 42 da NBR 5410

Tabela 2 - Capacidades de condução de corrente, em ampères, para o método de referência B1,
adaptado da Tabela 36 da NBR 5410

Das alternativas abaixo, aquela que apresenta corretamente esse dimensionamento é:
Provas
Questão presente nas seguintes provas
Com base no enunciado a seguir, bem como na Figura e nas Tabelas 1 e 2, responda à questão.
Considere um ambiente retangular, conforme indicado na Figura abaixo, destinado a uma cozinha, no qual
serão instalados os seguintes equipamentos:
• Forno elétrico monofásico (fase e neutro), 127 V, 2540 VA;
• Micro-ondas monofásico (fase e neutro), 127 V, 1270 VA.
Figura

Tabela 1 - Fatores de correção aplicáveis a condutores agrupados em feixe (em linhas abertas ou
fechadas), adaptada da Tabela 42 da NBR 5410

Tabela 2 - Capacidades de condução de corrente, em ampères, para o método de referência B1,
adaptado da Tabela 36 da NBR 5410

Provas
Questão presente nas seguintes provas
Cadernos
Caderno Container