Magna Concursos

Foram encontradas 50 questões.

Um usuário deseja configurar seu computador com Windows 7 para que o conteúdo de arquivos, como os de imagem ou texto, possa ser visualizado sem que o arquivo precise ser aberto com um duplo clique do mouse ou com o pressionar da tecla Enter. Sobre isto, é correto afirmar:
 

Provas

Questão presente nas seguintes provas
Considere a imagem abaixo, de um menu do Microsoft Word:

Enunciado 3009995-1


O botão indicado pelo quadrado e pela seta na imagem acima tem como função:
 

Provas

Questão presente nas seguintes provas
Considere a imagem abaixo, de uma planilha do Microsoft Excel:

Enunciado 3009994-1


Um usuário deseja configurar a planilha para que, caso o valor de vendas (célula A2) seja superior ao valor de compras (célula B2), a célula C3 exiba a palavra LUCRO. Adicionalmente, ele deseja que, caso o valor de compras (célula B2) seja superior ao de vendas (célula A2), a célula C3 exiba a palavra PREJUÍZO. Indique, dentre as opções abaixo, aquela que demonstra, corretamente, uma fórmula que poderia ser inserida na célula C3 para alcançar o objetivo desejado pelo usuário:
 

Provas

Questão presente nas seguintes provas
Acerca dos websites de busca na Internet, é correto afirmar:
 

Provas

Questão presente nas seguintes provas
Um usuário acessa um site de Internet cujo endereço é https://www.legislation.gov.uk/ Sobre tal endereço, é correto afirmar:
 

Provas

Questão presente nas seguintes provas
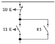
2898015 Ano: 2022
Disciplina: Engenharia Civil
Banca: Avança SP
Orgão: Pref. Amparo-SP
Provas:

Observe a imagem e indique o tipo de diagrama funcional:

Enunciado 3051775-1

 

Provas

Questão presente nas seguintes provas
2898014 Ano: 2022
Disciplina: Engenharia Civil
Banca: Avança SP
Orgão: Pref. Amparo-SP
Provas:

Observe a imagem e indique o tipo de diagrama funcional:

Enunciado 3051774-1

 

Provas

Questão presente nas seguintes provas
2897808 Ano: 2022
Disciplina: Gerência de Projetos
Banca: Avança SP
Orgão: Pref. Amparo-SP
Provas:

As metodologias PERT/CPM visam a auxiliar:

 

Provas

Questão presente nas seguintes provas
2897807 Ano: 2022
Disciplina: Gerência de Projetos
Banca: Avança SP
Orgão: Pref. Amparo-SP
Provas:

O método CPM foca no caminho crítico do projeto de construção por meio de uma sequência de atividades, determinando sua duração. Já o PERT analisa três possíveis situações, sendo elas:

 

Provas

Questão presente nas seguintes provas
2897735 Ano: 2022
Disciplina: Arquitetura
Banca: Avança SP
Orgão: Pref. Amparo-SP
Provas:

Suportes, placas, painéis e grelhas, no aspecto arquitetônico, são tipos de:

 

Provas

Questão presente nas seguintes provas