Foram encontradas 535 questões.
Um dispositivo de proteção DR para corrente de fuga de
30mA apresenta a curva tempo x corrente da figura 6, onde a
parte hachurada indica sua região de atuação.

O maior tempo que um indivíduo poderá ser submetido a uma corrente de 20mA até que o DR atue, sem sofrer distúrbios fisiológicos prejudiciais, é de:

O maior tempo que um indivíduo poderá ser submetido a uma corrente de 20mA até que o DR atue, sem sofrer distúrbios fisiológicos prejudiciais, é de:
Provas
Questão presente nas seguintes provas
Considere dois geradores síncronos ligados em paralelo, um
deles em sequência positiva e o outro em sequência negativa. Ao
longo da operação em paralelo, as correntes de linha:
Provas
Questão presente nas seguintes provas
Uma empresa apresenta um consumo de 12,5kVA e 10kW.
Uma modernização no maquinário da empresa provocou uma
diminuição de 1/3 no consumo reativo original, sem alterar o
consumo ativo. Considere 
Nessa nova condição, o fator de potência da empresa é de:
Nessa nova condição, o fator de potência da empresa é de:
Provas
Questão presente nas seguintes provas
Um disjuntor apresenta a curva de tempo de disparo por
múltiplo da corrente de ajuste do relé da figura 5: 
Se esse disjuntor atua em 0,1s para um curto-circuito de 350A, sua corrente nominal é de:

Se esse disjuntor atua em 0,1s para um curto-circuito de 350A, sua corrente nominal é de:
Provas
Questão presente nas seguintes provas
Um corredor é utilizado para o fluxo de pessoas em seis
escritórios diferentes. Deseja-se controlar a iluminação do
corredor na entrada de cada um desses escritórios. Para isso,
devem-se utilizar os interruptores:
Provas
Questão presente nas seguintes provas
Um sistema trifásico desequilibrado apresenta tensões de
fase (165
30°)V, (50
90°)V e (25
30°)V, respectivamente para
as fases A, B e C. Ao fazer a decomposição dessas tensões em
componentes simétricas, o fasor da componente de sequência
positiva tem o valor de:
Provas
Questão presente nas seguintes provas
O gráfico tensão x potência aparente da figura 4 mostra
várias curvas para caracterizar diferentes comportamentos de
cargas. 
Uma carga de impedância constante é representada pela curva:

Uma carga de impedância constante é representada pela curva:
Provas
Questão presente nas seguintes provas
A grandeza obtida pelo produto entre a potência consumida por uma lâmpada e a sua eficiência luminosa é:
Provas
Questão presente nas seguintes provas
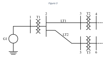
Considere o Sistema Elétrico de Potência da figura 3:

Considere que o gerador tem uma impedância de j1 pu, os transformadores T1, T2 e T3 tem, cada, uma impedância de j0,6 pu e que a linha de transmissão LT1 tem impedância de j0,5 pu. Na matriz Ybus desse SEP, o elemento
(2,2) apresenta o valor
de -j7pu. O valor em pu da impedância da linha de transmissão
LT2 é:

Considere que o gerador tem uma impedância de j1 pu, os transformadores T1, T2 e T3 tem, cada, uma impedância de j0,6 pu e que a linha de transmissão LT1 tem impedância de j0,5 pu. Na matriz Ybus desse SEP, o elemento
Provas
Questão presente nas seguintes provas
A figura 2 mostra as curvas de magnetização de um
transformador e de um motor de indução.

A curva do motor de indução tem uma inclinação menor que a do transformador devido à:

A curva do motor de indução tem uma inclinação menor que a do transformador devido à:
Provas
Questão presente nas seguintes provas
Cadernos
Caderno Container