Foram encontradas 395 questões.

No circuito da figura acima, uma carga é alimentada por uma fonte de tensão alternada através de uma linha de transmissão. Utilizam-se dois transformadores ideais, T1 e T2, cujas relações de transformação são 1:5 e 5:1, respectivamente. A linha de transmissão tem uma resistência equivalente total de
Com base nessas informações, a potência dissipada, em kW, na linha de transmissão, éProvas
Questão presente nas seguintes provas

Uma carga trifásica indutiva é alimentada por uma fonte de tensão trifásica, equilibrada e balanceada, conforme mostrado na figura acima. Os valores r.m.s. da tensão e da corrente de fase, fornecidos pela fonte, são 120 V e 5 A, respectivamente. A potência ativa total consumida pela carga é igual a 1.530 W. De acordo com essas informações, o fator de potência da carga é
Provas
Questão presente nas seguintes provas
- EletrotécnicaCircuitos Elétricos em Eletricidade
- EletrotécnicaCircuitos de Corrente Contínua e de Corrente Alternada

O circuito RLC, apresentado na figura acima, é alimentado por uma fonte de tensão alternada senoidal v(t), de frequência
e está operando em regime permanente. O fator de potência desse circuito, aproximado para uma casa decimal, éProvas
Questão presente nas seguintes provas
Considere a função combinacional digital W = f(X,Y,Z) que apresenta a seguinte tabela verdade:

A expressão da função mínima é

A expressão da função mínima é
Provas
Questão presente nas seguintes provas
- EletrotécnicaCircuitos Elétricos em Eletricidade
- EletrotécnicaCircuitos de Corrente Contínua e de Corrente Alternada

No circuito da figura acima, as tensões sobre o capacitor em regime permanente, com a chave aberta e com a chave fechada, são, respectivamente,
Provas
Questão presente nas seguintes provas

A figura acima apresenta o gráfico do consumo diário de potência ativa de uma determinada instalação que pode ser considerado o mesmo para todos os dias do mês, inclusive finais de semana e feriados. Considerando-se que o mês em questão seja de 30 dias e que o medidor de reativos nesse mês tenha registrado 10.260 kVArh, o fator de potência médio da instalação, em valores aproximados, é calculado pela expressão
Provas
Questão presente nas seguintes provas

A Figura 1 apresenta um circuito composto por um resistor de 10 Ω em série com um elemento denominado caixa preta, alimentados por uma fonte de tensão senoidal E(t) com frequência angular
= 2 rad/s. A Figura 2 apresenta as formas de onda da tensão da fonte senoidal e da tensão sobre o resistor Vr(t). A Figura 2 mostra uma defasagem de 30° entre as senoides. O elemento denominado caixa preta é constituído de um(a)
Provas
Questão presente nas seguintes provas
- EletrotécnicaCircuitos Elétricos em Eletricidade
- EletrotécnicaCircuitos de Corrente Contínua e de Corrente Alternada

A resistência equivalente (REQ) do circuito em ponte acima é de
Provas
Questão presente nas seguintes provas

O valor de resistência cc do diodo, com base no gráfico acima, para um valor de corrente ID igual a 40 mA, é de
Provas
Questão presente nas seguintes provas
- EletrotécnicaCircuitos Elétricos em Eletricidade
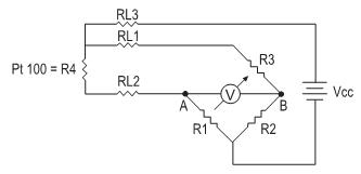
- EletrotécnicaCircuitos de Corrente Contínua e de Corrente Alternada

Um transmissor de temperatura está conectado ao seu elemento primário Pt 100 por meio de uma ligação a </
Provas
Questão presente nas seguintes provas
Cadernos
Caderno Container