Foram encontradas 395 questões.

Provas
Questão presente nas seguintes provas
- EletrotécnicaCircuitos Elétricos em Eletricidade
- EletrotécnicaCircuitos de Corrente Contínua e de Corrente Alternada

Provas
Questão presente nas seguintes provas

Provas
Questão presente nas seguintes provas

Provas
Questão presente nas seguintes provas
O planejamento da manutenção de uma indústria é baseado na manutenção centrada em confiabilidade.

A tabela acima mostra três modos de falha e seus respectivos Índices de Severidade (Severity), Ocorrência (Occurrence) e Detecção (Detection), que foram identificados por uma equipe de manutenção. Os modos identificados, na ordem decrescente do RPN (Risk Priority Number), são:
Provas
Questão presente nas seguintes provas
- EletrotécnicaCircuitos Elétricos em Eletricidade
- EletrotécnicaCircuitos de Corrente Contínua e de Corrente Alternada

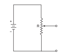
O esquema acima é uma representação de um circuito denominado
Provas
Questão presente nas seguintes provas
- EletrotécnicaCircuitos Elétricos em Eletricidade
- EletrotécnicaInstrumentos e Medições elétricas
- EletrotécnicaCircuitos de Corrente Contínua e de Corrente Alternada
- Instrumentos de medição

A corrente e a tensão que deverão ser informadas pelos instrumentos do circuito acima, são, respectivamente,
Provas
Questão presente nas seguintes provas

A tensão de saída Vo para o circuito com amplificador operacional ilustrado acima, em volts, é
Provas
Questão presente nas seguintes provas

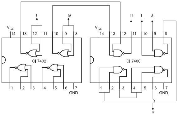
Os circuitos integrados acima são da família TTL. A simplificação desse circuito lógico, referente à saída H, é representada pela porta lógica
Provas
Questão presente nas seguintes provas

A simplificação do circuito lógico acima é representada pela expressão
Provas
Questão presente nas seguintes provas
Cadernos
Caderno Container