Magna Concursos

Foram encontradas 368 questões.

162445 Ano: 2017
Disciplina: Engenharia Eletrônica
Banca: IESES
Orgão: Polícia Científica-SC
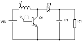
O conversor CC-CC está operando no modo contínuo de corrente, com o transistor Q1 operando como chave, na frequência de chaveamento f, conforme mostra a figura abaixo. Leia as proposições.
Enunciado 162445-1
I. Neste modo de operação, a tensão de saída é sempre menor ou igual a tensão de entrada.
II. A cada vez que o transistor Q1 conduz, energia da fonte de entrada é transferida ao capacitor C1, e quando Q1 abre, a energia da entrada é transferida ao indutor L1.
III. A corrente de carga no indutor é não-linear, dado pela equação VL(t) = L di(t)/dt
IV. A corrente no capacitor C1 é tal que a tensão sobre C1 tende a permanece relativamente constante, dado por ic(t) = C dv/dt
Assinale a alternativa correta:
 

Provas

Questão presente nas seguintes provas
162444 Ano: 2017
Disciplina: Engenharia Eletrônica
Banca: IESES
Orgão: Polícia Científica-SC
Leia as proposições abaixo sobre microcontroladores:
I. Os microcontroladores trabalham com um barramento de dados múltiplos de 2n, sendo n um número inteiro maior que zero, e quanto a ordem sequencial em que os bytes estão dispostos, podem assumir o formato big-endian ou little-endian.
II. Possuem registradores, que são memórias que registram e controlam o funcionamento interno do microcontrolador.
III. Quando realiza o ciclo de busca de instruções na memória, e se a arquitetura for do tipo Harward, buscam dados e instruções sequencialmente, porque possuem um único barramento de dados e endereços.
IV. Possuem instruções que permitem realizar operações de salto condicional ou salto incondicional, baseado nos estados dos registros após operações lógicas ou aritméticas, informados pela Unidade Lógico-aritmética.
Assinale a alternativa correta:
 

Provas

Questão presente nas seguintes provas
162442 Ano: 2017
Disciplina: Engenharia Elétrica
Banca: IESES
Orgão: Polícia Científica-SC
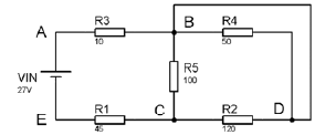
Dado o circuito abaixo, contendo os nós A, B, C, D e E. Os resistores R1 a R5 têm os valores, respectivamente, de 45!$ \Omega !$, 120!$ \Omega !$, 10!$ \Omega !$, 50!$ \Omega !$ e 100!$ \Omega !$ . A tensão de entrada da fonte é de 27V. Assinale a alternativa correta que expressa o valor mais próximo da corrente fornecida pela fonte de 27V.
Enunciado 162442-1
 

Provas

Questão presente nas seguintes provas
162440 Ano: 2017
Disciplina: Engenharia Civil
Banca: IESES
Orgão: Polícia Científica-SC
Quando os solos superficiais não apresentam capacidade de carga elevada a fundação da edificação deve ser executada com utilização de estaca. Associe a lista superior, referente aos diferentes tipos de estaca, com a correspondente característica indicada na lista inferior.
1. Estaca Strauss.
2. Estaca Franki.
3. Estaca Hélice Contínua.
( _) Estaca que provoca maior vibração do terreno durante a sua execução.
(_ ) A concretagem da estaca é feita por bombeamento de concreto sob pressão.
( _) Pode ser executada no interior de construções com pé direito reduzido.
(_ ) Apresenta a maior produtividade de execução (m/dia.)
(_ ) Utiliza durante o processo de escavação um revestimento metálico recuperável de ponta aberta para permitir a escavação do solo.
A sequência, de cima para baixo, que responde de forma correta a questão é dada por:
 

Provas

Questão presente nas seguintes provas
162439 Ano: 2017
Disciplina: Engenharia Ambiental e Sanitária
Banca: IESES
Orgão: Polícia Científica-SC
Provas:
A partir de um levantamento topográfico planialtimétrico, foi elaborado um mapa para apresentaras curvas de nível. Nesse mapa, a equidistância entre as curvas é de 20 metros e foi confeccionado para a escala 1:10.000. Num dado local do mapa, a distância horizontal que separa 2 curvas é de 5 centímetros, e foi medida com o auxílio de um escalímetro. Pergunta-se qual a porcentagem de declividade neste local:
 

Provas

Questão presente nas seguintes provas
162438 Ano: 2017
Disciplina: Engenharia Florestal
Banca: IESES
Orgão: Polícia Científica-SC
Provas:
Existem vários fatores que exercem influência na qualidade do posicionamento, a partir dos sinais dos satélites. Dentre eles a DOP (Dilution Of Precision – Diluição da Precisão), que exerce uma importante influência, principalmente quando há a possibilidade de ocorrer obstrução do sinal, e podemos dizer que:
 

Provas

Questão presente nas seguintes provas
162437 Ano: 2017
Disciplina: Engenharia Civil
Banca: IESES
Orgão: Polícia Científica-SC
Os muros de arrimo são estruturas de contenção necessárias em muitas obras de engenharia para a estabilização de taludes naturais ou taludes de corte. Analise as assertivas abaixo, relacionadas à estas obras.
I. A principal característica do muro de gabião é a sua permeabilidade, no entanto não apresenta uma boa flexibilidade.
II. Os muros de flexão apresentam como elemento estabilizador o seu peso próprio sendo em geral construído de concreto armado.
III. Os muros de pedra argamassada e de concreto ciclópico necessitam de um sistema interno de drenagem para reduzir o empuxo exercido pela agua presente no interior do solo.
Analise as alternativas abaixo e assinale a única alternativa correta.
 

Provas

Questão presente nas seguintes provas
162436 Ano: 2017
Disciplina: Engenharia Florestal
Banca: IESES
Orgão: Polícia Científica-SC
Provas:
Num levantamento topográfico planialtimétrico, foi adotado o Plano Topográfico Local, com coordenadas de partida arbitrada, obtendo-se as seguintes coordenadas cartesianas (x,y): coordenada 1 (x=0, y=0); coordenada 2 (x=8, y=10); coordenada 3 (x=15, y=12); coordenada 4 (x=20, y=15); coordenada 5 (x=12, y=5). Sabendo que a unidade utilizada foi o metro, qual o valor da área, em hectares?
 

Provas

Questão presente nas seguintes provas
162435 Ano: 2017
Disciplina: Engenharia Florestal
Banca: IESES
Orgão: Polícia Científica-SC
Provas:
Quando utilizamos imagens de satélites ou de aerolevantamentos em softwares de geoprocessamento, comumente precisamos fazer o registro destas imagens, que compreende:
 

Provas

Questão presente nas seguintes provas
162434 Ano: 2017
Disciplina: Engenharia Civil
Banca: IESES
Orgão: Polícia Científica-SC
As formas e escoramentos compõem um sistema estrutural provisório cujo objetivo é dar formato adequado ao concreto fresco até o momento em que os mesmos adquirem resistência e capacidade autoportante. Assinale verdadeiro (V) ou falso (F) nas alternativas abaixo relacionadas às formas e escoramentos.
(_ ) Os compensados plastificados, utilizados como painéis de fôrma, apresentam uma quantidade menor de reuso, quando comparado aos compensados resinados.
( _) O sistema de forma modular misto apresenta tamanho padronizado, formado por painéis não metálicos, sendo estruturada, travada e escorada por elementos metálicos.
(_ ) As peças de reescoramento sempre devem estar posicionadas no elemento estrutural antes da retirado do escoramento principal.
( _) A madeira do tipo compensado é o material mais utilizado para confeccionar os painéis das formas.
Assinale a alternativa que apresenta de forma correta, de cima para baixo, a sequência correta.
 

Provas

Questão presente nas seguintes provas