Foram encontradas 2.276 questões.

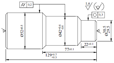
O desenho acima mostra a vista frontal de um eixo cilíndrico de três corpos, que vai ser fabricado segundo as dimensões e tolerâncias indicadas. Também estão mostrados os valores dos graus de rugosidade para as várias superfícies. Nessa situação, julgue o item subseqüente.
A ponta do eixo, no diâmetro menor, deve ter uma circularidade de 0,3 mm para qualquer seção reta.
Provas

Provas

Provas

A figura acima mostra uma tesoura de bancada cujo braço de acionamento foi fabricado usando-se chapa de um aço carbono dúctil. A lâmina de corte foi feita de um aço tenaz e o gume de corte passou por um processo de cementação seguido de normalização e têmpera. Um serralheiro foi designado para cortar uma chapa de aço-carbono de 2 mm de espessura. As dimensões da tesoura estão indicadas na figura e a resistência da chapa, ao corte da lâmina no ponto de contato com o gume, é de 600 N. Nessa situação, julgue o item que se segue.
O braço de acionamento da tesoura foi feito de um aço dúctil porque, se o serralheiro aumentar o comprimento do braço, por meio de um tubo, este deformará e não se quebrará se o esforço aplicado for excessivo, ultrapassando o limite de escoamento do material.
Provas
Um lote de cinco materiais diferentes foi recebido pelo almoxarifado de uma empresa montadora. Os certificados dos materiais informavam tratar-se de metais diversos, cujas composições químicas estão abaixo transcritas:
I 0,25% C; 1,00% Mn; 0,40 % Si; 0,04% S; 0,02% P.
II 0,08% C; 2,00% Mn; 1,00% Si; 18,00% Cr; 8,00% Ni; 0,03% S; 0,03% P.
III 0,40% C; 0,90% Mn; 0,40% Si; 0,90% Cr; 0,20% Mo; 0,02% S; 0,02% P.
IV 3,00% C; 0,80% Mn; 2,80% Si; 0,20% S; 0,40% P.
V 0,40% Fe; 0,05% Mn; 0,25% Si; 0,05% Cu; 0,05% Mg; 0,05% Zn; 0,03% Ti; 99,17% AR.
Julgue o item seguinte quanto ao tipo e à classe de metal recebido pelo almoxarifado.
O material I é um aço doce equivalente ao aço ABNT 1025.
Provas

Com base no desenho acima, julgue o item que se segue.
A dimensão nominal do comprimento da peça é 40 mm, o afastamento superior é 0,25 mm e o afastamento inferior é -0,25 mm.
Provas
Um caldeireiro deve montar seu equipamento oxiacetilênico para fazer uma brasagem em uma linha de vapor para aquecimento. Seu equipamento compõe-se de maçaricos, bicos, mangueiras, agulheiros, acendedores, reguladores, óculos e garrafas de oxigênio e acetileno. A chama do maçarico está regulada para a condição neutra. Na situação de montar e utilizar o equipamento oxiacetilênico de maneira correta, julgue o item subseqüente.
Para acender o maçarico, o caldeireiro deve abrir primeiramente a válvula de oxigênio para gerar uma chama.
Provas

Provas

Um vaso de pressão vai ser instalado em sua base por uma empresa montadora. A altura do vaso é de 8 m, seu diâmetro é de 3 m e sua fabricação foi feita em aço carbono ASTM A285 grau B. A tolerância dimensional para verticalidade, para instalação do vaso pela norma que está sendo usada, não pode exceder 1/200 da altura total do vaso, medida entre as soldas dos tampões. A verificação da verticalidade do vaso foi feita estendendo-se, do topo até o fundo, um cordel com um cilindro de aço pontudo, afastado em 100 mm, conforme mostra o desenho acima. Quanto à montagem e ao alinhamento do vaso em sua base, julgue o item que se segue.
O instrumento para fazer a verificação de verticalidade deve ser o prumo de centro.
Provas
Os isolamentos térmicos em tubulações têm por finalidade reduzir as trocas de calor do tubo para o meio ambiente, ou vice-versa. Normalmente, distinguem-se duas classes gerais de isolamentos térmicos, sendo uma para linhas quentes e outra para linhas frias. Em qualquer um dos casos, o isolamento térmico é utilizado com finalidades específicas. A decisão de isolar ou não o tubo normalmente é tomada pela equipe de projeto, e cabe à equipe de manutenção assegurar as condições adequadas para a conservação desse isolamento. Com relação ao tema abordado no texto acima, julgue o item seguinte.
Por melhor que seja o isolamento de uma tubulação, esteja esta conduzindo fluido quente ou frio, esse isolamento evitará no máximo 10% das trocas de calor que haveria se o tubo não fosse isolado.
Provas
Caderno Container