Foram encontradas 2.276 questões.
Disciplina: Engenharia Eletrônica
Banca: CESPE / CEBRASPE
Orgão: Petrobrás
Os CLPs podem ser conectados a microcomputadores, gerando uma configuração que permite fácil interação entre o operador/programador e o equipamento de controle. Acerca de CLPs e seu funcionamento, julgue o item subseqüente.
Os sistemas supervisórios geralmente não permitem descrições gráficas da planta automatizada.
Provas
Disciplina: Engenharia Eletrônica
Banca: CESPE / CEBRASPE
Orgão: Petrobrás
Os CLPs podem ser conectados a microcomputadores, gerando uma configuração que permite fácil interação entre o operador/programador e o equipamento de controle. Acerca de CLPs e seu funcionamento, julgue o item subseqüente.
Os CLPs enviam sinais para os sistemas supervisórios por meio de tags.
Provas

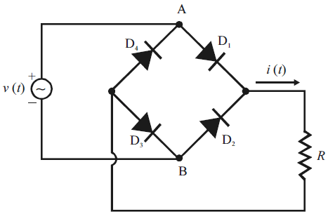
A figura acima mostra o circuito de um retificador de onda completa. O circuito é alimentado por uma fonte senoidal v(t) = VM.sen(!$ \omega !$t), em volts. Suponha que todos os diodos utilizados no circuito sejam ideais. Em relação a esse circuito, julgue o item a seguir.
A corrente i(t) que flui pelo resistor é alternada.
Provas

A figura acima ilustra o desenho isométrico de uma interligação entre uma bomba — B1 — e um vaso de pressão — V2. Com relação ao projeto desse trecho de linha, no qual vários acessórios de tubulações foram montados, julgue o item em seguida.
No trecho mostrado, foram montados três drenos e um respiro.
Provas
Disciplina: Engenharia Eletrônica
Banca: CESPE / CEBRASPE
Orgão: Petrobrás
Em um sistema de medição, para se enviar sinais a distância, são utilizados transmissores de sinal. Nesse sistema, caso a variável medida corresponda à pressão, existem formas distintas de enviar a informação captada pelo sensor para elementos mais distantes. A respeito de transmissores, julgue o item que se segue.
No caso de uso de um sensor capacitivo de pressão, pode-se utilizar como elemento de condicionamento de sinal uma ponte de deflexão AC, que gera na saída um sinal alternado de tensão com amplitude que varia conforme a pressão que esteja sendo medida.
Provas
Com relação aos dispositivos semicondutores, julgue o item seguinte.
O diodo retificador é muito utilizado no projeto de fontes de alimentação DC. As topologias mais comuns são o retificador de meia onda e o retificador de onda completa.
Provas
Disciplina: Engenharia Eletrônica
Banca: CESPE / CEBRASPE
Orgão: Petrobrás
Em um sistema de medição, para se enviar sinais a distância, são utilizados transmissores de sinal. Nesse sistema, caso a variável medida corresponda à pressão, existem formas distintas de enviar a informação captada pelo sensor para elementos mais distantes. A respeito de transmissores, julgue o item que se segue.
Em um transmissor dotado de sensor piezelétrico, utiliza-se como elemento de condicionamento de sinal uma ponte de Wheatstone para gerar uma tensão proporcional à pressão que está sendo medida.
Provas
Disciplina: Engenharia Eletrônica
Banca: CESPE / CEBRASPE
Orgão: Petrobrás
Os instrumentos utilizados para medidas de variáveis em processos industriais precisam estar calibrados para que as medidas sejam confiáveis, dentro de critérios definidos de precisão. A respeito da calibração de instrumentos, julgue o item a seguir.
Em procedimentos de calibração, o chamado padrão de trabalho é aquele que é rotineiramente utilizado para calibrar instrumentos de medição.
Provas
Disciplina: Engenharia Eletrônica
Banca: CESPE / CEBRASPE
Orgão: Petrobrás
Em processos industriais, uma ampla gama de variáveis precisa ser monitorada e controlada para que o produto final do processo esteja de acordo com especificações preestabelecidas. A respeito de variáveis físicas geralmente presentes em processos industriais, julgue o item subseqüente.
Se a temperatura de um corpo for igual a 300 K e sofrer um aumento de 10 oC, ela passará a ser igual a 329,15 K.
Provas
Disciplina: Engenharia Eletrônica
Banca: CESPE / CEBRASPE
Orgão: Petrobrás
Com relação à organização industrial e à do trabalho, julgue o item seguinte.
Considera-se atualmente que todos os responsáveis pela manutenção da empresa têm de estar conscientes de que o mais importante nos seus respectivos trabalhos é realizar reparos cada vez melhores.
Provas
Caderno Container