Foram encontradas 2.000 questões.
No circuito mostrado na Figura abaixo, a indicação do voltímetro (considerado ideal) é de 100 V

Qual é, aproximadamente, em volts, o valor da voltagem U da fonte?

Qual é, aproximadamente, em volts, o valor da voltagem U da fonte?
Provas
Questão presente nas seguintes provas

Deseja-se instalar um dispositivo de proteção diferencial residual (dispositivo DR) para a proteção da carga III. Quais condutores deverão estar ligados ao dispositivo para que ele funcione de forma adequada?
Provas
Questão presente nas seguintes provas
Para a medição da temperatura de um componente que pode chegar a 1.200 ºC, utiliza-se o termopar do tipo
Provas
Questão presente nas seguintes provas
Dois fios condutores paralelos são atravessados, respectivamente, por correntes de intensidades 10 A e 20 A, como mostra a Figura.

Os fios possuem vários metros de comprimento e estão imersos no ar.
O valor aproximado, em N, do módulo da força de interação magnética entre os condutores, em um trecho de 20 cm, é


Os fios possuem vários metros de comprimento e estão imersos no ar.
O valor aproximado, em N, do módulo da força de interação magnética entre os condutores, em um trecho de 20 cm, é

Provas
Questão presente nas seguintes provas
Um gerador trifásico de 10 kVA e tensão 20 kV tem sua reatância subtransitória, em p.u., igual a 0,10. Esse gerador está integrado a um sistema cuja potência base é igual a 100 kVA, e cuja tensão base é igual a 40 kV.
Sendo assim, sua reatância, em p.u., relativa às bases do sistema, é
Sendo assim, sua reatância, em p.u., relativa às bases do sistema, é
Provas
Questão presente nas seguintes provas
Na modelagem do comportamento das turbinas, normalmente se considera que as variações das energias cinética e potencial são desprezíveis, e que o processo na turbina é adiabático.
Com essas considerações, pela primeira lei, constata-se que o trabalho produzido corresponde à(ao)
Com essas considerações, pela primeira lei, constata-se que o trabalho produzido corresponde à(ao)
Provas
Questão presente nas seguintes provas
Um dado condutor cilíndrico, maciço, retilíneo, homogêneo e isolado é percorrido por uma corrente constante de 10 A. Considerando-se que esse condutor tenha comprimento infinito, o valor aproximado da densidade de campo magnético em um ponto externo ao condutor, situado a 0,1 m de seu centro, em Wb/m2 , é
Dados
• Condutor situa-se no ar
• Permeabilidade do vácuo: μ0 = 4π.10-7 Wb/A.m
Dados
• Condutor situa-se no ar
• Permeabilidade do vácuo: μ0 = 4π.10-7 Wb/A.m
Provas
Questão presente nas seguintes provas
O circuito elétrico da Figura abaixo mostra uma fonte de corrente alimentando através de resistências uma carga resistiva RL entre os pontos a e b.

Considerando-se os valores mostrados no circuito, e com RL = 80 Ω, qual a potência, em W, dissipada na carga resistiva?
Provas
Questão presente nas seguintes provas
- Proteção de Sistemas ElétricosProteção em Média Tensão
- Sistemas Elétricos de PotênciaDistribuição de Energia Elétrica
- Sistemas Elétricos de PotênciaTransmissão
Um relé de impedância é ajustado para proteger o equivalente a 80% de uma linha de transmissão, cuja impedância total é de 100 Ω. O relé é alimentado por um transformador de potencial com relação de transformação de potencial RTP = 230 kV/115 V e por um transformador de corrente com relação de transformação de corrente RTC = 500/5.
O valor da impedância de ajuste do relé, em ohms, é
O valor da impedância de ajuste do relé, em ohms, é
Provas
Questão presente nas seguintes provas
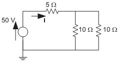
No circuito abaixo, todos os componentes são ideais.

O valor, em ampères, da corrente I mostrada nesse circuito é de
Provas
Questão presente nas seguintes provas
Cadernos
Caderno Container