Foram encontradas 2.327 questões.
Um transmissor de pressão diferencial capacitivo é utilizado em processos para medir e transmitir variáveis como vazão e nível, por meio da variação da capacitância medida. Considere as informações a seguir.
!$ ε !$ = 6 F/mm, permissividade absoluta do dielétrico;
A = 2 mm2, área de contato entre as placas; e
d = 30 mm, distância entre as placas.
Com base nos dados acima, calcule a capacitância medida no instrumento, em unidade do S.I.
Provas
Questão presente nas seguintes provas

O diagrama lógico acima é parte de um sistema maior de controle de alarmes. Por meio de uma análise adequada desse diagrama, conclui-se que, caso
Provas
Questão presente nas seguintes provas

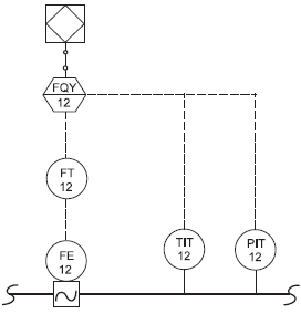
A figura acima representa uma parte de um fluxograma de engenharia. A partir de sua análise, conclui-se que o
Provas
Questão presente nas seguintes provas

Para o desenvolvimento de um fluxograma de engenharia, a utilização da Norma ISA S5.1 padroniza algumas informações, tais como as apresentadas nas figuras acima. Nesse contexto, associe as figuras acima às respectivas definições, apresentadas a seguir.
I - Tubo capilar
II - Função de computador de processo montado no campo
III - Ligação configurada internamente ao sistema (ligação por software)
IV - Computador programável montado em localização principal normalmente acessível ao operador
A associação correta é
Provas
Questão presente nas seguintes provas
As válvulas globo do tipo corpo dividido (split body) apresentam
Provas
Questão presente nas seguintes provas
Ao buscar o catálogo de um fabricante de válvulas, qual característica deve ser procurada para definir a capacidade dessas válvulas?
Provas
Questão presente nas seguintes provas
Um técnico em instrumentação, ao analisar um texto sobre válvulas de controle e seus atuadores, verificou a existência de uma informação INCORRETA, a qual afirmava que
Provas
Questão presente nas seguintes provas
De uma associação em paralelo de dois termopares iguais de F.E.M. (Força Eletromotriz) E1 e E2, respectivamente, resultará uma F.E.M. equivalente a
Provas
Questão presente nas seguintes provas
Uma carga de 1.000 N é sustentada por um pistão hidráulico de área igual a 0,01 m2. Qual o valor da pressão?
Provas
Questão presente nas seguintes provas

LIRA, F. A. Metrologia na Indústria. São Paulo: Érica, 2007, p.196.
A técnica ilustrada acima é denominada GUARD. Em que condição o terminal GUARD deve ser ligado no terminal LO do circuito sob teste?
Provas
Questão presente nas seguintes provas
Cadernos
Caderno Container