Foram encontradas 2.327 questões.
Sabe-se que a saída do controlador varia de 4-20 mAcc quando a temperatura varia desde 61ºC a 65ºC. O ganho do controlador proporcional aplicado ao controle de temperatura, numa faixa de 50°C a 100°C, é
Provas
Questão presente nas seguintes provas

As figuras acima representam instrumentos na indústria. Observando a Norma ISA S5.1, a Figura
Provas
Questão presente nas seguintes provas
Os símbolos utilizados na instrumentação são normatizados por meio da ISA S5.1. Segundo essa Norma, o símbolo
Provas
Questão presente nas seguintes provas

A utilização da Norma ISA S5.1 na indústria padroniza algumas informações, tais como as apresentadas nas figuras acima. De acordo com essa Norma, analise as afirmações a seguir.
I – A Figura 1 refere-se a instrumentos discretos com localização primária, acessível ao operador.
II – A Figura 2 refere-se a instrumentos compartilhados montados no campo.
III – A Figura 3 refere-se a um sinal hidráulico.
IV – A Figura 4 refere-se à ligação mecânica.
Está correto APENAS o que se afirma em
Provas
Questão presente nas seguintes provas

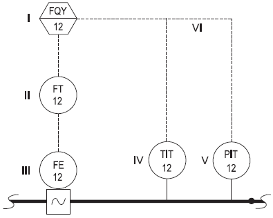
A figura acima representa parte de um fluxograma de engenharia. Nela estão presentes seis elementos identificados por algarismos romanos. Nessa perspectiva, analise as afirmativas abaixo.
P - O elemento I é um transmissor totalizador de fluxo, com localização primária normalmente acessível ao operador.
Q - O elemento II é um transmissor de fluxo, montado no campo.
R - O elemento III é um sensor de fluxo tipo turbina, montado no campo.
S - O elemento IV é um indicador de temperatura, com localização primária normalmente acessível ao operador.
T - O elemento V é um transmissor indicador de pressão, montado no campo.
U - O elemento VI é um sinal pneumático.
Está correto APENAS o que se afirma em
Provas
Questão presente nas seguintes provas
Com a tecnologia avançando, a capacidade de processamento e armazenamento de informações nos próprios transmissores inteligentes cresce a cada dia. Segundo essa ideia, os transmissores inteligentes
Provas
Questão presente nas seguintes provas
A utilização de transmissores na indústria está relacionada à necessidade de leitura de grandezas de forma remota. Um transmissor
Provas
Questão presente nas seguintes provas
Em uma planta de processo industrial, existem instrumentos que realizam leituras de variáveis como pressão, nível, vazão e temperatura, com o intuito de supervisionar e controlar esse processo. Com respeito a transmissores de pressão, afirma-se que
Provas
Questão presente nas seguintes provas
Os transmissores industriais são dispositivos capazes de enviar um determinado valor de variável de processo a certas distâncias. A esse respeito, afirma-se que
Provas
Questão presente nas seguintes provas
Abaixo, mostram-se modelos de gráficos típicos que correlacionam a probabilidade de falha com o tempo de operação de um equipamento.

A partir da análise dos gráficos, conclui-se que
Provas
Questão presente nas seguintes provas
Cadernos
Caderno Container