Foram encontradas 100 questões.
Segundo a simbologia padronizada pela ANSI/IEEE e a IEC, os relés recebem uma numeração que representa a designação da função por eles exercida. Assim, relacione os relés descritos abaixo com suas respectivas numerações.
1. Relé de sobrecorrente temporizado em CA
2. Relé de sobrecorrente direcional em CA
3. Relé térmico de máquinas ou transformadores
4. Relé de sobretensão
5, Relé de frequência
( ) 49
( ) 51
( ) 59
( ) 67
( ) 81
A relação correta, de cima para baixo, é
Provas
A expressão da intensidade, em ampères, de uma corrente elétrica alternada senoidal que percorre uma impedância de 5!$ angle !$30° !$ Omega !$, submetida a uma tensão alternada e(t) 25 2sen(wt) , é dada por
Provas
No sistema internacional de unidades, 1N equivale a
Provas

A figura acima apresenta uma esteira que se movimenta da esquerda para a direita, através do motor “M”. Os dois sensores são de contatos normalmente abertos. O sistema é iniciado através do botão “LIGA” e desligado caso seja detectada uma peça grande ou caso seja acionado o botão “DESLIGA”. Esse sistema em lista de instruções, está representado em
Provas
De acordo com a NBR 5419, o nível de proteção de uma estrutura expressa a eficiência, isto é, a probabilidade com o qual um Sistema de Proteção contra Descargas Atmosféricas (SPDA) protege um volume contra os efeitos dessas descargas. Conforme essas normas, as estruturas residenciais e industriais são classificadas com nível de proteção
Provas
Do ponto de vista do consumidor, “energia elétrica de boa qualidade é aquela que garante o funcionamento contínuo, seguro e adequado dos equipamentos elétricos e processos associados, sem afetar o meio ambiente e o bem estar das pessoas” (Bronzeado,1997). Nessa perspectiva, um agente que NÃO é o causador da diminuição da qualidade da energia elétrica fornecida aos consumidores é
Provas

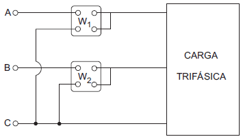
A figura acima mostra o esquema de ligação para a medição de potência ativa total de um sistema trifásico, utilizando o Método dos dois wattímetros. Ao fazer a medição, foi constatado que o wattímetro W1 marcava um valor positivo e o wattímetro W2 indicava um valor negativo. Isso significa que o fator de potência é
Provas
A manutenção dos disjuntores isolados a óleo requer, fundamentalmente, cuidados com os seguintes componentes: óleo isolante, contatos, buchas, atuador mecânico e circuitos auxiliares. Qual das atividades de manutenção abaixo NÃO se aplica à manutenção desse tipo de disjuntor?
Provas
Observando os conceitos de luminotécnica e os equipamentos utilizados nos sistemas de iluminação industrial, analise as afirmativas abaixo.
I – A luz que uma lâmpada irradia, relacionada à superfície à qual incide, define uma grandeza luminotécnica, denominada Iluminamento ou Iluminância, que é expressa em Lúmen (Lm) e indica o fluxo luminoso de uma fonte de luz que incide sobre uma superfície situada a uma certa distância desta fonte.
II – Para o funcionamento das lâmpadas de vapor de sódio e vapor metálico, ambas de alta pressão, são necessários dois dispositivos: o reator e o ignitor.
III – Duas das vantagens de se utilizarem os reatores eletrônicos, em vez dos eletromagnéticos, são a menor dimensão e o maior rendimento.
Está correto APENAS o que se afirma em
Provas
Uma indústria ligada a um sistema de 1000 V, 60 Hz possui as seguintes cargas:
20 kW para aquecimento (fator de potência unitário);
12 kW para motores de indução (fator de potência 0,6 atrasado);
5 kW para iluminação (fator de potência 0,8).
O valor da potência reativa a ser fornecido por um banco de capacitores para elevar o fator de potência para o valor unitário é dado, em KVAR, por
Provas
Caderno Container