Magna Concursos

Foram encontradas 100 questões.

2881023 Ano: 2010
Disciplina: Engenharia Eletrônica
Banca: CESGRANRIO
Orgão: Petrobrás

Uma das características da família de circuitos lógicos C-MOS é que, em geral,

 

Provas

Questão presente nas seguintes provas
2881022 Ano: 2010
Disciplina: Engenharia Eletrônica
Banca: CESGRANRIO
Orgão: Petrobrás

Enunciado 3090248-1

A expressão booleana correspondente à tabela verdade acima e representada como a soma de mintermos é descrita por

 

Provas

Questão presente nas seguintes provas
2881021 Ano: 2010
Disciplina: Engenharia Eletrônica
Banca: CESGRANRIO
Orgão: Petrobrás

Os termopares são utilizados para medir

 

Provas

Questão presente nas seguintes provas
2881020 Ano: 2010
Disciplina: Engenharia Eletrônica
Banca: CESGRANRIO
Orgão: Petrobrás

Enunciado 3090246-1

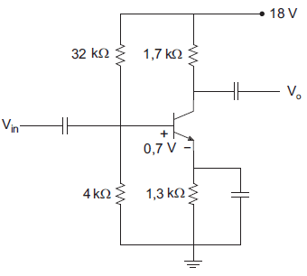
O ganho A = Vo/Vin do circuito acima é dado, aproximadamente, por

 

Provas

Questão presente nas seguintes provas
2881019 Ano: 2010
Disciplina: Engenharia Eletrônica
Banca: CESGRANRIO
Orgão: Petrobrás

Dado o circuito abaixo, a corrente de saturação do coletor e a tensão de corte entre coletor e emissor são, respectivamente,

Enunciado 3090245-1

 

Provas

Questão presente nas seguintes provas
2881018 Ano: 2010
Disciplina: Engenharia Eletrônica
Banca: CESGRANRIO
Orgão: Petrobrás

O retificador em ponte abaixo apresenta uma tensão de pico VAB = 12 V no secundário do transformador.

Enunciado 3090244-1

Sabe-se que o capacitor foi escolhido de forma a se obter um ripple de 10% da tensão de pico na carga RL. Então, o valor e a frequência do ripple são, respectivamente,

 

Provas

Questão presente nas seguintes provas
2881017 Ano: 2010
Disciplina: Engenharia Eletrônica
Banca: CESGRANRIO
Orgão: Petrobrás

No circuito ao lado, a fonte CA possui uma tensão de pico de 10 V e frequência de 1Hz, e os diodos zener uma tensão de condução direta de 0,7 V.

Enunciado 3090243-1

A forma de onda da tensão em R2 será, então,

 

Provas

Questão presente nas seguintes provas
2881016 Ano: 2010
Disciplina: Engenharia Eletrônica
Banca: CESGRANRIO
Orgão: Petrobrás

O transistor do circuito abaixo apresenta uma tensão de condução VBE = 0,7 V.

Enunciado 3090241-1

A corrente de coletor e tensão coletor-emissor no ponto de operação são, respectivamente,

 

Provas

Questão presente nas seguintes provas
2880875 Ano: 2010
Disciplina: Engenharia Elétrica
Banca: CESGRANRIO
Orgão: Petrobrás

Quanto à utilização do voltímetro, deve-se considerar que

 

Provas

Questão presente nas seguintes provas
2880874 Ano: 2010
Disciplina: Engenharia Elétrica
Banca: CESGRANRIO
Orgão: Petrobrás

Uma fonte é utilizada como gerador de clock para um circuito sequencial síncrono. O circuito não está funcionando corretamente, pois o tempo de transição entre os estados está maior que o esperado. Após uma análise do circuito, suspeita-se que o problema está no período do sinal, na saída do gerador de clock. Para medir o período deste sinal, deve-se utilizar, preferencialmente um

 

Provas

Questão presente nas seguintes provas