Foram encontradas 2.308 questões.
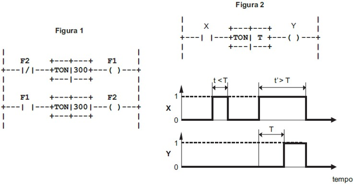
A Figura 1 mostra um oscilador astável implementado na linguagem Ladder de um CLP, utilizando o temporizador com atraso no acionamento TON. O funcionamento do temporizador encontra-se ilustrado na Figura 2. Considere que F1 e F2 são variáveis binárias na memória do CLP, que os tempos indicados em ambos os temporizadores estão em milissegundos e que o ciclo de varredura do CLP é de 100ms.

Considerando que cada subdivisão do tempo nos gráficos abaixo corresponde a um ciclo de varredura do CLP, que, inicialmente, F1 e F2 estão em nível lógico zero, e que a contagem dos temporizadores está zerada, o gráfico que corresponde à variação temporal de F1 é:
Provas

A figura ilustra um multiplexador de 4 entradas para 1 saída e o correspondente Mapa de Karnaugh do circuito. Os sinais S1 e S0 são as entradas de controle do integrado, onde S1 representa o bit mais significativo. Neste caso, as posições x, y e z do mapa correspondem, respectivamente, aos valores
Provas

A figura acima apresenta o programa de um CLP em linguagem Ladder. As bobinas de saída Y1 e Y2 comandam, respectivamente, o acendimento das lâmpadas L1 e L2. Considere que a execução do programa tenha começado em t = 0 e que o temporizador tenha sido inicializado nesse instante. O estado das lâmpadas em t = 50s e t = 367s é
| t = 50s | t = 367s | ||
| L1 | L2 | L1 | L2 |
Provas

A figura acima mostra um circuito com amplificador operacional, considerado ideal, e o gráfico do sinal de tensão VIN submetido na entrada do circuito. O valor médio do sinal de tensão de saída V0, em volts, é
Provas

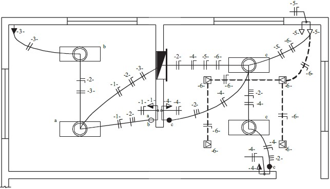
Em relação ao projeto elétrico apresentado na figura acima, considere as seguintes afirmativas a seguir.
I - Existem dois interruptores do tipo four-way.
II - Existem três tomadas de luz a 1.300 mm do piso acabado.
III - Existem quatro saídas para telefone interno no piso.
É(São) correta(s) APENAS a(s) afirmativa(s)
Provas

A figura acima apresenta um circuito lógico, onde A, B e C são sinais digitais. Se o sinal C estiver em nível lógico 0, a expressão booleana do sinal de saída D será
Provas
Um grupo de profissionais está realizando um trabalho de estudo estatístico do perfil de temperaturas de um forno que trabalha a altas temperaturas. Para o sucesso deste trabalho é necessário que as medidas sejam armazenadas ao longo de um mês, em intervalos de 5 segundos, sendo que a precisão dos valores observados interfere diretamente nos resultados obtidos. Todos os sensores instalados são termopares tipo T (0 a 350 ºC com limite de erro de !$ \pm !$ 0,1 ºC). Durante o teste de comissionamento, uma das temperaturas observadas no computador de monitoramento foi de 28,263781ºC e, então, a primeira conclusão a que se chega é a de que o
Provas
Um transmissor de pressão foi instalado em um tanque de armazenamento de gás. O sinal de saída deste transmissor varia de 4 a 20 mA e a faixa linear de calibração foi configurada para 0 a 200 psi. Se o valor da pressão interna do tanque estiver em 150 psi, qual será a corrente, em mA, gerada pelo transmissor?
Provas
Um manômetro do tipo U contém um fluido com densidade 1,6. O fluido é utilizado na medição de diferença de pressão de água. Dado que 1Pa !$ \cong !$ 10–5 atm, qual é a diferença de pressão para uma leitura de 12cm?
Provas
Utiliza-se um sensor de pressão piezoelétrico com constante de tempo de 300s em uma situação quase estática. Qual o tempo máximo, em s, em que se deve ler a saída a fim de garantir uma precisão de 1%?
Provas
Caderno Container