Foram encontradas 2.308 questões.
Considere uma indústria que não dispõe do condutor neutro distribuído ao longo de suas instalações. De acordo com a NBR 5.410, que trata das Instalações Elétricas de Baixa Tensão, o esquema de aterramento mais adequado para esta situação é o
Provas

Uma certa instalação elétrica apresenta duas máquinas elétricas, ligadas em paralelo, conforme ilustra a figura acima. A potência ativa da máquina 1 é de 2,4 kW, enquanto a da segunda é de 1,2 kW. A potência reativa total da instalação é de 2,7 kvar indutivo.
Considerando que a tensão alternada de entrada VE da instalação é de 150 volts eficazes e que a potência reativa da máquina 1 é de 1,8 kvar indutivo, então, a impedância, em ohms, da máquina 1 é, aproximadamente,
Provas

Uma certa instalação elétrica apresenta duas máquinas elétricas, ligadas em paralelo, conforme ilustra a figura acima. A potência ativa da máquina 1 é de 2,4 kW, enquanto a da segunda é de 1,2 kW. A potência reativa total da instalação é de 2,7 kvar indutivo.
Neste caso, o fator de potência apresentado por esta instalação elétrica é
Provas
Um transformador monofásico de 8kV / 220V apresenta, no lado de baixa tensão, à plena carga no secundário, a tensão de 200V. A regulação de tensão em relação à condição de plena carga é
Provas
Uma dona de casa, ao tocar na máquina de lavar roupas em funcionamento, levou um choque elétrico, isto é, foi submetida a uma diferença de potencial elétrico. O técnico, ao ser chamado, verificou que o problema poderia ser resolvido de várias maneiras. Dos procedimentos abaixo, o único que, isoladamente, NÃO permite a proteção do usuário contra esse tipo de problema é o(a)
Provas

A figura ilustra as vistas ortográficas frontal e superior de um determinado objeto. A vista ortográfica lateral correspondente a esse mesmo objeto, a ser inserida no quadrado pontilhado, é
Provas
Um elétron desloca-se em movimento circular a uma velocidade de 1,5 !$ \times !$ 106m/s no interior de um campo magnético uniforme de 3 !$ \times !$ 10–4 T. Considere que a massa do elétron seja aproximadamente 9 !$ \times !$ 10–31 kg e que sua carga seja 1,6 !$ \times !$ 10–19 C. O raio da circunferência descrita pelo elétron, em cm, é, aproximadamente,
Provas

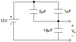
Considerando os dados do circuito da figura acima, o valor da tensão Vo, em volts, é:
Provas
Na conta de luz enviada para uma residência pela concessionária de energia elétrica constava o consumo de 120 kWh. Considerando que o intervalo entre as medidas realizadas pela concessionária tenha sido de 30 dias, o consumo médio diário de energia, em kJ, equivale a
Provas
Um certo cabo elétrico com área de seção reta de 12 mm2 apresenta resistividade de 2!$ \times !$10–5 !$ \Omega !$m e comprimento de 60m. Com relação a este cabo, a resistência elétrica total, em ohms, será, aproximadamente, de
Provas
Caderno Container