Magna Concursos

Foram encontradas 2.308 questões.

85595 Ano: 2008
Disciplina: Engenharia Elétrica
Banca: CESGRANRIO
Orgão: Petrobrás

Em sistemas de aterramento, é muito importante saber a resistividade do solo. Um dos métodos utilizados para se estimar a resistividade do solo é o Método de Wenner, que consiste em colocar quatro eletrodos de teste de um megger em linha, dois de potenciais e dois de corrente, enterrados a uma profundidade de aproximadamente 20 cm. Supondo que os eletrodos de potenciais são designados por P1 e P2, e os de corrente por C1 e C2, a ligação correta dos eletrodos do aparelho, de acordo com o Método de Wenner, é

 

Provas

Questão presente nas seguintes provas
85594 Ano: 2008
Disciplina: Engenharia Elétrica
Banca: CESGRANRIO
Orgão: Petrobrás

Enunciado 85594-1

A figura ilustra um circuito de comando, responsável por conectar um banco de capacitores na entrada de energia elétrica de determinada fábrica para ajustar o fator de potência, através do acionamento da chave contatora C1. A fábrica é aberta às 6 horas da manhã, quando, então, um funcionário fecha a chave CH. O temporizador, previamente programado, passa a fornecer os sinais S1 e S2 apresentados nos gráficos, cujos pulsos possuem duração aproximada de 2 minutos. Com relação ao funcionamento do sistema, analise as afirmativas a seguir.

I - O relé K1 é acionado por cerca de 4 minutos durante o expediente da fábrica, de 6h até 20h.

II - A função do relé K1 é permitir o acionamento da chave contatora C1.

III - O banco de capacitores permanece conectado por aproximadamente 5 horas desde o momento que a fábrica é aberta até às 20h.

É(São) correta(s) a(s) afirmativa(s)

 

Provas

Questão presente nas seguintes provas
85593 Ano: 2008
Disciplina: Engenharia Elétrica
Banca: CESGRANRIO
Orgão: Petrobrás

Em uma dada instalação elétrica ocorreu a queima de vários equipamentos que estavam sendo alimentados por circuitos ligados a uma determinada fase. Um técnico constatou que o fio neutro do alimentador do quadro dos circuitos terminais estava rompido. Assim, possível causa da queima dos equipamentos foi o surgimento de

 

Provas

Questão presente nas seguintes provas
85592 Ano: 2008
Disciplina: Engenharia Elétrica
Banca: CESGRANRIO
Orgão: Petrobrás

Um galpão industrial de 11m x 30m e altura de 7m deve ter um iluminamento médio no plano de trabalho de 500 lux. Deseja-se iluminar o galpão com projetores utilizando lâmpadas a vapor de mercúrio de 400 W, que têm fluxo luminoso inicial de 22.000 lúmens. Sabe-se que cada projetor comporta apenas uma lâmpada e que o fator de utilização do recinto e o fator de depreciação da luminária são iguais e valem !$ \dfrac {\sqrt{2}} 2 !$. De acordo com o método dos lúmens, quantos projetores serão necessários para iluminar o galpão?

 

Provas

Questão presente nas seguintes provas
85591 Ano: 2008
Disciplina: Engenharia Elétrica
Banca: CESGRANRIO
Orgão: Petrobrás

Enunciado 85591-1

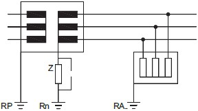
De acordo com a NBR-14.039, que trata de Instalações Elétricas de Média Tensão, de 1,0kV a 36,2kV, o esquema de aterramento apresentado na figura acima é o

 

Provas

Questão presente nas seguintes provas
85590 Ano: 2008
Disciplina: Engenharia Elétrica
Banca: CESGRANRIO
Orgão: Petrobrás

Os esquemas de aterramento previstos na norma que regula os procedimentos em instalações elétricas de baixa tensão (NBR 5.410) são: TN-S, TN-C, TN-C-S, TT e IT. Com relação a esses esquemas de aterramento, analise as afirmativas abaixo.

I - Para o esquema TN-C, as cargas são aterradas em um ponto diferente da fonte.

II - Para o esquema IT, é obrigatória a utilização de DR em todos os circuitos terminais.

III - Para o esquema TN-S, os quadros de distribuição de circuitos terminais são dotados de barramentos de terra, onde não podem ser conectados os condutores de neutro.

É(São) correta(s) APENAS a(s) afirmativa(s)

 

Provas

Questão presente nas seguintes provas
85589 Ano: 2008
Disciplina: Engenharia Elétrica
Banca: CESGRANRIO
Orgão: Petrobrás

Enunciado 85589-1

Utilizando-se a configuração acima para a ligação de dois wattímetros, é possível realizar a medição das potências ativa e reativa em uma carga trifásica. Sabendo-se que as medições dos wattímetros são W1 e W2, a soma de W1 e W2 é igual à potência

 

Provas

Questão presente nas seguintes provas
85588 Ano: 2008
Disciplina: Engenharia Elétrica
Banca: CESGRANRIO
Orgão: Petrobrás

O banco de baterias de um sistema no-break, cuja tensão nominal é 120V, foi projetado para fornecer uma corrente média de 25A durante um período de 8 horas. Sabe-se que o rendimento do inversor é de 75%. Supondo um caso hipotético em que não haja limite de corrente e que a tensão do banco seja sempre constante, qual será o tempo de autonomia do sistema se uma carga de 12kW for conectada na saída do inversor?

 

Provas

Questão presente nas seguintes provas
85587 Ano: 2008
Disciplina: Engenharia Elétrica
Banca: CESGRANRIO
Orgão: Petrobrás

Um painel elétrico de baixa tensão será instalado em uma subestação localizada próxima a uma mina de ferro, que se encontra abaixo do nível do mar. Já foram relatados casos em que houve inundação dentro da subestação. Por este motivo, deseja-se que o painel seja totalmente protegido contra poeira e também contra uma possível imersão temporária. Assim, o Índice de Proteção (IP) deste painel deve ser, no mínimo,

 

Provas

Questão presente nas seguintes provas
85586 Ano: 2008
Disciplina: Engenharia Elétrica
Banca: CESGRANRIO
Orgão: Petrobrás

Enunciado 85586-1

A figura acima mostra um ohmímetro série, alimentado por uma pilha de 1,5 V, que usa um galvanômetro de bobina móvel com escala linear, cuja resistência interna da bobina é de 50!$ \Omega !$. A corrente de fundo de escala é de 100!$ \mu !$A. O ajuste zero é feito através do potenciômetro Rp cujo valor ajustado foi de 3,5k!$ \Omega !$.

Qual o valor do resistor Rx se, após o ajuste zero e durante a medida, o ponteiro se posicionar a 75% do fundo da escala?

 

Provas

Questão presente nas seguintes provas