Foram encontradas 3.569 questões.
O tratamento térmico aplicável aos aços que requer um resfriamento rápido, usando imersão em água ou óleo, é:
Provas
Disciplina: Segurança e Saúde no Trabalho (SST)
Banca: CESGRANRIO
Orgão: Petrobrás
A espuma é um agente extintor aplicável às seguintes classes de incêndio:
Provas
Disciplina: Segurança e Saúde no Trabalho (SST)
Banca: CESGRANRIO
Orgão: Petrobrás
A classe de incêndio identificada pelo fogo em materiais como tecidos, madeira e papel é a:
Provas
Disciplina: Segurança e Saúde no Trabalho (SST)
Banca: CESGRANRIO
Orgão: Petrobrás
São agentes físicos que provocam doenças ocupacionais:
Provas
Um fator que contribui para deslocar para a direita o cotovelo da curva TTT, aumentando a temperabilidade dos aços-liga, é a(o):
Provas
São características gerais dos materiais cerâmicos:
Provas
A estrutura cristalina da ferrita é:
Provas
Considere o diagrama de fase do aço carbono com 0,8% C, na solução sólida eutetóide, e 6,7% C, na solução sólida de Fe3C. Qual a quantidade de ferrita total em uma liga de ferro com 0,2% C, a temperatura ambiente, que sofreu resfriamento próximo do equilíbrio?
Provas
A tensão normal, devido à aplicação de um momento fletor de 30.000 N.mm, em uma seção transversal retangular com 10 mm de base e 20 mm de altura, em MPa, é igual a:
Provas
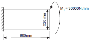
Observe a figura abaixo.

Considere o módulo de rigidez igual a 80.000 MPa.
Qual a tensão de cisalhamento máxima, em MPa, devido a esforço de torção no corpo cilíndrico?
Provas
Caderno Container