Foram encontradas 960 questões.

Considerando a figura acima, que representa uma curva em banheira (na qual se distinguem 3 regiões) da taxa de falhas de certo componente ou sistema, julgue os itens subsequentes, referentes a métodos de manutenção e qualidade total, confiabilidade e falhas.
As taxas de falha da região 1 e da região 3 apresentam as mesmas causas básicas.
Provas
Em uma fábrica que opera há cerca de cinco anos, cinco equipes técnicas (A, B, C, D e E) atuam, conforme suas especialidades, em projetos, instalações e manutenção de máquinas e equipamentos. Sempre que uma máquina sofre pane e paralisa uma linha de produção, a equipe A é prontamente solicitada para recolocar a máquina em condições de executar a sua função. A equipe B atua na análise de possíveis falhas de equipamentos bem como na previsão de manutenção, realizada com base nos diagnósticos dos parâmetros dos sistemas produtivos e nos testes periódicos de peças de máquinas. A equipe C intervém nas máquinas em períodos preestabelecidos, antes mesmo que haja paralisação por defeitos das máquinas. A equipe D, por sua vez, atua em diferentes equipes, participando de projetos e instalações, assim como acompanhando a manutenção por períodos predeterminados, desde a concepção do equipamento até a realização dos ajustes finais. A equipe E modifica situações permanentes de mau desempenho ) com o objetivo de minimizar problemas crônicos, melhorando padrões ) e desenvolve a manutenibilidade, chegando a interferir tecnicamente nas compras. Com base na situação hipotética descrita acima, julgue os itens seguintes.
A equipe E corresponde à área de engenharia de manutenção.
Provas
Em uma fábrica que opera há cerca de cinco anos, cinco equipes técnicas (A, B, C, D e E) atuam, conforme suas especialidades, em projetos, instalações e manutenção de máquinas e equipamentos. Sempre que uma máquina sofre pane e paralisa uma linha de produção, a equipe A é prontamente solicitada para recolocar a máquina em condições de executar a sua função. A equipe B atua na análise de possíveis falhas de equipamentos bem como na previsão de manutenção, realizada com base nos diagnósticos dos parâmetros dos sistemas produtivos e nos testes periódicos de peças de máquinas. A equipe C intervém nas máquinas em períodos preestabelecidos, antes mesmo que haja paralisação por defeitos das máquinas. A equipe D, por sua vez, atua em diferentes equipes, participando de projetos e instalações, assim como acompanhando a manutenção por períodos predeterminados, desde a concepção do equipamento até a realização dos ajustes finais. A equipe E modifica situações permanentes de mau desempenho ) com o objetivo de minimizar problemas crônicos, melhorando padrões ) e desenvolve a manutenibilidade, chegando a interferir tecnicamente nas compras. Com base na situação hipotética descrita acima, julgue os itens seguintes.
A equipe D compõe o grupo da terotecnologia.
Provas
Em uma fábrica que opera há cerca de cinco anos, cinco equipes técnicas (A, B, C, D e E) atuam, conforme suas especialidades, em projetos, instalações e manutenção de máquinas e equipamentos. Sempre que uma máquina sofre pane e paralisa uma linha de produção, a equipe A é prontamente solicitada para recolocar a máquina em condições de executar a sua função. A equipe B atua na análise de possíveis falhas de equipamentos bem como na previsão de manutenção, realizada com base nos diagnósticos dos parâmetros dos sistemas produtivos e nos testes periódicos de peças de máquinas. A equipe C intervém nas máquinas em períodos preestabelecidos, antes mesmo que haja paralisação por defeitos das máquinas. A equipe D, por sua vez, atua em diferentes equipes, participando de projetos e instalações, assim como acompanhando a manutenção por períodos predeterminados, desde a concepção do equipamento até a realização dos ajustes finais. A equipe E modifica situações permanentes de mau desempenho ) com o objetivo de minimizar problemas crônicos, melhorando padrões ) e desenvolve a manutenibilidade, chegando a interferir tecnicamente nas compras. Com base na situação hipotética descrita acima, julgue os itens seguintes.
A equipe B realiza a manutenção corretiva.
Provas

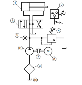
Considerando o esquema mostrado na figura acima, que representa uma aplicação de sistemas hidráulicos e pneumáticos, julgue os itens de 106 a 108.
O elemento 2 consiste em um pressostato que fornece o valor da força no atuador 1.
Provas

Considerando o esquema mostrado na figura acima, que representa uma aplicação de sistemas hidráulicos e pneumáticos, julgue os itens de 106 a 108.
O elemento 4 do circuito é uma válvula limitadora de pressão normalmente fechada.
Provas

Considerando o esquema mostrado na figura acima, que representa uma aplicação de sistemas hidráulicos e pneumáticos, julgue os itens de 106 a 108.
A válvula 3, na posição central, permite que o atuador 1 tenha movimento livre, enquanto o fluxo da bomba é devolvido ao tanque.
Provas
Considerando a associação de duas bombas iguais em paralelo, julgue o item seguinte.
Se, por qualquer razão, uma das bombas dessa associação parar de funcionar, o NPSH (net positive suction head) requerido passará a ser menor que o do momento em que estava operando em associação, o que reduz o risco de cavitação.
Provas
Acerca de bombas de deslocamento positivo, julgue o próximo item.
As bombas de duplo-parafuso são usadas em aplicações nas quais a vazão varia em função da carga exercida sobre a bomba, independentemente da velocidade de rotação dos parafusos.
Provas

a curva III corresponde à configuração A; a curva II, à configuração B; e a curva I, à configuração C.
Provas
Caderno Container