Foram encontradas 503 questões.
Sobre o processo conhecido como co-evolução, é correto afirmar que:
Provas
A Entomologia Forense consiste na utilização de artrópodos – especialmente insetos – como ferramenta na investigação criminal, seja na determinação do intervalo pós-morte, na comprovação de substâncias tóxicas no cadáver, na determinação do local do crime, entre outros. Trata-se de uma área nova, com poucos grupos de pesquisa no Brasil, especialmente em Pernambuco. Sobre este tema, assinale a alternativa incorreta:
Provas
A figura abaixo é o esquema de um gerador monofásico.

A seqüência correta dos componentes assinalados é:
Provas
Luciana teve um filho, e Anderson, seu ex-namorado, nega a paternidade da criança, alegando que o filho pode ser de Paulo (irmão de Anderson), ou de João (primo de Anderson), ou ainda de um vizinho, Antônio. Para solucionar esse impasse, a família de Luciana resolveu fazer um teste de paternidade, e o resultado foi o seguinte:

Assinale a alternativa que interpreta corretamente os resultados do teste.
Provas
Os relés de sobrecarga para contactores são muito utilizados em instalações industriais para proteção de motores. A respeito deles é incorreto afirmar:
Provas
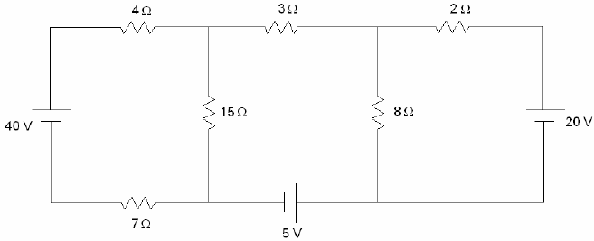
Qual a corrente que circula pelo resistor de 3 !$ Ω !$ do circuito abaixo?

Provas
Assinale a alternativa que contém uma afirmação correta:
Provas
Nos últimos 40 anos, houve um enorme avanço nas técnicas de análise e manipulação do DNA, especialmente a partir da descoberta da ação das enzimas de restrição, que clivam o DNA de fita dupla em fragmentos menores, mais fáceis de manejar. Isto abriu espaço para a manipulação do genoma, produzindo organismos modificados com aplicações diversas. Considere as afirmações abaixo sobre as técnicas de biologia molecular.
1. Um vetor é uma molécula de DNA à qual o fragmento de DNA a ser clonado está ligado.
2. Os plasmídeos podem transportar genes que fornecem resistência a antibióticos à bactéria hospedeira e podem facilitar a transferência de informação genética de uma bactéria a outra.
3. As enzimas de restrição, obtidas a partir de organismos eucariontes, reconhecem fitas longas de DNA, com no mínimo 120 pares de bases.
4. Uma vez que os sítios de restrição ocorrem obrigatoriamente em um mesmo padrão previsível, as enzimas de restrição clivam o DNA em fragmentos de tamanhos rigorosamente iguais para cada espécie.
Está (ão) correta(s):
Provas
Disciplina: TI - Redes de Computadores
Banca: IPAD
Orgão: Polícia Científica-PE
Os parâmetros de QoS tradicionais incluem a largura de banda, atraso, jitter e taxa de perda. Em relação a estes parâmetros, analise as afirmativas abaixo.
1. WWW, FTP e TELNET são muito sensíveis ao jitter.
2. Aplicações de vídeo são pouco sensíveis à perda.
3. O nível de QoS fornecido pela Internet é o "melhor esforço".
Está (ão) correta(s):
Provas
Enzimas são catalisadores de natureza geralmente protéica que aumentam a velocidade de uma reação química e não são consumidos durante a reação que catalisam. Assinale a alternativa incorreta:
Provas
Caderno Container