Foram encontradas 187 questões.
O acetileno é um gás inflamável que pode ser obtido pela reação

Quando se formam 52 g de acetileno, numa reação com 100% de rendimento, a massa de CaO gerada é

Provas
O etanol é solúvel em água porque
I. possui um grupo hidroxila, hidrofílico.
II. sua molécula é apolar.
III. forma íons em contato com a água.
IV. possui cadeia carbônica lipofílica.
É correto o que se afirma APENAS em
Provas
A tabela abaixo contém as temperaturas de fusão e ebulição de cinco hidrocarbonetos.

Poderá ser utilizado como combustível gasoso, em temperatura ambiente de 25 °C, o hidrocarboneto
Provas
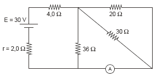
O circuito elétrico esquematizado abaixo é constituído de um gerador, de f.e.m. E = 30 V e resistência interna r = 2,0 Ω, alimentando uma associação de resistores ôhmicos cujas resistências elétricas estão indicadas e um amperímetro A que pode ser considerado ideal.

Nestas condições, a indicação do amperímetro, em ampères, vale
Provas
Num ponto P, próximo à superfície da Terra, uma partícula de massa m = 2,0 . 10−3 kg e eletrizada com carga q = −4,0 . 10−6 C está em equilíbrio sob a ação de dois campos: um gravitacional e outro elétrico. Assumindo que a aceleração da gravidade nesse ponto vale 10 m/s2, o vetor campo elétrico em P é vertical,
Provas
Um raio de luz incide sob ângulo de 30° em um espelho plano AB, colocado horizontalmente.

Se o espelho sofrer uma rotação, no sentido horário, de 30° em torno de A, o ângulo que o raio refletido formará com o espelho na nova posição será de
Provas
Uma máquina térmica realiza o ciclo de Carnot, operando entre duas fontes de calor. A temperatura absoluta da fonte fria é F e da fonte quente é Q.
Nestas condições, o rendimento dessa máquina vale
Provas
Sob potência constante de 168 W, é promovido o aquecimento de 2,0 kg de certa substância pura, durante 10 minutos e construiu-se o gráfico. Adote 1 cal = 4,2 J.

O calor específico da substância, em cal/g °C, é
Provas
Um tanque cilíndrico, de raio 4,0 m e altura 10 m, contém 240 toneladas de álcool, cuja densidade é 8,0 . 102 kg/m3. Adote g = 10 m/s2. A pressão hidrostática num ponto do líquido situado à sua meia altura vale, em N/m2,
Provas
O pêndulo balístico é um dispositivo que se usava para a determinação da velocidade de uma bala. Consta de um corpo de massa M preso ao teto por dois fios de massa desprezível.

Contra ele é disparada horizontalmente uma bala de massa m, que na colisão permanece incrustada nele. O sistema se eleva, então, a uma distância máxima vertical y. Adotando os valores: M = 12 kg, m = 0,050 kg, g = 10 m/s2 e y = 0,20 m, a velocidade da bala, em m/s, é
Provas
Caderno Container