Foram encontradas 120 questões.

Considerando que o circuito elétrico esquematizado na figura acima funcione em regime senoidal permanente, julgue o item a seguir.
A impedância equivalente do circuito entre os terminais A e B, à frequência da fonte, é igual a 4 + j3 S, em que !$ j = \sqrt{-1} !$.
Provas
A energia elétrica é normalmente gerada em usinas que podem estar localizadas próximas ou afastadas dos centros de consumo. Acerca desse assunto, julgue os itens que se seguem.
Considere o caso de geradores que têm a mesma potência e são sincronizados a uma mesma rede elétrica. Para situação como essa, geradores hidráulicos precisam ser acionados, em geral, a velocidades mecânicas superiores à velocidade mecânica de geradores térmicos.
Provas

A figura acima mostra um capacitor de placas paralelas carregadas com cargas +Q e –Q, distribuídas uniformemente sobre as respectivas placas. Cada placa tem área A, estando as mesmas separadas por uma distância d. A distância d é muito menor que qualquer uma das dimensões das placas, sendo o espaço entre placas preenchido por um material dielétrico homogêneo de permissividade dielétrica igual a g. Com base nessas informações e desprezando o efeito da dispersão do campo elétrico nas bordas das placas, julgue o item subsequente.
O valor da capacitância do capacitor formado pelas placas e o material dielétrico depende somente da área A das placas e da distância d que as separa.
Provas

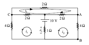
Considerando que, no circuito elétrico mostrado na figura acima, todas as resistências estejam em ohms e as grandezas i1, i2 e i3 representem correntes de malha orientadas conforme os loops mostrados no circuito, julgue o item que se segue.
Considere que o resistor de 4 !$ \Omega !$ entre os pontos A e B seja curto-circuitado. Nessa situação de operação, a tensão e1 sobre o resistor de 1 !$ \Omega !$ é superior a 4 V.
Provas
A respeito de dispositivos de comando em circuitos de acionamentos elétricos em uma planta industrial, julgue os próximos itens.
Os contactores, tal como os pressostatos, são exemplos de dispositivos que são operados apenas manualmente.
Provas
As máquinas elétricas utilizadas como gerador ou como motores são encontradas nos mais diferentes tipos de aplicações. A respeito dessas máquinas, julgue os itens que se seguem.
Em um gerador CC com excitação independente, o circuito de campo é alimentado por uma fonte de tensão independente do gerador, por exemplo, uma bateria. Diferentemente, um gerador CC com excitação em derivação (shunt) fornece a alimentação para o seu próprio circuito de campo por meio de adequada conexão aos terminais da armadura.
Provas

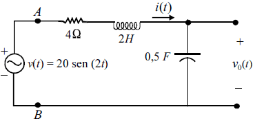
Considerando que, no circuito ilustrado na figura acima, a chave K seja ligada no instante t = 0 s e que, antes do fechamento da chave, o indutor e o capacitor encontrem-se descarregados, julgue os itens seguintes.
Em regime permanente, a tensão v 0 (t) é igual a 10 V.
Provas
A respeito de dispositivos de comando em circuitos de acionamentos elétricos em uma planta industrial, julgue os próximos itens.
O funcionamento adequado de um termostato no circuito de comando depende da existência de um pressostato que fica ligado em série ao circuito de força do equipamento a ser comandado.
Provas

Considerando que, no circuito elétrico mostrado na figura acima, todas as resistências estejam em ohms e as grandezas i 1 , i 2 e i 3 representem correntes de malha orientadas conforme os loops mostrados no circuito, julgue os itens que se seguem.
As correntes de malha podem ser relacionadas como i 1 = i 2 –3i 3 .
Provas
Uma linha de transmissão é um circuito que consiste essencialmente de dois ou mais condutores paralelos usados para interconectar uma fonte de energia a uma carga. As linhas de transmissão são utilizadas para distribuição/transmissão de energia elétrica (baixas freqüências) e em telecomunicações (altas freqüências). A respeito desse assunto, julgue os seguintes itens.
A carta de Smith, a qual pode ser utilizada para avaliação gráfica da impedância de uma linha de transmissão, aplica-se somente a linhas sem perdas.
Provas
Caderno Container