Foram encontradas 1.703 questões.
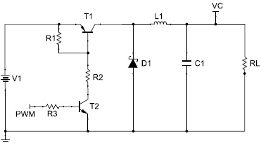
A topologia, ou arranjo típico de componentes, para uma fonte de alimentação chaveada regulada é mostrada na figura a seguir. Sabe-se que V1 é a tensão externa de alimentação, RL é a carga que será alimentada pela fonte, VC é a medida da tensão instantânea aplicada à carga, e PWM o sinal que controla o disparo do transistor T2 e T1.

Sobre esse circuito é correto afirmar que se trata de uma fonte tipo
Provas
A seguinte montagem com os diodos D1 e D2, mostrada na figura, é utilizada em um circuito eletrônico para que um sinal externo analógico possa ser admitido em uma porta analógica de um circuito integrado microcontrolador (U1), como mostrado na figura a seguir.

Esse tipo de circuito com os diodos D1 e D2 constitui um exemplo de um circuito
Provas
Uma fonte elétrica de corrente contínua, que pode ser representada por uma fonte de tensão ideal em série com uma resistência interna, possui dois terminais de saída, A e B. Essa fonte é capaz de fornecer tensão de saída em vazio, de valor 10 [V]. Acidentalmente, o técnico responsável pela fonte conectou um amperímetro ideal aos seus terminais e efetuou uma leitura de 100 [A] antes que a fonte fosse danificada. Sendo assim, a resistência interna tem valor de
Provas
Um técnico em eletricidade da Universidade São Calaritano foi convidado para avaliar um manual de segurança em eletricidade, apócrifo, disponível na biblioteca da instituição. Nesse manual, ele encontrou a seguinte e correta recomendação:
Provas
Um osciloscópio coletou um registro com a forma de onda de dois sinais puramente senoidais, um de tensão e outro de corrente, sincronizados, que são mostrados na figura a seguir.

Sobre estes sinais, é correto afirmar que os valores para a tensão de pico, para a corrente de pico, e para a frequência são, aproximadamente:
Provas
Deseja-se medir a potência ativa consumida por um equipamento alimentado em tensão alternada senoidal, na frequência da rede elétrica de 60,0 [Hz], em tensão baixa (menor que 20,0 [V]). Sabe-se que o equipamento é uma carga com característica resistiva e indutiva. Dispõem-se, para realizar essa medida, dos seguintes equipamentos: um multímetro, um osciloscópio, um gerador de funções, uma fonte de alimentação em tensão alternada, e de outra em corrente contínua. Desta forma, a medida da potência ativa
Provas
Uma carga elétrica de +20 [C] é movimentada de um ponto B a um ponto A em um circuito elétrico. Dado que a tensão VAB é +150 [V], a energia necessária para executar esse movimento é:
Provas
Uma carga elétrica positiva e pontual está posicionada no vácuo em um ponto P. Essa carga produz campo elétrico em um ponto Q com magnitude
Provas
Um reator monofásico de 220 [V] – 60 [Hz] – 1 [kVAr] foi submetido a um ensaio de corrente contínua e foram obtidos os dados apresentados na tabela.
| Tensão [V] | Corrente [A] |
| 2,0 | 20 |
| 1,0 | 10 |
| 0,5 | 5 |
Considerando que a tensão apresentada na tabela é aplicada aos terminais do reator e a corrente é aquela que circula pela sua bobina quando alimentada pela respectiva tensão, a resistência elétrica do reator é:
Provas
A administração intravenosa de hemocomponentes é indicada para pacientes que sofreram perda sanguínea significativa ou alterações hematológicas decorrentes de doenças ou procedimentos. De acordo com a Resolução do COFEN vigente, em relação à transfusão de hemocomponentes, o técnico de enfermagem deve
Provas
Caderno Container