Magna Concursos

Foram encontradas 1.425 questões.

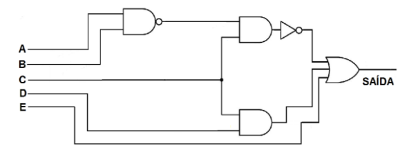
3691820 Ano: 2025
Disciplina: Engenharia Elétrica
Banca: FGV
Orgão: MPU
A figura abaixo apresenta um circuito digital.
Enunciado 4443916-1

A saída será igual a zero para as entradas A, B, C, D e E, respectivamente, iguais a:
Questão Anulada

Provas

Questão presente nas seguintes provas
3691819 Ano: 2025
Disciplina: Engenharia Elétrica
Banca: FGV
Orgão: MPU
A respeito da coordenação dos dispositivos de proteção religador e seccionalizador, é correto afirmar que:
Questão Anulada

Provas

Questão presente nas seguintes provas
3691818 Ano: 2025
Disciplina: Medicina
Banca: FGV
Orgão: MPU
Uma gestante com 29 semanas procura um serviço de medicina fetal por estar com teste de Coombs indireto positivo. Ao ser realizado exame, são identificados anticorpos anti-Kell. É realizado Doppler da artéria cerebral média, sendo encontrado o pico sistólico de velocidade na artéria cerebral média em 1,9MoM.
Nesse caso, a melhor conduta é:
Questão Anulada

Provas

Questão presente nas seguintes provas
Um paciente funcionário de uma indústria metalúrgica, exposto a movimentos repetitivos de membros superiores, refere queixas de dores no punho direito, acompanhadas de parestesia em 3º e 4º quirodáctilos, e apresenta, no seu exame físico, reprodução da parestesia referida à digitopercussão de seu punho direito (sinal de Tinel), assim como teste de Wartenberg positivo.
Um diagnóstico provável para esse quadro clínico é:
Questão Anulada

Provas

Questão presente nas seguintes provas
3691816 Ano: 2025
Disciplina: Geologia
Banca: FGV
Orgão: MPU
A realização de investigações geológicas em materiais antropogênicos precisa ser feita com bastante critério técnico e de segurança, em especial devido à possibilidade de contaminação ambiental e também em razão dos possíveis acidentes com as equipes de campo envolvidas. As investigações que vêm sendo atualmente demandadas para o descomissionamento de empreendimentos incluem os aterros sanitários que atingem o término do seu tempo de utilização, isto é, o término de sua vida útil.
Para uma investigação em aterros sanitários, é necessário que sejam adotados cuidados especiais, já que nesses materiais pode haver substâncias tóxicas relacionadas com:
Questão Anulada

Provas

Questão presente nas seguintes provas
3691815 Ano: 2025
Disciplina: Geologia
Banca: FGV
Orgão: MPU
O trabalho do geólogo voltado para a delimitação de fácies de um depósito sedimentar leva em consideração a observação das estruturas existentes em seu interior. Determinadas estruturas estão associadas com processos de sedimentação muito característicos.
Em uma estrutura resultante de fluxo gravitacional, produzida por uma corrente carregada de sedimentos que desce ao longo de uma praia ou plataforma, é possível encontrar uma estratificação:
Questão Anulada

Provas

Questão presente nas seguintes provas
3691814 Ano: 2025
Disciplina: Arquitetura
Banca: FGV
Orgão: MPU

Texto 1

A Constituição Federal de 1988, em seu Art. 216, ampliou o conceito de patrimônio estabelecido pelo Decreto-Lei nº 25, de 30 de novembro de 1937, substituindo a denominação Patrimônio Histórico e Artístico por Patrimônio Cultural Brasileiro. Essa alteração incorporou o conceito de referência cultural e a definição dos bens passíveis de reconhecimento, sobretudo os de caráter imaterial.

Trabalhando com os conceitos do texto 1 e visando a facilitar o acesso ao conhecimento dos bens nacionais, a gestão do patrimônio é efetivada segundo as características de quatro grandes grupos.

Os quatro grupos em questão são:

Questão Anulada

Provas

Questão presente nas seguintes provas
3691813 Ano: 2025
Disciplina: Enfermagem
Banca: FGV
Orgão: MPU

No atendimento a um paciente politraumatizado, entre outras ações, foi realizada a manobra de Chin Lift.

Acerca dessa manobra, é correto afirmar que:

Questão Anulada

Provas

Questão presente nas seguintes provas
3691812 Ano: 2025
Disciplina: Enfermagem
Banca: FGV
Orgão: MPU

Durante o atendimento a um paciente adulto do sexo masculino em tratamento de diabetes mellitus tipo 2, foram identificadas algumas condições clínicas consideradas fatores de risco moderado para eventos cardiovasculares.

Entre esses fatores de risco, encontra-se:

Questão Anulada

Provas

Questão presente nas seguintes provas
3691811 Ano: 2025
Disciplina: Enfermagem
Banca: FGV
Orgão: MPU

A estimativa do perfil de risco admissional do paciente com insuficiência cardíaca aguda deve ser estabelecida por meio do perfil de risco clínico.

A alternativa que corresponde a um indicador de baixo risco é:

Questão Anulada

Provas

Questão presente nas seguintes provas