Foram encontradas 2.008 questões.
A distribuição de temperaturas e o circuito térmico para a transmissão de calor de um gás quente para um refrigerante estão esquematizados, respectivamente, nas figuras 1 e 2.

Pode-se afirmar corretamente que
Provas
A figura abaixo ilustra a distribuição de temperaturas que ocorre nos dois fluídos, num trocador de calor simples do tipo tubo e carcaça.

Pelo fato da temperatura do fluído quente manter-se constante trata-se, evidentemente, de um
Provas
Uma unidade motora simples a vapor opera segundo o diagrama temperatura-entropia representado abaixo.

Como se trata de um ciclo ideal, no processo
Provas
No sistema de aquecimento representado na figura, a variável controlada é a temperatura do fluido quente. Como o efeito de outras variáveis aparece com muito atraso na variável controlada, adotou-se um controle em cascata com dois reguladores.

O regulador secundário, FIC 2°, tem como função tomar o impulso
Provas
Para registrar variações de força, pressão, temperatura ou qualquer outra grandeza física que provoque deformação em sólidos, pode-se utilizar um dispositivo denominado strain-gage, cujo princípio de funcionamento baseia-se na variação da
Provas
Um medidor de vazão, cujo princípio de funcionamento baseie-se em área variável (perda de carga constante), deverá ser previsto em uma tubulação de transporte de materiais. Neste caso, deverá se optar por um
Provas
Considere os sistemas montados na figura onde uma massa m é suspensa por duas molas k1 e k2 de três maneiras diferentes.

A freqüência natural do caso a é
Provas
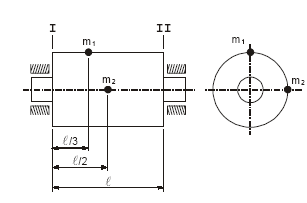
O rotor sólido da figura, apresentado nas vistas frontal e lateral esquerda, se encontra desbalanceado de 6 unidades de massa em m1 e de 6 unidades em m2.

Pretende-se balancear o rotor com a adição de uma única massa em cada um dos planos laterais. Para tanto, no plano I deve-se colocar uma massa
Provas
Observe a figura e a seqüência de comandos utilizados para a representação, em 3D, do furo centrado e passante no cubo.

Nessas condições, o sistema de coordenadas cúbicas UCS, opção 3 points, deverá ser posicionado na face A conforme a alternativa
Provas
A construção do arco RB do desenho é possível através do comando e opção dados, respectivamente, por

Provas
Caderno Container