Foram encontradas 2.008 questões.
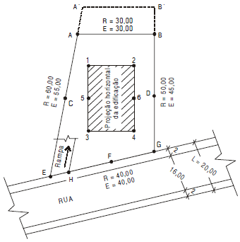
Denunciado por desrespeito a Legislação Municipal de Uso e Ocupação do Solo e invasão de propriedades alheias, um cidadão alegou que seu terreno é, na realidade, maior do que consta na escritura. Além da constatação do fato no local, não havia documentos oficiais (escrituras, registros de imóvel, etc) que provassem as medidas reais do terreno.

- desenho sem escala
E = medidas da escritura
R = medidas no local (chamadas de reais)
L = largura da rua
- medidas em metro e aproximadas
- considerar áreas aproximadas do terreno:
E = 1690 m2
"Real" = 1840 m2
Restrições Municipais:
- recuo de frente = 5,00 m
- recuo de fundo = 5,00 m
- recuos laterais = 5,00 m
AP = área de ocupação ou projeção horizontal da edificação = 0,5 da área do terreno
AC = área construída = 5 x área do terreno (não considerar térreo e subsolo)
i = inclinação da rampa de acesso aos subsolos (estacionamentos)
gabarito vertical máximo (em relação ao nível da rua) = 3 x largura da rua
A área retangular de projeção horizontal da construção, em m2, e as dimensões do retângulo, em m, são, respectivamente, de (obedecendo os recuos obrigatórios):
Provas
Denunciado por desrespeito a Legislação Municipal de Uso e Ocupação do Solo e invasão de propriedades alheias, um cidadão alegou que seu terreno é, na realidade, maior do que consta na escritura. Além da constatação do fato no local, não havia documentos oficiais (escrituras, registros de imóvel, etc) que provassem as medidas reais do terreno.

- desenho sem escala
E = medidas da escritura
R = medidas no local (chamadas de reais)
L = largura da rua
- medidas em metro e aproximadas
- considerar áreas aproximadas do terreno:
E = 1690 m2
"Real" = 1840 m2
Restrições Municipais:
- recuo de frente = 5,00 m
- recuo de fundo = 5,00 m
- recuos laterais = 5,00 m
AP = área de ocupação ou projeção horizontal da edificação = 0,5 da área do terreno
AC = área construída = 5 x área do terreno (não considerar térreo e subsolo)
i = inclinação da rampa de acesso aos subsolos (estacionamentos)
gabarito vertical máximo (em relação ao nível da rua) = 3 x largura da rua
A área de projeção horizontal da construção (área ocupada) é, em m2, de (máxima permitida):
Provas
Denunciado por desrespeito a Legislação Municipal de Uso e Ocupação do Solo e invasão de propriedades alheias, um cidadão alegou que seu terreno é, na realidade, maior do que consta na escritura. Além da constatação do fato no local, não havia documentos oficiais (escrituras, registros de imóvel, etc) que provassem as medidas reais do terreno.

- desenho sem escala
E = medidas da escritura
R = medidas no local (chamadas de reais)
L = largura da rua
- medidas em metro e aproximadas
- considerar áreas aproximadas do terreno:
E = 1690 m2
"Real" = 1840 m2
Restrições Municipais:
- recuo de frente = 5,00 m
- recuo de fundo = 5,00 m
- recuos laterais = 5,00 m
AP = área de ocupação ou projeção horizontal da edificação = 0,5 da área do terreno
AC = área construída = 5 x área do terreno (não considerar térreo e subsolo)
i = inclinação da rampa de acesso aos subsolos (estacionamentos)
gabarito vertical máximo (em relação ao nível da rua) = 3 x largura da rua
O recuo lateral esquerdo deve ser medido:
Provas
Denunciado por desrespeito a Legislação Municipal de Uso e Ocupação do Solo e invasão de propriedades alheias, um cidadão alegou que seu terreno é, na realidade, maior do que consta na escritura. Além da constatação do fato no local, não havia documentos oficiais (escrituras, registros de imóvel, etc) que provassem as medidas reais do terreno.

Obs.:
- desenho sem escala
E = medidas da escritura
R = medidas no local (chamadas de reais)
L = largura da rua
- medidas em metro e aproximadas
- considerar áreas aproximadas do terreno:
E = 1690 m2
"Real" = 1840 m2
Restrições Municipais:
- recuo de frente = 5,00 m
- recuo de fundo = 5,00 m
- recuos laterais = 5,00 m
AP = área de ocupação ou projeção horizontal da edificação = 0,5 da área do terreno
AC = área construída = 5 x área do terreno (não considerar térreo e subsolo)
i = inclinação da rampa de acesso aos subsolos (estacionamentos)
gabarito vertical máximo (em relação ao nível da rua) = 3 x largura da rua
O recuo de frente deve ser medido a partir do ponto:
Provas
Um edifício tem uma área construída de 6000 m2, dos quais 7500 m2 correspondem a área da estrutura de concreto cuja espessura média é de 20 cm. O custo da estrutura, em reais, é de:
Dados:
Preço do m3 de concreto = R$ 800,00
Preço do aço = 30% do preço do concreto
BDI = 30%
Provas
O espaço livre mínimo recomendável ao redor da cama é, em cm, de
Provas
Atenção: A questão refere-se a movimentação, circulação e conforto de deficientes físicos (NBR 9050).
A largura mínima, em metros, para deslocamento em linha reta de pessoa em cadeira de roda é:
![]()
Provas
Os corredores de circulação interna, em edificações e equipamentos urbanos, devem ter uma faixa mínima livre de barreiras ou obstáculos, em metros, de:
Provas
Caso Proposto: licenciamento ambiental de projeto de aproveitamento hidrelétrico, com potência instalada prevista de 600 MW, com as seguintes características:
Características da Barragem
comprimento do coroamento 1.500 m
cota do coroamento 339 m
altura máxima sobre as fundações 60 m
Condições de Montante
nível máximo excepcional
ou maximum maximorum cota 336 m área do reservatório 550 km2
nível máximo normal cota 334 m área do reservatório 515 km2
nível mínimo normal cota 321 m área do reservatório 260 km2
Características de Jusante
nível máximo excepcional ou maximum
maximorum cota 395 m
nível máximo normal cota 285 m
nível mínimo normal cota 283 m
Na primeira renovação da licença de operação, a ativação de nova etapa de estudos de arqueologia preventiva
Provas
Caso Proposto: licenciamento ambiental de projeto de aproveitamento hidrelétrico, com potência instalada prevista de 600 MW, com as seguintes características:
Características da Barragem
comprimento do coroamento 1.500 m
cota do coroamento 339 m
altura máxima sobre as fundações 60 m
Condições de Montante
nível máximo excepcional
ou maximum maximorum cota 336 m área do reservatório 550 km2
nível máximo normal cota 334 m área do reservatório 515 km2
nível mínimo normal cota 321 m área do reservatório 260 km2
Características de Jusante
nível máximo excepcional ou maximum
maximorum cota 395 m
nível máximo normal cota 285 m
nível mínimo normal cota 283 m
Considerada a estrutura dos estudos multidisciplinares do licenciamento ambiental do empreendimento em epígrafe, os estudos de arqueologia preventiva deverão se distribuir conforme uma lógica que contemple os fundamentos metodológicos e técnicos da disciplina, os quesitos definidos no ordenamento jurídico legal e infra-legal, além da necessidade de compatibilizar as atividades técnicocientíficas com a implantação do empreendido.
Isto considerado, identifique a estratégia que melhor contempla o estudo de arqueologia preventiva necessário:
Provas
Caderno Container