Foram encontradas 946 questões.
Considere um motor de indução trifásico que consome 5,0 kVA, com fator de potência igual a 0,8. Simultaneamente, é ligada uma carga trifásica equilibrada, que consome 5,2 kW, com fator de potência igual a 0,8 atrasado. Para compensar o fator de potência das duas cargas, de modo que o fator de potência seja 1,0, deve-se ligar, paralelamente às cargas, um banco de capacitores trifásicos com potência, em kVAr, de aproximadamente:
Provas
O agente extintor mais apropriado para cada tipo de incêndio depende do material que está em combustão. Em alguns casos, alguns agentes extintores não devem ser utilizados, pois colocam em risco a vida do operador do equipamento. Os extintores trazem em seu corpo as classes de incêndio para as quais é mais eficiente, ou as classes nas quais não devem ser utilizados: em incêndio que envolva materiais condutores que estejam potencialmente conduzindo corrente elétrica, deve(m) ser utilizado(s) extintor(es) classe(s):
Provas
A equação a seguir é utilizada no cálculo luminotécnico denominado método dos Lumens.
\( \phi = \large{S \times E \over \eta \times d} \)
Assinale a alternativa que define, respectivamente, os símbolos \( d \) e \( \phi \).
Provas
A figura a seguir apresenta o método clássico, realizado por um amperímetro e um voltímetro, para se obter o valor da resistência de aterramento (RA) da haste A. Com base na curva RA versus distância (x), a resistência de aterramento e a resistência da haste auxiliar (RB), em ohms, respectivamente, são:

Provas
O relé que detecta a formação de gases é o:
Provas
Um transformador monofásico é alimentado por uma rede industrial, de 60 Hz, e alimenta uma carga que consome uma corrente de 40 ampères e fator de potência 0,8 indutivo. Características que o transformador apresenta:
- Tensão de saída (secundário) em vazio = 232 V
- Perdas no cobre = 108W
- Perdas no ferro = 36W
- Regulação de tensão percentual =5%
O rendimento percentual deste transformador corresponde a aproximadamente:
Provas
Sobre os transformadores, assinale a alternativa correta.
Provas
No circuito ilustrado na figura abaixo, um voltímetro registra uma tensão de 40 volts de queda de tensão no capacitor. A tensão da fonte E, em volts, que alimenta esse circuito é, aproximadamente:

Provas
A Resolução ANEEL nº 456/2000 define que as tensões primária e secundária de distribuição, disponibilizadas no sistema elétrico da concessionária, têm valores superiores e inferiores padronizados que correspondem em kV, a:
Provas
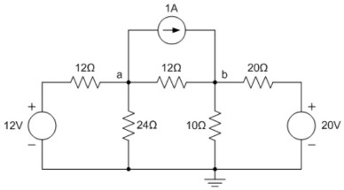
A figura abaixo apresenta um circuito resistivo, alimentado por fontes cc, duas fontes de tensão e uma de corrente. A tensão Vb, em volts, em cima do resistor de 10 ohms, é de aproximadamente:

Provas
Caderno Container