Foram encontradas 703 questões.
Em um microcontrolador da família 8051, os pinos INT0 e INT1 são
Provas
O circuito integrado abaixo é um contador comercial TTL e possui um pino de entrada ativo em nível baixo (0) cuja função é carregar as saídas do contador com o estado presente nas entradas de dados. Esse pino é identificado por

Provas
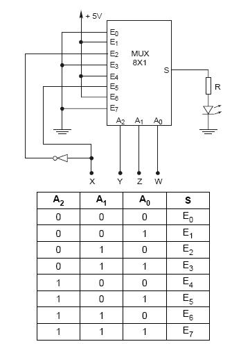
Considere o circuito lógico abaixo e a tabela-verdade do multiplex:

Provas
Analise o circuito lógico abaixo.

Provas
A expressão lógica que satisfaz à tabela-verdade abaixo, sendo X, Y e Z as entradas e S a saída, é

Provas
Um parâmetro importante de uma porta lógica TTL é o maior valor de tensão de entrada que ela entende como nível lógico baixo (0). Nos manuais de circuitos integrados esse parâmetro é simbolizado por
Provas
O número binário (10110110) vale no sistema hexadecimal
Provas
É um tiristor que pode ser usado em corrente contínua e alternada e pode conduzir nos dois sentidos desde que um pulso seja aplicado em um de seus terminais denominado gate ou gatilho:
Provas
Um amplificador de áudio transistorizado tem como estágio de saída dois transistores operando em classe B na configuração push-pull. Nessa configuração, os transistores têm como características o fato de que são
Provas
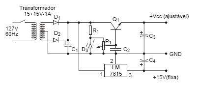
O texto e o esquema abaixo referem-se às questões de números 42 e 43.
Trata-se de uma fonte de alimentação com uma saída ajustável de zero a aproximadamente 14,4 V e outra saída fixa de 15 V.

As características do capacitor que melhor se enquadram na função de C4 são:
Provas
Caderno Container