Foram encontradas 400 questões.
Os Estados não efetuarão retenções de Contribuição Social
sobre o Lucro Líquido (CSLL), da Contribuição para o Financiamento da Seguridade Social (Cofins) e da Contribuição para o
PIS/Pasep sobre pagamentos a serem efetuados às seguintes
pessoas jurídicas, EXCETO:
Provas
Questão presente nas seguintes provas
Uma entidade pública estima dispor de R$ 77 milhões para
cobrir todas as suas despesas no ano de 2023. Pelos cálculos
dos analistas, a variação no volume de receitas, para o período citado, será de forma linear, como mostrado no quadro
a seguir. Essa tendência se manterá a mesma para os 4 meses
seguintes:
RECEITAS JANEIRO A ABRIL/2013 MAIO A AGOSTO/2023 Correntes R$ 18 milhões R$ 15 milhões Capital R$ 8 milhões R$ 7 milhões
Se não houver nenhuma ação efetiva no sentido de se aumentar as receitas públicas, ao final dos 12 meses, quanto faltará no volume total de receitas, em termos percentuais, aproximadamente, em relação ao valor total estimado?
RECEITAS JANEIRO A ABRIL/2013 MAIO A AGOSTO/2023 Correntes R$ 18 milhões R$ 15 milhões Capital R$ 8 milhões R$ 7 milhões
Se não houver nenhuma ação efetiva no sentido de se aumentar as receitas públicas, ao final dos 12 meses, quanto faltará no volume total de receitas, em termos percentuais, aproximadamente, em relação ao valor total estimado?
Provas
Questão presente nas seguintes provas
Em uma instituição pública, atuam assistentes técnicos e analistas. Nela há, atualmente, 6 assistentes técnicos e 4 analistas. As remunerações mensais dos assistentes técnicos e dos
analistas são, respectivamente, R$ 4.100,00 e R$ 6.150,00. O
órgão público em questão estuda proporcionar um aumento
salarial, de forma diferenciada, para o próximo exercício financeiro. O objetivo é que a remuneração média mensal dos
servidores não seja superior a R$ 6.300,00. A instituição já
definiu que o aumento será de 25% para os assistentes técnicos e necessita definir o percentual de reajuste para os analistas. Mantido o quantitativo de servidores, o aumento da remuneração a ser concedido aos analistas, em termos percentuais, será de, no máximo:
Provas
Questão presente nas seguintes provas
Alguns procedimentos devem ser adotados para a coleta de
amostras representativas em função do tipo de acondicionamento do resíduo. Para a amostragem em lagoa de resíduos
recomenda-se um tipo de amostrador para a coleta. NÃO é
recomendável para os resíduos (líquidos ou lodos) em lagoas:
Provas
Questão presente nas seguintes provas
Incêndio florestal é caracterizado como o processo no qual o
fogo ocorre sem controle, e que incide sobre qualquer forma de
vegetação, podendo ser provocado pelo homem, ou por causas
naturais. Os incêndios florestais se comportam de acordo com
o ambiente em que ocorrem, mas o número de fatores externos que influem no comportamento do fogo é tão grande que
é impossível predizer com precisão o que sucederá quando se
inicia um fogo; alguns incêndios não causam danos significativos, como os incêndios rasteiros que não conseguem provocar
danos em árvores de grande porte, porém são extremamente
prejudiciais às vegetações rasteiras e plantas jovens, principalmente para a sua regeneração. Sobre as causas antrópicas de
origem humana, relacione adequadamente as colunas a seguir.
1. Causas por negligência.
2. Causas estruturais.
3. Causas acidentais.
4. Causas intencionais.
( ) Origem em comportamentos e atitudes reativas aos condicionalismos ou em conflitos relacionados com o uso do solo como, por exemplo, incêndios originados por conflitos motivados pelas restrições dos parques nacionais e terras indígenas.
( ) Pretensão tanto da ação premeditada quanto da casual, com múltiplas motivações como a queima não autorizada, ilegal e descontrolada, ou pela ação de vandalismo, piromania, ou de conflitos.
( ) Acidentes com fontes de ignições:de viação; linha de trem; linhas elétricas; acidentes com máquinas agrícolas e florestais, tubos de escape, dentre outros.
( ) Ações de uso do fogo sem o desígnio de provocar um incêndio florestal como queimas de resíduos agrícolas e florestais; fogueiras para a confecção de alimentos ou para aquecer; fogueiras festivas (festas juninas); e, fumadores.
A sequência está correta em
1. Causas por negligência.
2. Causas estruturais.
3. Causas acidentais.
4. Causas intencionais.
( ) Origem em comportamentos e atitudes reativas aos condicionalismos ou em conflitos relacionados com o uso do solo como, por exemplo, incêndios originados por conflitos motivados pelas restrições dos parques nacionais e terras indígenas.
( ) Pretensão tanto da ação premeditada quanto da casual, com múltiplas motivações como a queima não autorizada, ilegal e descontrolada, ou pela ação de vandalismo, piromania, ou de conflitos.
( ) Acidentes com fontes de ignições:de viação; linha de trem; linhas elétricas; acidentes com máquinas agrícolas e florestais, tubos de escape, dentre outros.
( ) Ações de uso do fogo sem o desígnio de provocar um incêndio florestal como queimas de resíduos agrícolas e florestais; fogueiras para a confecção de alimentos ou para aquecer; fogueiras festivas (festas juninas); e, fumadores.
A sequência está correta em
Provas
Questão presente nas seguintes provas
Incêndios florestais ocorrem e são comuns de ocorrer em praticamente todo o tipo de vegetação. Na maior parte das situações, eles são causados por negligência ou associados a queimas
descontroladas como prática agrícola. Os incêndios em vegetação representam uma parcela significativa das ocorrências
atendidas por profissionais e pelo corpo de bombeiro. Esses
incêndios liberam grandes quantidades de fumaça, mistura
constituída por diversos elementos tóxicos. Os componentes
da fumaça podem provocar desde pequenas irritações aos
olhos e ao trato respiratório até problemas respiratórios mais
graves a longo prazo. A queima da biomassa contribui largamente para a liberação de gases tóxicos e partículas poluentes,
e como resultado dessa combustão são gerados materiais particulados, monóxido de carbono, óxidos de nitrogênio e dióxido de enxofre. Impedir totalmente que os incêndios ocorram
é praticamente impossível; dessa forma, medidas e ações para
evitar a ocorrência e a propagação dos incêndios são de vital
importância no trabalho de combate aos incêndios, e a colaboração de todos é fundamental. São alternativas adequadas
com relação aos incêndios florestais, EXCETO:
Provas
Questão presente nas seguintes provas
Neste século, a preocupação da humanidade perpassa pela
questão da proteção ambiental no que tange à formação da
população para adaptação e mitigação dos efeitos negativos
das mudanças climáticas. Com os avanços de construções em
áreas de reservas ambientais, verifica-se que elas vêm alterando o equilíbrio ambiental e o comportamento das sociedades
para os cenários climáticos futuros. Assim, as sociedades futuras devem buscar processos de proteção ambiental e reconstrução da natureza, como um mecanismo para aliviar e compensar os danos antrópicos. De acordo com Resolução CONAMA
nº 005/1994 são considerados estágios em regeneração da
vegetação secundária, EXCETO:
Provas
Questão presente nas seguintes provas
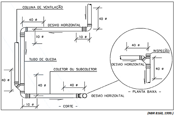
A ABNT NBR 8160:1999 estabelece exigências e recomendações relativas ao projeto, execução, ensaio e manutenção dos
sistemas prediais de esgoto sanitário, para atenderem às exigências mínimas quanto à higiene, segurança e conforto dos
usuários, tendo em vista a qualidade destes sistemas. A imagem ilustra as zonas de sobrepressão dos tubos de queda, que
são componentes do subsistema de coleta e transporte de esgoto sanitário:

São consideradas zonas de sobrepressão, EXCETO:

São consideradas zonas de sobrepressão, EXCETO:
Provas
Questão presente nas seguintes provas
Avaliação é uma aferição de um ou mais fatores econômicos especificamente definidos em relação a propriedades descritas
com data determinada, tendo como suporte a análise de dados relevantes e metodologia adequada. As palavras valor, custo
e preço têm significados distintos. Preço é a quantia paga pelo comprador ao vendedor; já custo é o preço pago mais todas as outras
despesas em que incorre o comprador na aquisição da propriedade. O custo de uma propriedade não é necessariamente igual ao
seu valor, embora o custo seja uma prova de valor; por outro lado, na investigação do valor de uma propriedade, procura-se
conhecer tanto o custo original quanto o custo de reprodução. Considerando as definições dos termos de valor em Engenharia de
Avaliações, relacione adequadamente as colunas a seguir.
1. Valor de liquidação forçada.
2. Valor de mercado.
3. Valor de reposição.
4. Valor depreciável.
5. Valor sinérgico.
6. Valor rentábil.
( ) Diferença entre o custo de reprodução das benfeitorias e o seu valor residual.
( ) Valor resultante da interação de dois ou mais bens ou direitos, quando o valor global for maior do que a soma dos valores individuais.
( ) Valor de um bem, na hipótese de uma venda compulsória ou em espaço de tempo menor do que o normalmente observado no mercado.
( ) Valor atual das receitas líquidas prováveis e futuras, segundo prognóstico feito com base nas receitas e despesas recentes e nas tendências dos negócios.
( ) Quantia mais provável pela qual se negociaria voluntariamente e conscientemente um bem, em uma data de referência, dentro das condições do mercado vigente.
( ) Aquele valor da propriedade determinado com base no quanto ela custaria (normalmente conforme os preços correntes do mercado) para ser substituída por outra igualmente satisfatória.
A sequência está correta em
1. Valor de liquidação forçada.
2. Valor de mercado.
3. Valor de reposição.
4. Valor depreciável.
5. Valor sinérgico.
6. Valor rentábil.
( ) Diferença entre o custo de reprodução das benfeitorias e o seu valor residual.
( ) Valor resultante da interação de dois ou mais bens ou direitos, quando o valor global for maior do que a soma dos valores individuais.
( ) Valor de um bem, na hipótese de uma venda compulsória ou em espaço de tempo menor do que o normalmente observado no mercado.
( ) Valor atual das receitas líquidas prováveis e futuras, segundo prognóstico feito com base nas receitas e despesas recentes e nas tendências dos negócios.
( ) Quantia mais provável pela qual se negociaria voluntariamente e conscientemente um bem, em uma data de referência, dentro das condições do mercado vigente.
( ) Aquele valor da propriedade determinado com base no quanto ela custaria (normalmente conforme os preços correntes do mercado) para ser substituída por outra igualmente satisfatória.
A sequência está correta em
Provas
Questão presente nas seguintes provas
As pessoas, bem como os equipamentos e materiais fixos adjacentes a componentes da instalação elétrica, devem ser protegidos contra os efeitos térmicos prejudiciais que possam ser produzidos por esses componentes, tais como: risco de queimaduras;
combustão ou degradação dos materiais; comprometimento da segurança de funcionamento dos componentes instalados.
(NBR 5410, 2004.)
Sobre proteção contra incêndio, algumas regras gerais são apresentadas na normativa NBR 5410:2004; assinale a afirmativa correta.
(NBR 5410, 2004.)
Sobre proteção contra incêndio, algumas regras gerais são apresentadas na normativa NBR 5410:2004; assinale a afirmativa correta.
Provas
Questão presente nas seguintes provas
Cadernos
Caderno Container