Foram encontradas 547 questões.
Com relação aos conceitos básicos de telefonia analógica e digital, considere as afirmativas a seguir:
I. Em um sistema CPA-t, o sinal amostrado é codificado em 64 bits.
II. No Brasil, o plano de numeração telefônico é misto.
III. O sinal de linha HDB3 é responsável pela eliminação das longas sequências de zero.
Está(ão) correta(as) apenas a(s) afirmativa(s):
Provas
O cabo “6 x 25 Filler + AACI ou 19 x 7, torção regular, EIPS, polido” é ideal para aplicação no(a):

Provas
Levando-se em consideração as engrenagens dos carros, pode-se identificar na figura, entre as alternativas a seguir, a marcha:

Fonte: Apostila de Elementos de Máquinas - IFES
Provas
Assinale a alternativa que, de modo correto, indique o rendimento de uma torre de arrefecimento (figura a seguir), conforme os seguintes parâmetros: temperatura da água ao entrar na torre é de 46° C, sua vazão é de 6,25 m /h e a pressão atmosférica é normal. O ar entra nas temperaturas BS = 35° C e BU = 25° C e deixa a torre na temperatura de 38° C, saturado. A temperatura da água ao sair da torre é de 29,2° C.
Dado:

Torre de Arrefecimento Fonte: Instalações de Ar Condicionado, Hélio Creder.
Provas
No diagrama a seguir, são mostradas as pressões e temperaturas para uma Válvula de Expansão Termostática - VET. Assinale a alternativa que indica a pressão de fechamento.

Fonte: Instalações de Ar Condicionado, Hélio Creder.
Provas
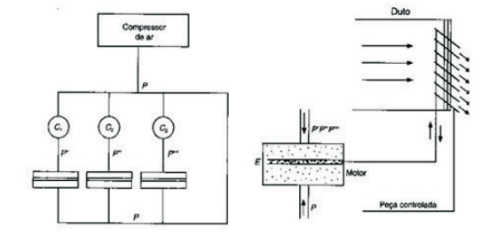
A figura, a seguir, é um esquema de controle pneumático. Assinale a alternativa que NÃO diz respeito a ela.

Fonte: Instalações de Ar Condicionado, Hélio Creder.
Provas
Assinale a alternativa que indica a vazão de ar referente ao projeto de ventilação de um escritório com os seguintes dados: dimensões (m): 24 X 10 X 4; número de pessoas: 40; troca de ar: 4 m /min condições: normal, sem outras fontes de calor ou poluidoras; difusão do ar: por dutos e grelhas.
Provas
Pela figura a seguir e pelo método das trocas de ar, se for tomada a taxa de 4 min por troca, ter-se-á a seguinte vazão de ar:

Fonte: Instalações de Ar Condicionado, Hélio Creder.
Provas
Observando o gráfico a seguir, percebe-se que, inicialmente, acontece uma diminuição de temperatura à pressão constante (3 4) seguida de uma diminuição isobárica e isotérmica de volume de condensação (4 3). Essas transformações ocorrem no(a):

Referente: ciclo da geladeira
Fonte: Bonjorno e Clinton
Provas
O esquema a seguir é um circuito de geladeira. Assinale a alternativa que identifica cada parte descrita na figura por meio de números de 1 a 4.

Fonte: Bonjorno e Clinton
Provas
Caderno Container